Only getting power through my 12v constant on my radio

Tiny
MASON PARKHURST
  • MEMBER
  • 2004 PONTIAC GRAND AM
  • 2.2L
  • 4 CYL
  • 2WD
  • AUTOMATIC
  • 171,000 MILES
12v constant on my radio (yellow wire).
Monday, June 6th, 2022 AT 11:26 PM

1 Reply

Tiny
JACOBANDNICKOLAS
  • MECHANIC
  • 110,194 POSTS
Hi,

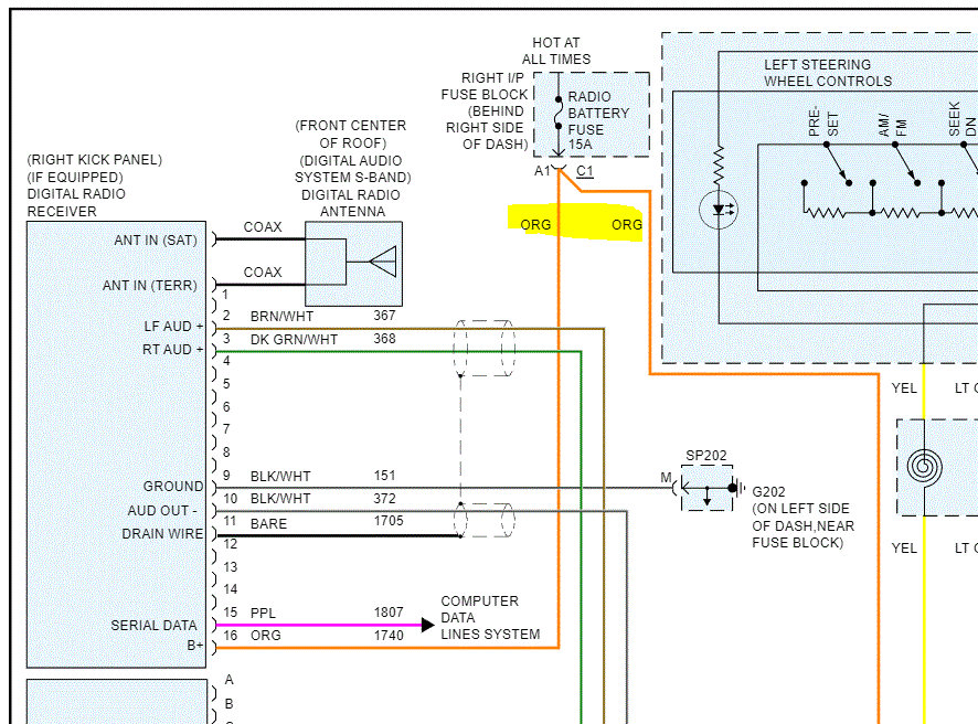
Does the vehicle have the factory radio? If so, does it have a factory amp or not? I ask because the power should be provided by an orange wire. I checked both sets of schematics and both are the same. (See pic below) Let me know that. Also, I need to know if you have radio controls built into the steering wheel.

As far as a yellow wire, the only ones I'm seeing are from the steering wheel and for the speakers. So, let me know where you are checking the yellow wire. Also, let me know if the radio is doing anything.

Let me know.

Joe

See pic below.
Was this
answer
helpful?
Yes
No
Tuesday, June 7th, 2022 AT 5:46 PM

Please login or register to post a reply.