12 Speakers Sony system wiring diagram needed

Tiny
FDADDAMIO
  • MEMBER
  • 2010 FORD FUSION
  • 95,000 MILES
Hi there,

I have the car listed above SLE without Navigation System, and no Sync. I was going to upgrade the car stereo, but I was not able to find the wiring diagram related to the three connectors the car has. Can you kindly help me?
Sunday, January 23rd, 2022 AT 12:23 PM

7 Replies

Tiny
JACOBANDNICKOLAS
  • MECHANIC
  • 110,194 POSTS
Hi,

The only Sony system I can find indicates navigation. However, the base radio (not identified as a Sony and the top one is also a navigation system Sync).

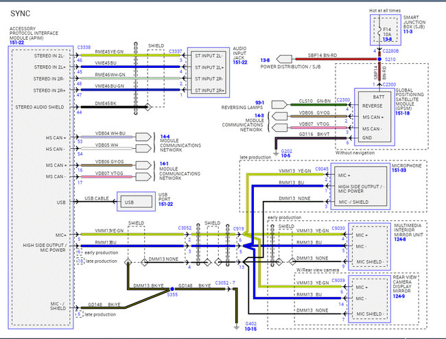
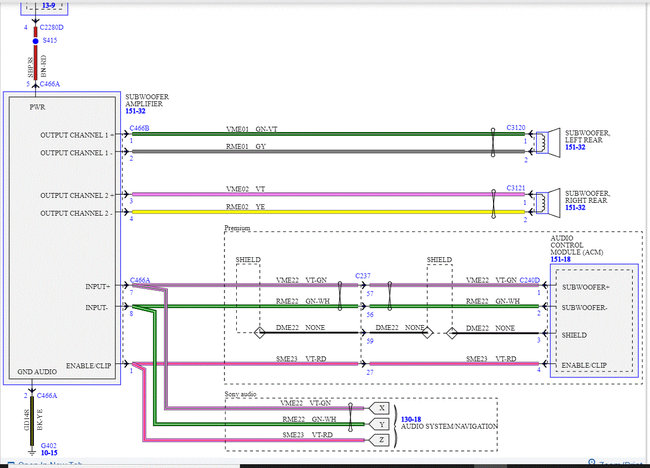
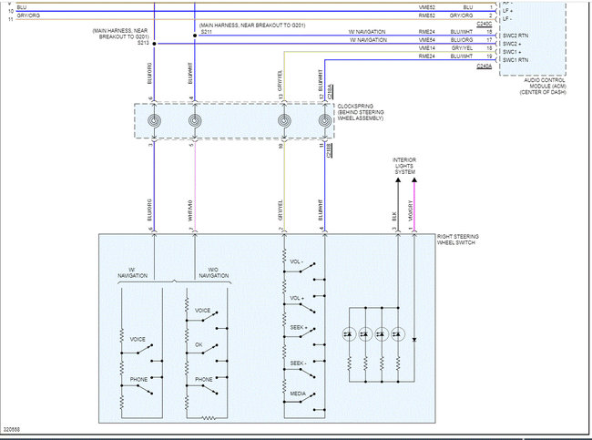
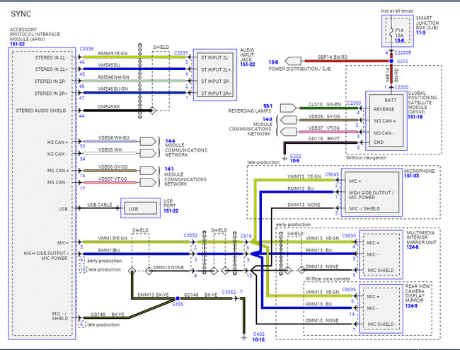
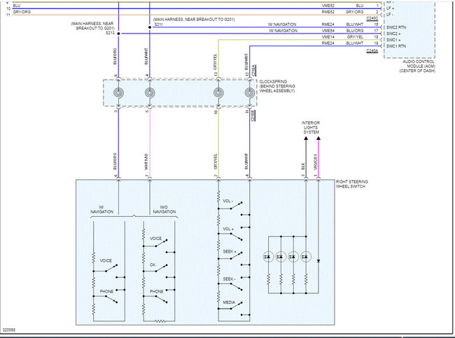
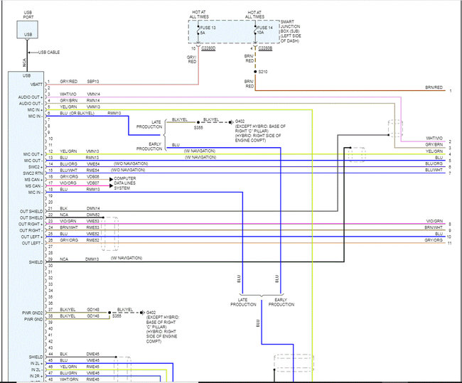
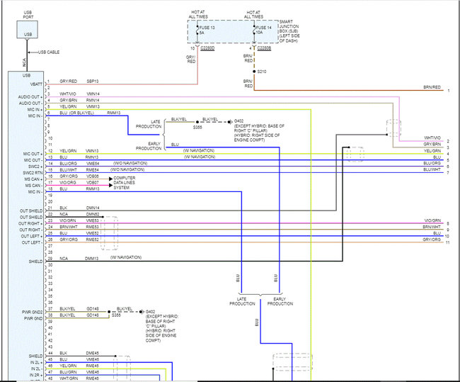
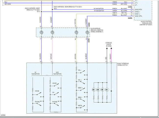
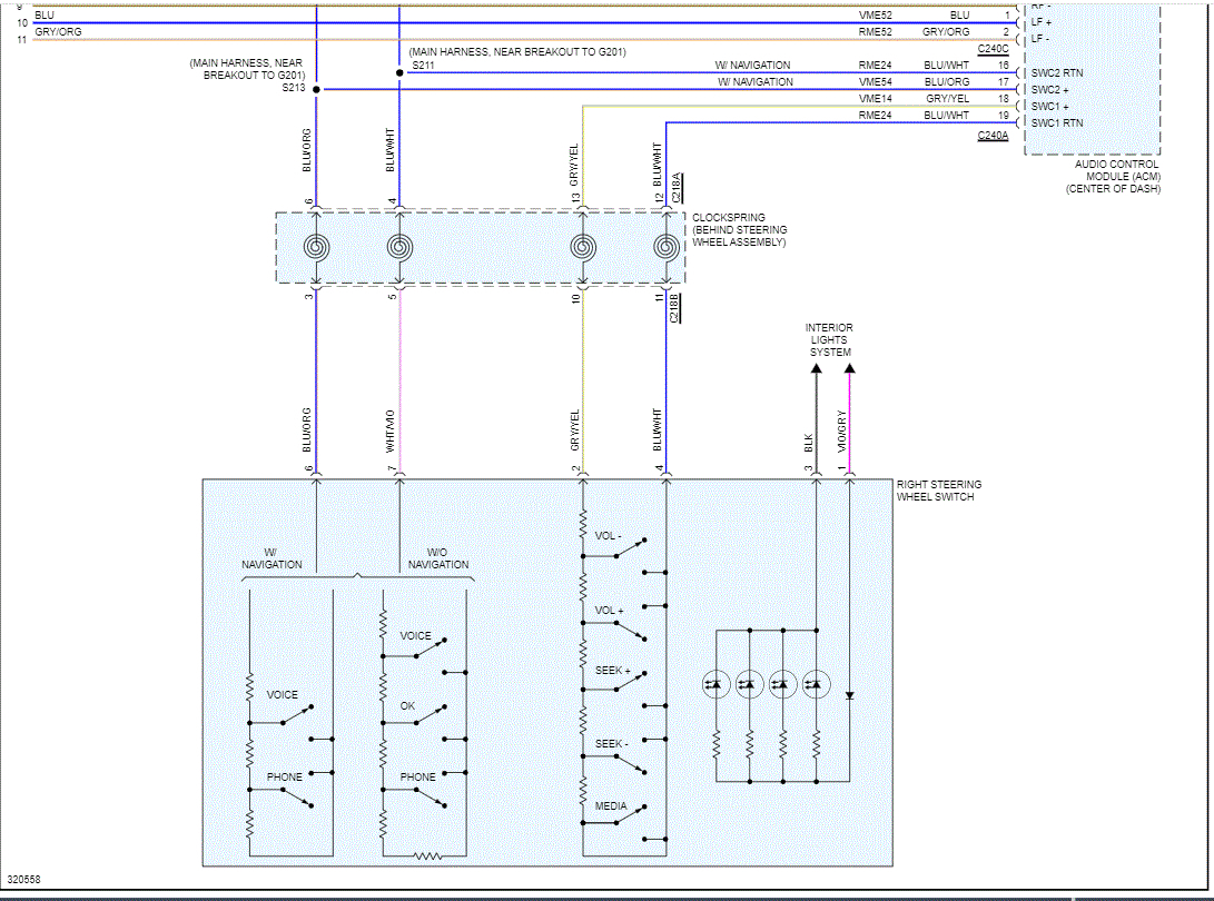
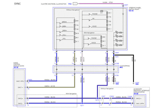
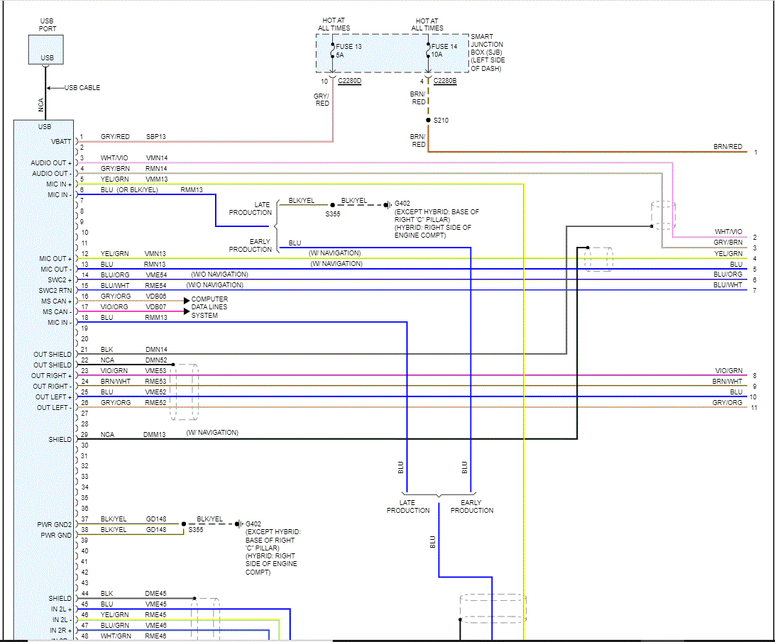
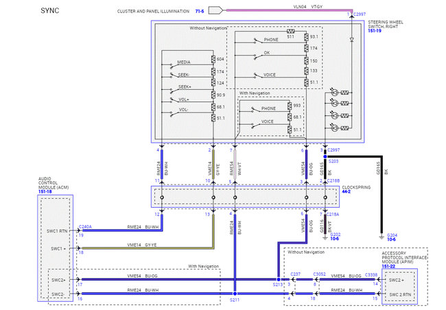
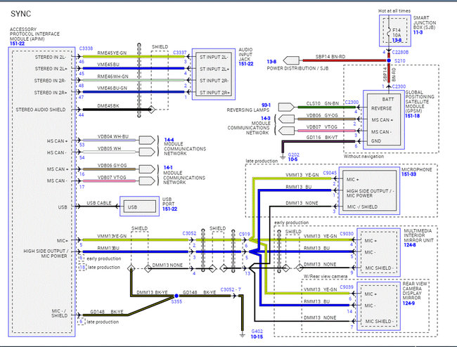
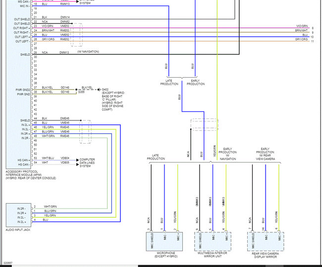
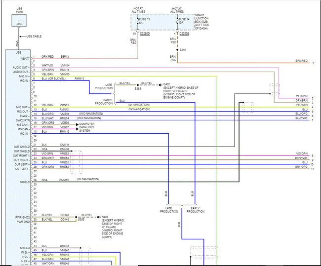
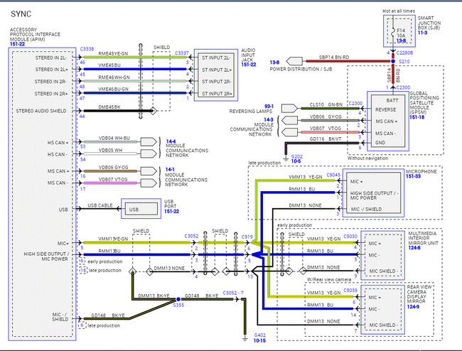
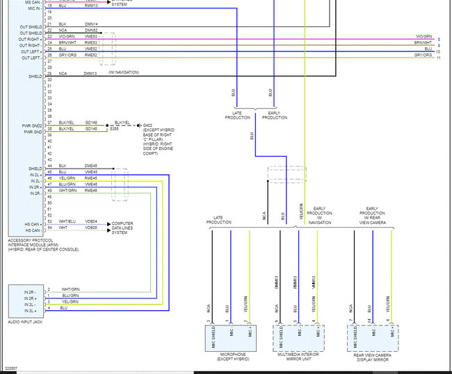
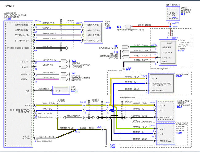
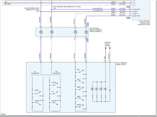
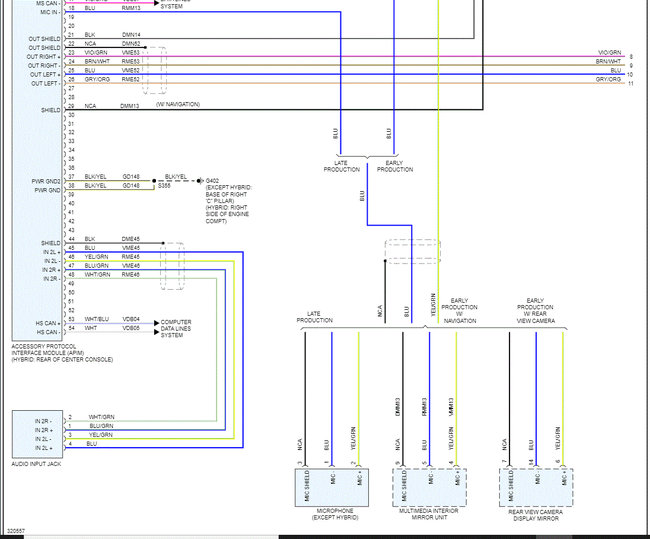
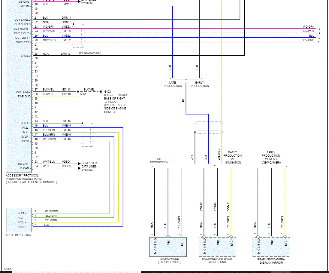
Take a look at what I attached. The first pic is of my options. I went with the center one. The remaining pics are the wiring schematic. Note: To make them readable for you, I had to cut them in half, but I did overlap them so you can follow from one to the next.

Let me know if this helps or if you have other questions.

Take care,

Joe

See pics below.
Was this
answer
helpful?
Yes
No
Sunday, January 23rd, 2022 AT 2:41 PM
Tiny
FDADDAMIO
  • MEMBER
  • 4 POSTS
Thanks, but the wiring does not match my connectors.
On the C240A-24Pins, I have just the pin 1, 5, 8, 11-13, 15, 18-19, 21 and 24. If what I found is correct, there are no pin for the rear audio speakers.
More problems with the C240C-16Pins. The active pins are: 1, 2, 4, 5, 9, 10, 15 and16.
On the C240D they are 1, 2 and 5.
This system has a Sony amplifier in the back of the car and I think it is serving the rear speakers and the center speaker, front and rear but whit no wiring diagrams everything is hard.
Was this
answer
helpful?
Yes
No
+1
Sunday, January 23rd, 2022 AT 6:16 PM
Tiny
JACOBANDNICKOLAS
  • MECHANIC
  • 110,194 POSTS
Hi,

That's interesting. I just looked at the base one and it is different than your description as well plus has no amp.

Do any of the three listed seem to match what you have? Those are the only ones listed as optional on the Fusion.

Let me know.

Joe

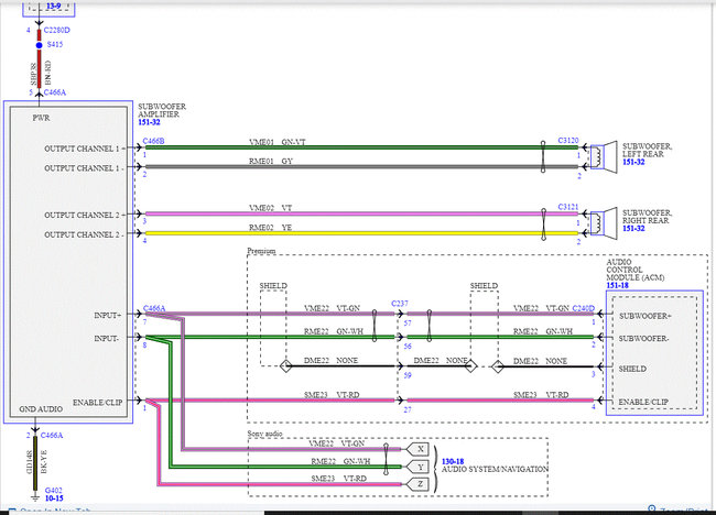
Also, I found one schematic from the rear amp. Does that look correct?
Was this
answer
helpful?
Yes
No
+1
Sunday, January 23rd, 2022 AT 6:46 PM
Tiny
FDADDAMIO
  • MEMBER
  • 4 POSTS
Hi Joe,

Thanks a lot for your help.
I checked the pics for schematic 320559. For the connector C240A we are kind of good because all the pins connected on my connector car have the same colors.
The problem is with the connector C240C. Colors match for pins 15 and 16, but the schematic reports pins 1, 2, 4, 5, 9 and 10 not connected and the pins 5-8, 11, 12 and 14 connected. This is the exact opposite of what I have.
I do not think I have the connector C240B and the 240D is wrong too.

Looking online, what I have is also called Premium Sound with SYNC, no Navigation system. Is there anything like that in your schematic?
Because there is an amplifier, I need to know exactly which wire it is to avoid blowing everything up.

Again, thanks a lot for helping me through that.
Was this
answer
helpful?
Yes
No
Monday, January 24th, 2022 AT 11:41 AM
Tiny
JACOBANDNICKOLAS
  • MECHANIC
  • 110,194 POSTS
Hi,

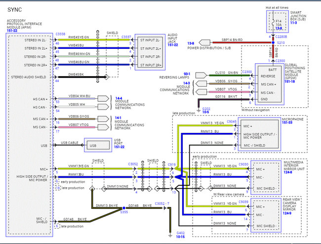
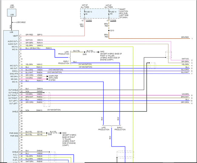
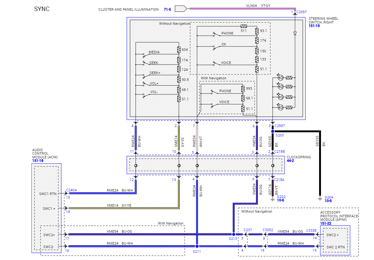
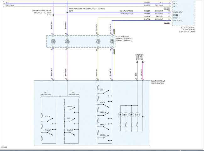
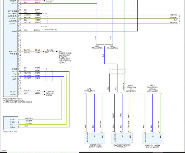
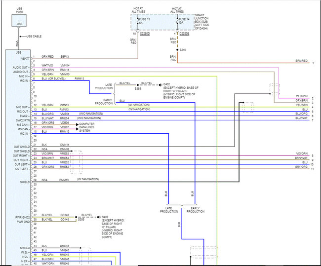
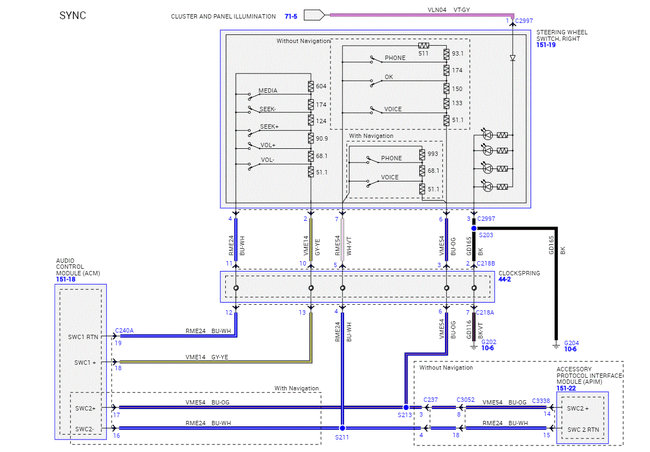
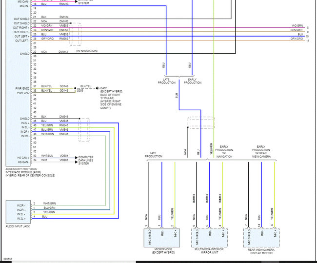
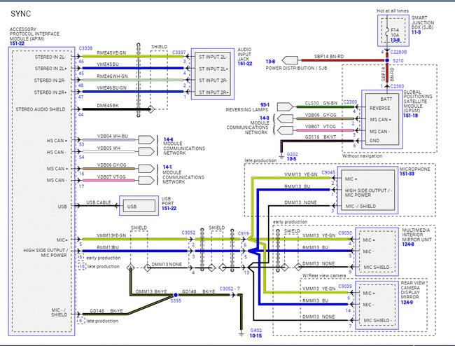
I looked up the one indicating SYNC, but no amp. See pics below. (Pic 1-4)

So, I went to the OEM schematics and found what is on pic 5. Any suggestions? LOL I'm trying buddy. I really am. LOL I'm not sure what happened to a power wire, a ground, a signal from the receiver, and power out from the amp. Ugh!

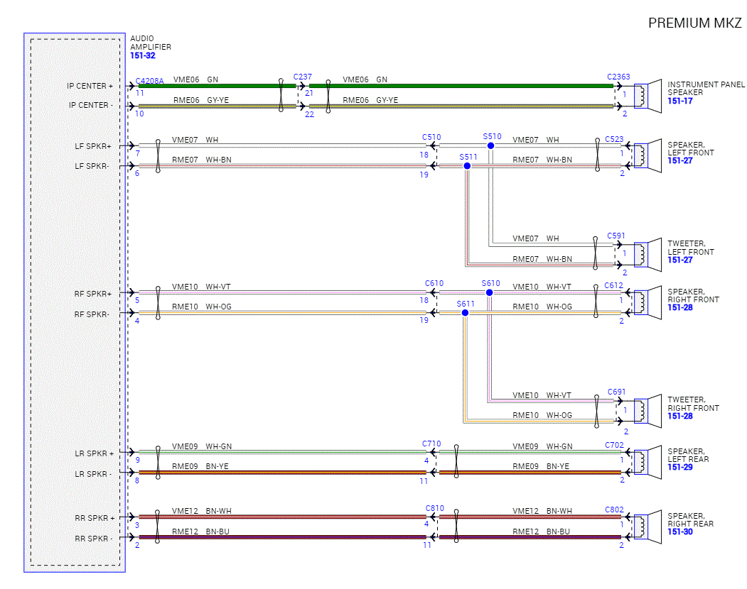
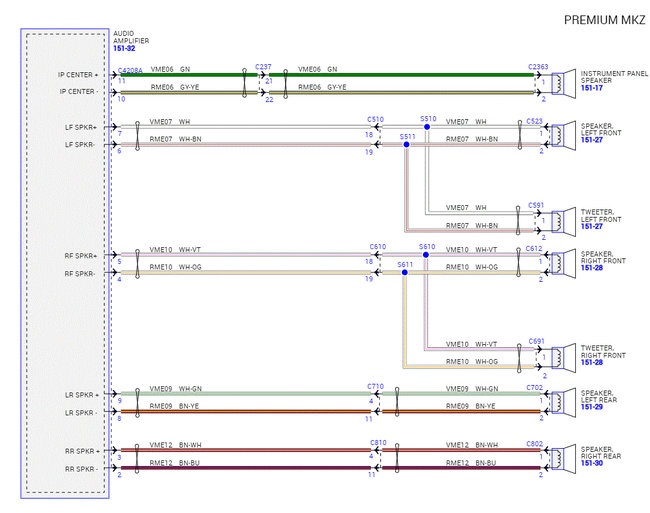
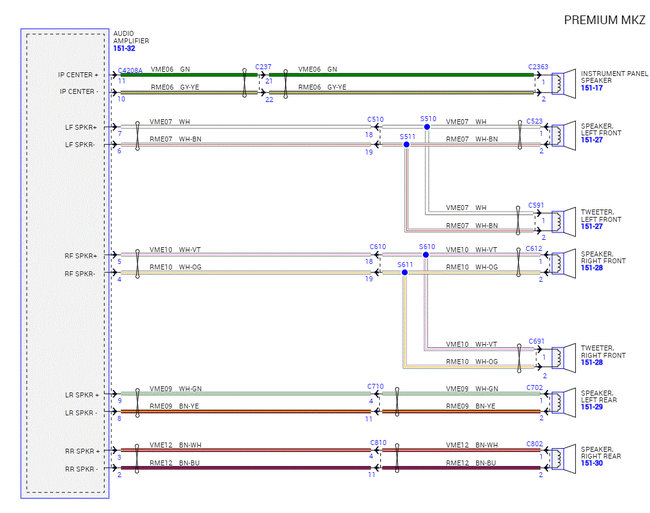
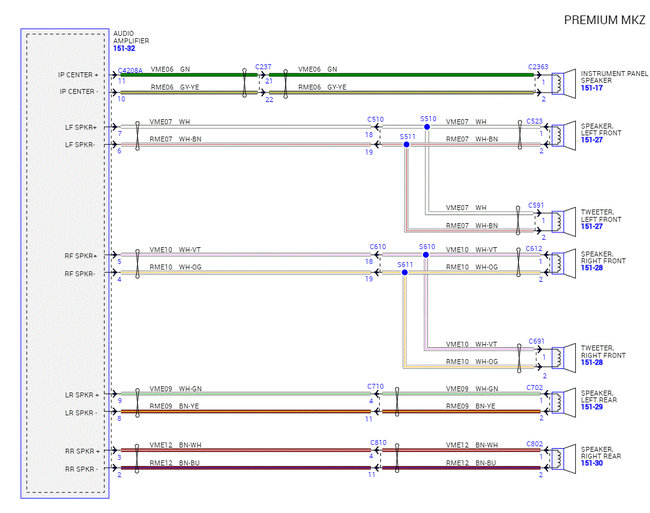
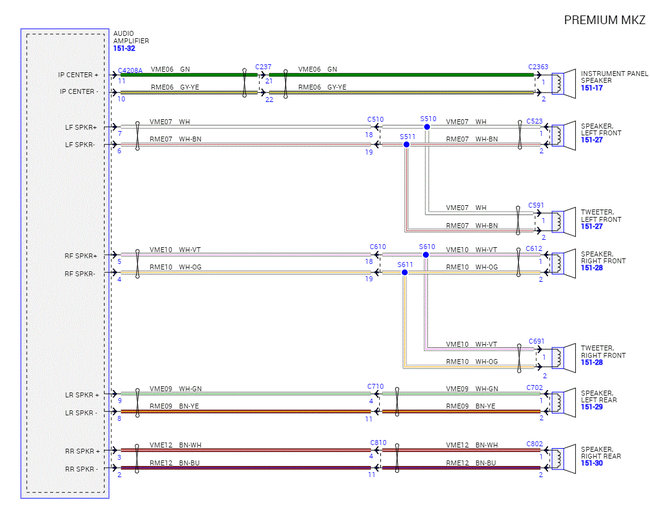
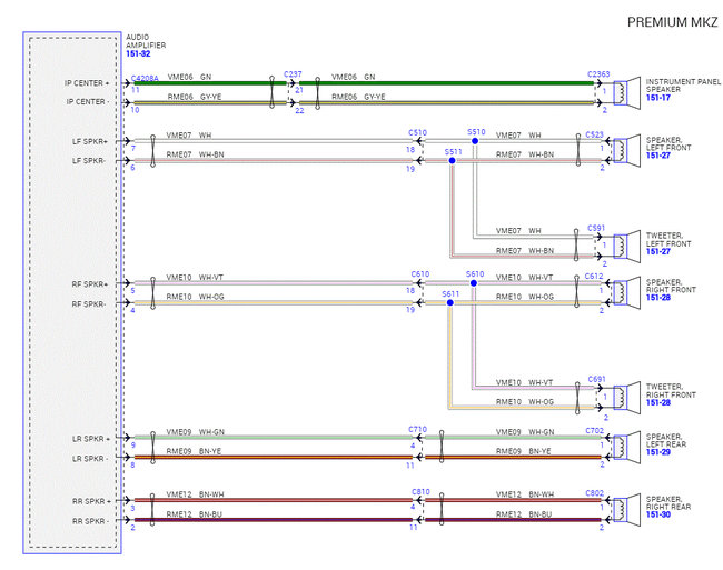
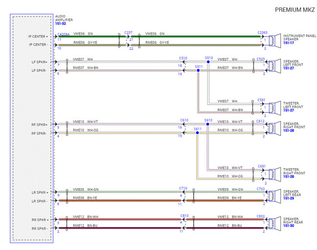
Starting with pic6, I included schematics from the list in pic 5 that I thought were relevant. Take a look and let me know if you see one that matches what you have. Note: The premium MKZ is the one I found the amp in. It's included as well.62

Joe

See pics below.
Was this
answer
helpful?
Yes
No
-1
Monday, January 24th, 2022 AT 4:42 PM
Tiny
FDADDAMIO
  • MEMBER
  • 4 POSTS
Thank you, Joe, thank you.
We are far away from what it should be, and I understand why there is nothing on the web for that. I'll try to map the wires in the car, it will be a pain.
Was this
answer
helpful?
Yes
No
Monday, January 24th, 2022 AT 6:09 PM
Tiny
JACOBANDNICKOLAS
  • MECHANIC
  • 110,194 POSTS
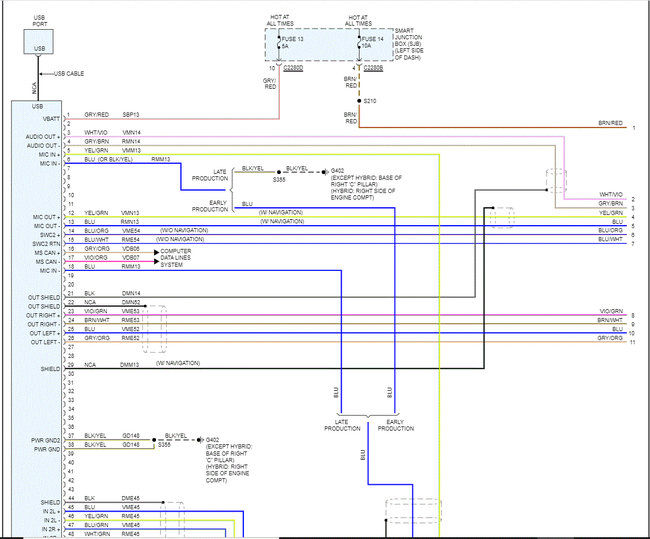
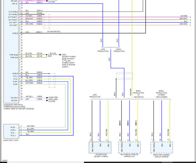
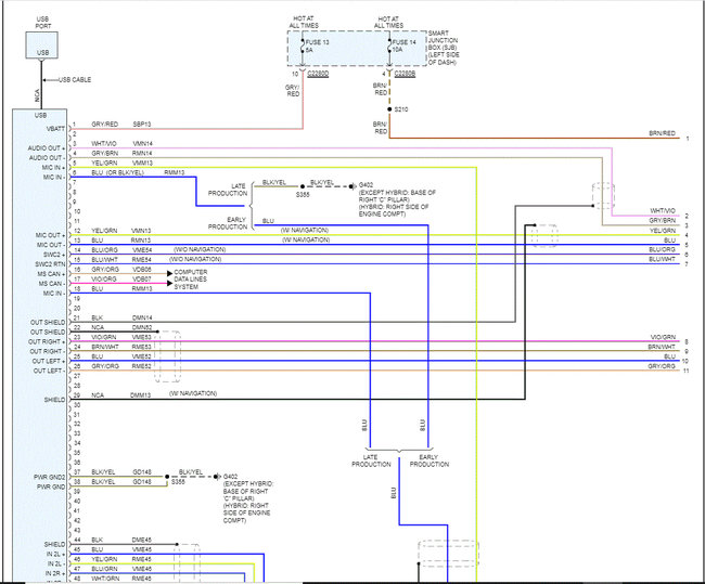
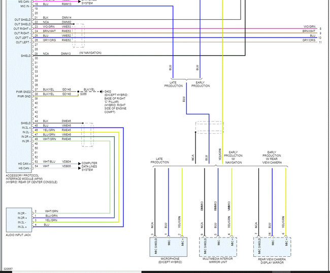
You are very welcome, but I was of no help. LOL I was able to find info on the connectors. The last 4 pics are related to the C240C connector pinout. Does that help at all? The other pics are all connector pinouts for the sub amp and audio amp.

I hate being beaten. LOL

Let me know.

Joe
Was this
answer
helpful?
Yes
No
Monday, January 24th, 2022 AT 7:44 PM

Please login or register to post a reply.