Can the 115V outlet be upgraded?

Tiny
ETERNALARIANNE
  • MEMBER
  • 2011 HONDA ODYSSEY
  • 3.5L
  • V6
  • 2WD
  • AUTOMATIC
  • 201,575 MILES
This van has a few "lighter" style outlets, but it also has one 2-prong "house" style outlet in the third-row seating area. The label states it is 115V and 150W. And there is also a composite AV connector right next to the outlet for use with the fold down DVD player screen, making me think they intended for you to plug in a video game console or similar to that power outlet. But I can't think of any video game console that only uses 1.3A, unless they are thinking of something old-school.

So, my question is, can the amps on this outlet somehow be "upgraded" with better breakers/fuses or is it limited to the wiring or alternator inside the van itself? I just don't really see any use for this outlet with only 1.3A, except maybe to charge your phone.
Saturday, January 15th, 2022 AT 4:42 PM

8 Replies

Tiny
JACOBANDNICKOLAS
  • MECHANIC
  • 110,192 POSTS
Hi,

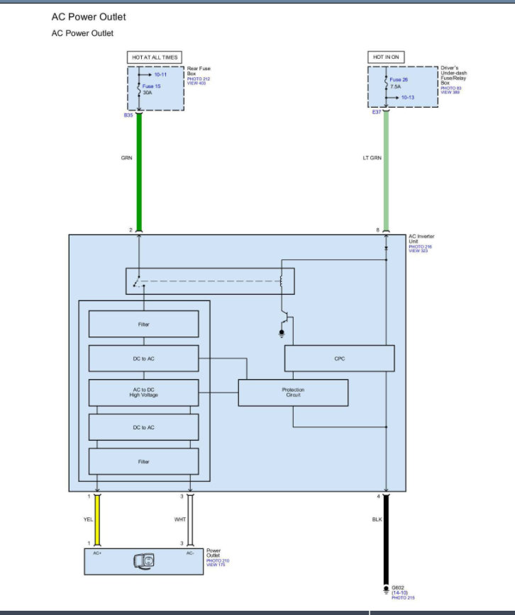
Where did you see 1.3A? The circuit (inverter) is powered via a 30A fuse in the rear fuse box. I don't see why it wouldn't power a game system.

As far as increasing power to it, that isn't something I would recommend. All wiring in the vehicle is designed to take a maximum amount of power before they overheat and meltdown. Therefore, the 30-amp fuse powering the circuit is designed to fail before the wiring is damaged. If you were to place a higher amperage fuse in the system, the wiring would likely fail before the fuse in the event of a short which can lead to component damage and fire.

Also, the addition of circuit breakers wouldn't change anything unless everything was wired to accept the power. Then, you are left with an inverter that isn't designed to produce more voltage. The inverter is what changes DC current to AC.

I attached a pic below showing the basic wiring diagram related to the circuit for you to review. Take a look at it and let me know if you have other questions.

Take care,

Joe

See pic below.
Was this
answer
helpful?
Yes
No
Saturday, January 15th, 2022 AT 6:06 PM
Tiny
KASEKENNY
  • MECHANIC
  • 18,907 POSTS
Great question. This is something that is asked a lot at dealerships.

Unfortunately, there is no way to upgrade this outlet because it is run through a power inverter so you would have to change this out as well and that is not recommended.

However, this outlet will run a lot of different game consoles. Clearly it is not going to run ones with large graphic cards and gaming computers, but it will run almost any of the handheld units that exist today. Most of the larger game systems require 400 watts but it should say on the bottom of the unit what the rating is.

I don't know if it will run standalone systems like play stations, but it is worth a try.

If the unit pulls too much amperage, then the inverter will just shut it off and you cycle the key, and it will reset it.

I have a Ram truck and it has the exact same outlet and it will charge my computer while I am using it, which is about the same as one of these game units.

If this does not work, then I would suggest just getting an add on outlet that you can get a kit for pretty cheap. If you google how to add an outlet there are all sorts of websites out there.

Take a look at the attachments and let us know if you have other questions.
Was this
answer
helpful?
Yes
No
Saturday, January 15th, 2022 AT 6:11 PM
Tiny
ETERNALARIANNE
  • MEMBER
  • 232 POSTS
Thanks Joe and Kenny. The 1.3A I got from dividing the wattages by the voltage (I found that out when calculating how much I can run on my 5000W generator).
Was this
answer
helpful?
Yes
No
Sunday, January 16th, 2022 AT 3:02 AM
Tiny
KASEKENNY
  • MECHANIC
  • 18,907 POSTS
Yep. Great job in calculating that. Most of these devices also have an initial amp draw.

That first spike when it kicks on is going to be the highest draw so as long as that is below the 1.3A you should be fine.
Was this
answer
helpful?
Yes
No
Sunday, January 16th, 2022 AT 8:34 AM
Tiny
ETERNALARIANNE
  • MEMBER
  • 232 POSTS
So, I was looking into those outlet addon kits you mentioned. Seems most of them wire directly into the battery and can provide up to 1000W or more. My question is would I need to upgrade the alternator or would the factory one be enough to provide that kind of current?
Was this
answer
helpful?
Yes
No
Sunday, January 16th, 2022 AT 8:36 AM
Tiny
KASEKENNY
  • MECHANIC
  • 18,907 POSTS
Nope. It will be fine. Keep in mind this is the same calculation that you just did.

Your alternator is rated up to 130A output. So that means if you have a 12-volt system and add a 1000W capable outlet then that is going to draw 83 amps.

Clearly if you have a bunch of stuff on at the same time then you can overdraw the alternator and will start to drain the battery but just be aware of that and you will be fine.
Was this
answer
helpful?
Yes
No
Sunday, January 16th, 2022 AT 8:55 AM
Tiny
ETERNALARIANNE
  • MEMBER
  • 232 POSTS
Okay, I just wanted to be sure. I've heard of people upgrading the alternator in cars to put out more, but I'm glad this van has a beefy one from the factory.
Was this
answer
helpful?
Yes
No
Sunday, January 16th, 2022 AT 11:04 AM
Tiny
KASEKENNY
  • MECHANIC
  • 18,907 POSTS
Yep. Sounds good. Most minivans use a larger one but that is a common upgrade. If you want to do it then you are not going to hurt anything, but I think you will be okay.

Thanks for updating us. Let us know if you need any other info.

Thanks
Was this
answer
helpful?
Yes
No
Sunday, January 16th, 2022 AT 11:25 AM

Please login or register to post a reply.