Monday, November 23rd, 2020 AT 8:23 PM
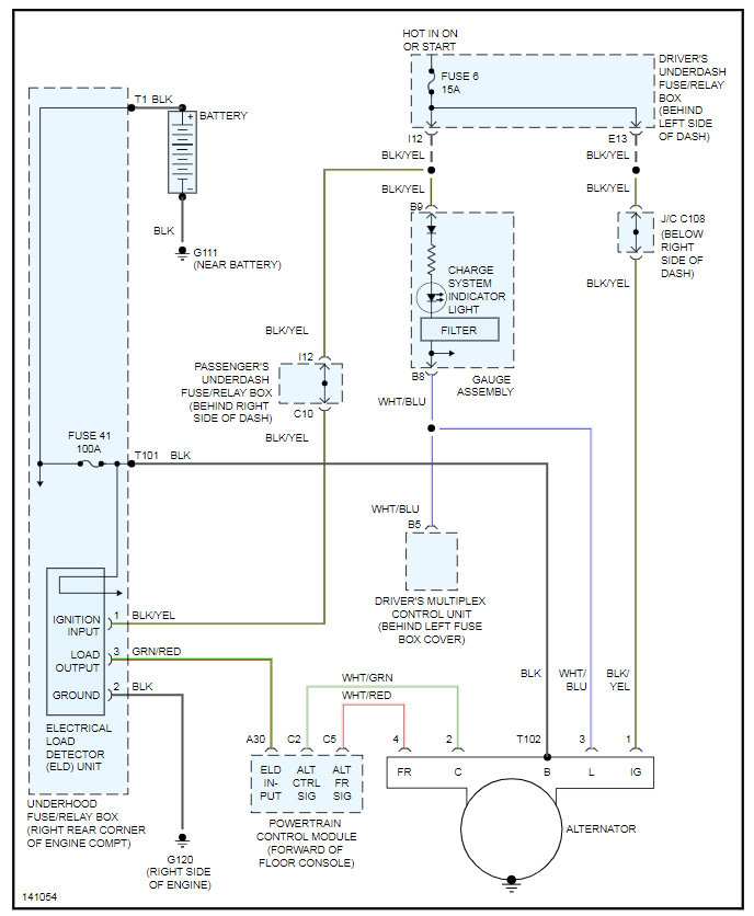
Recently my friend asked for help switching his battery in his car listed above. Being the master mechanic that I am, I switched the terminals and blee his 100 amp fuse. I realized immediately what I had done. We ran to three auto parts stores to find a matching 100 amp bolt on style fuse but had no luck. The solution was to use a 80 amp fuse of the same style. Should I worry about that fuse blowing while he is on the road? Is an 80 amp safe to replace a 100 amp for this car?



