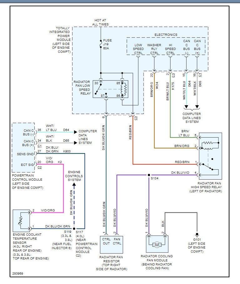
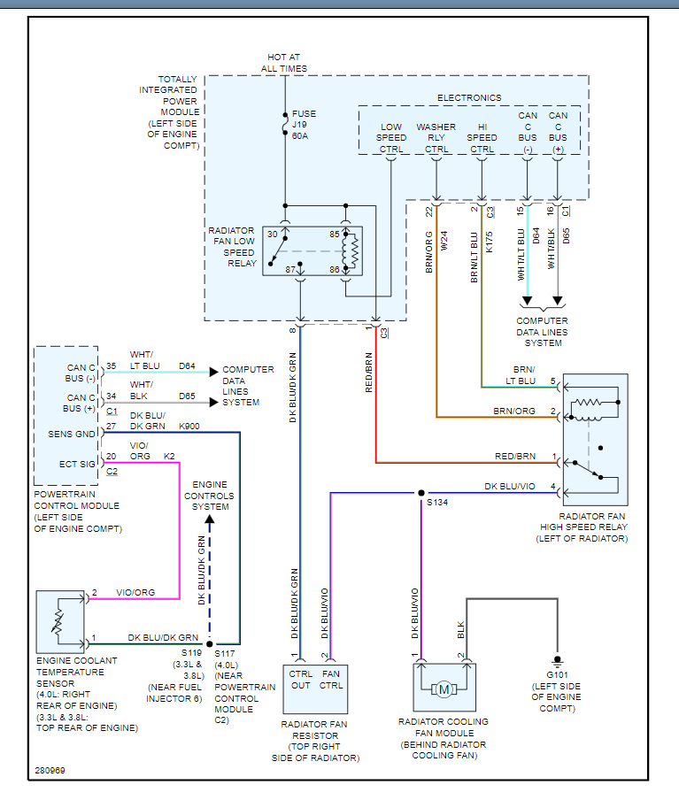
I've had this problem for awhile now and have noted that I never hear the radiator cooling fan come on to high speed with the A/C running. Previous vehicles I've owned have all had the rad fan come on high speed with the A/C running. This van is not doing that and it's getting annoying.
Just today I unplugged the coolant temp sensor and started the van. The fan came on to high speed a few seconds after the engine was started and stayed there.
Shut it off, reconnected the sensor, started it again, and it was idling quiet like it normally does. Turned on the A/C and then stood around having a smoke while I waited for the rad fan to turn on. After 10 minutes it still wasn't on so I took the van out on the road.
On the county road, at speed, I get meager cool air from the vents as I've come to expect from it. When I turn back into the neighborhood and slow down the cool air all but disappears again.
Pulled into the driveway and left it idle. Engine was up to normal operating temp (needle in the middle of the gauge or slightly below) and left it idle for a bit. Low speed fan kicked on for less than a minute and shut off again. A/C was on the whole time and the temperature inside the van went up instead of down as it was blowing hot air from the vents.
Took it back out on the country road (55 MPH) and I was getting cooler air from the vents again after about 20 seconds. Turned around came back home and parked it at idle in the driveway and it had already started blowing warm air from the vents again.
Just for giggles I shut it off, disconnected the coolant temp sensor again (ouch) and started it back up. Fan came on high speed a few seconds after it was running at idle. Went for a drive and it was blowing hot air out of the vents. I'm guessing maybe its a safety thing with the computer trying to bleed off heat any way it can since it can't see the coolant temperature. Having the A/C on or off didn't matter it was hot for the 5 minutes I was driving.
Stopped in a parking lot, turned it off, reconnected the sensor, started it again. Radiator fan was off, A/C was on, drove back home and was greeted with cooler air from the vents about 20 seconds after getting up to highway speed again.
I was hoping that disconnecting the sensor would put the fans on the whole time and allow me to verify that the A/C was actually working by blowing cold (not cool) air.
I forgot to stick a thermometer in the vent before I started all this, but in the past it would be somewhere between 70 and 80F when cruising down the Interstate, and go up to 100F or more when driving city or neighborhood streets.
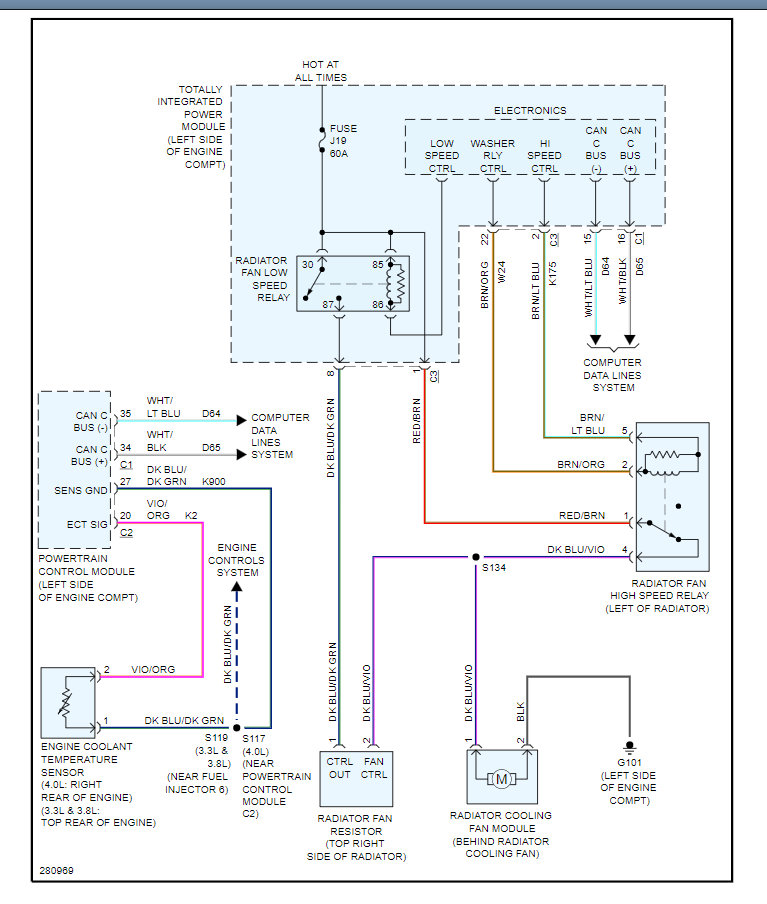
It seems to me that the fan not running at high speed is the problem. I know the fan and relays and control circuit work because when I disconnected the temperature sensor it put the fan to high speed right away, reconnecting it stopped that.
I've had the A/C checked earlier this year at it was still charged from when I had it checked last fall, so it isn't leaking refrigerant. I haven't checked it since then but assume if it nots leaking then it's still charged. The fact that if I gun the engine to get up to speed to enter the freeway and it tries to blow cold air for those few seconds tells me the compressor is working.
I'm guessing that the radiator fan not running at all with the A/C turned on is the culprit. I'm looking to confirm that or follow another viable alternative to diagnose this problem so I can fix it or get it fixed. Any help is appreciated.
I've worked on cars plenty in the past, but never professionally. I was a diesel mechanic in the military, and I spent a few years working on transit busses after getting my discharge. I'm no stranger to tools or getting dirty, and I'm also a pretty technical guy working my job as an IT professional for the last 20+ years. I've got wrenches and screwdrivers and air tools and a gauge set and a multimeter among other things. I replaced fuel injectors, wheel bearings, shocks and struts, alternators, lifter rods, and various electrical bits on passenger cars and trucks over the last couple decades (I have the tools, so all the friends come to use my garage, and my tools, and me).
With all that, I have to say I'm at a bit of a loss with this specific problem.
Also, sorry for the long-winded explanation here. I've found its better to be reasonably specific when describing these kinds of problems.
Wednesday, August 11th, 2021 AT 2:25 PM










