Tuesday, May 12th, 2020 AT 9:53 AM
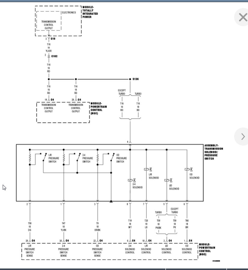
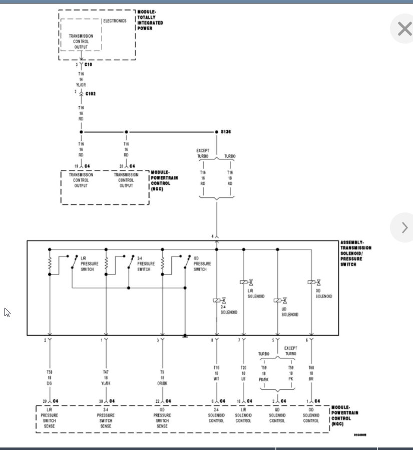
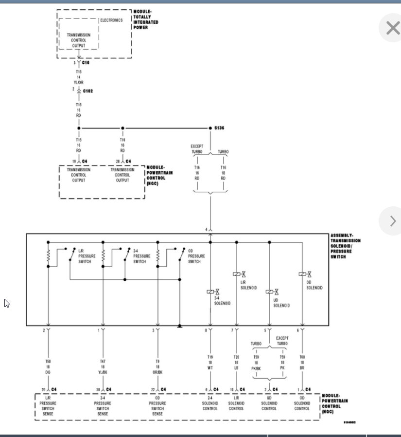
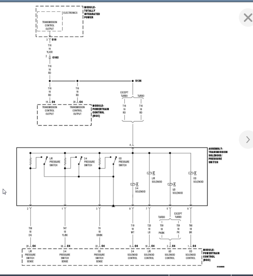
Second gear only. Refuses to up shift. The one code indicated that there was issue with shift solenoid. I found a kit online that supplied the entire solenoid pack, input and out put speed sensors, filter and pan gasket. I got them put them all on and still limp mode. What is your opinion of what should be my next move on this car?














