Gas pedal will not do anything, codes U0107, P0700, P1780, P0455

Tiny
DAVID FOCUSEDONME COLLINS
  • MEMBER
  • 2005 CHEVROLET EQUINOX
  • 6 CYL
  • 4WD
  • AUTOMATIC
  • 129,000 MILES
I was driving one day and my pedal stop working, it does nothing. I replaced the throttle body completely and that didn't work. So I replaced the vapor canister purge valve still nothing. My car the whole time is in low power mode. I got the car scanned before I changed anything I got the codes u0107, p0700, p1780, p0455. Please help me I need my car. I'm disabled that's the only way I can get around.
Friday, October 18th, 2019 AT 1:11 PM

5 Replies

Tiny
ASEMASTER6371
  • MECHANIC
  • 52,796 POSTS
Good afternoon,

The 1780 is the key. That is a code for the PCM internal processor error. That would also cause all the other codes as well.

You need to replace the PCM, have it flashed to your vin and the retest for any codes after driving it.

Roy

P1780
Descriptor
Af33-5
Probable Causes
Powertrain Control Module (PCM)

1. Using a scan tool, retrieve the percentage of remaining engine oil and the remaining automatic transmission fluid life. Record the remaining engine oil and the remaining automatic transmission fluid life.

IMPORTANT:
- It is necessary to record the remaining engine oil life. If the replacement module is not programed with the remaining engine oil life, the engine oil life will default to 100%. If the replacement module is not programmed with the remaining engine oil life, the engine oil will need to be changed at 5000 km (3,000 mi) from the last engine oil change.
- It is necessary to record the remaining automatic transmission fluid life. If the replacement module is not programed with the remaining automatic transmission fluid life, the automatic transmission fluid life will default to 100%. If the replacement module is not programmed with the remaining automatic transmission fluid life, the automatic transmission fluid will need to be changed at 83000 km (50,000 mi) from the last automatic transmission fluid change.

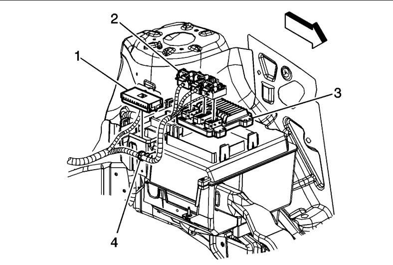
ImageOpen In New TabZoom/Print

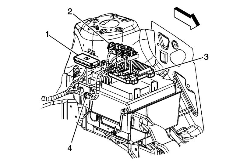
2. Remove the powertrain control module (PCM) (1) and PCM bracket (2) from the battery box cover.

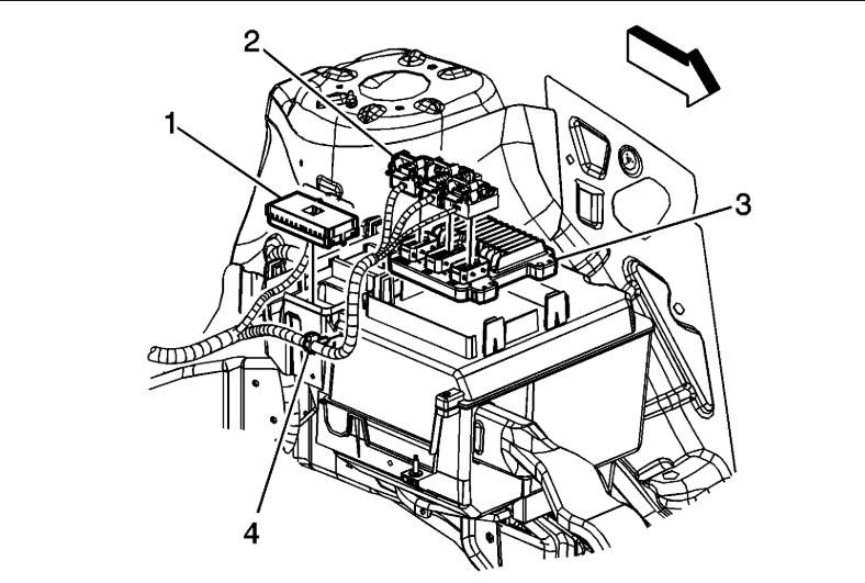
ImageOpen In New TabZoom/Print

3. Remove the PCM bracket (2) from the PCM (1).
4. Disconnect the PCM wire harness (4) from the battery box cover.
5. Disconnect the negative battery cable.
6. Remove the PCM connectors (2) from the PCM (3).
7. Remove the PCM (3) from the vehicle.

INSTALLATION PROCEDURE

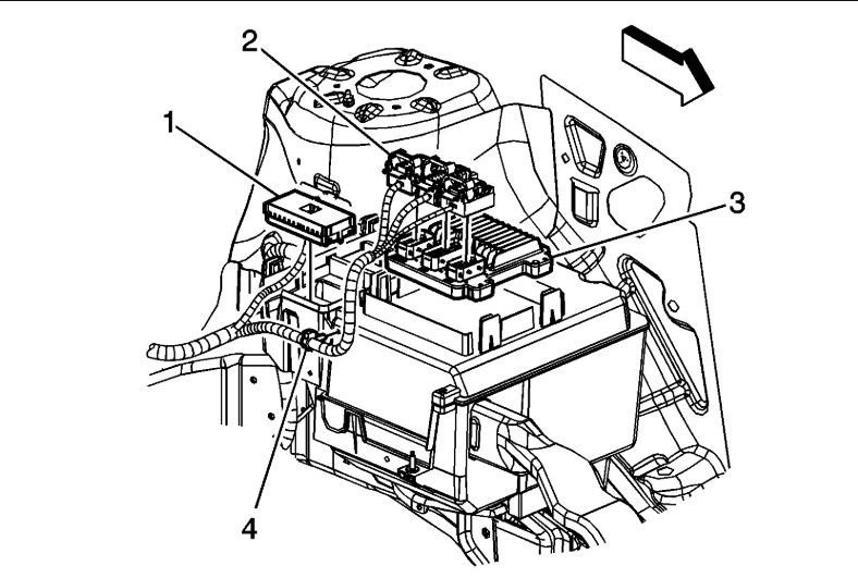
imageOpen In New TabZoom/Print

1. Install the PCM (3) to the vehicle.
2. Install the PCM connectors (2) to the PCM (3).
3. Connect the negative battery cable.

ImageOpen In New TabZoom/Print

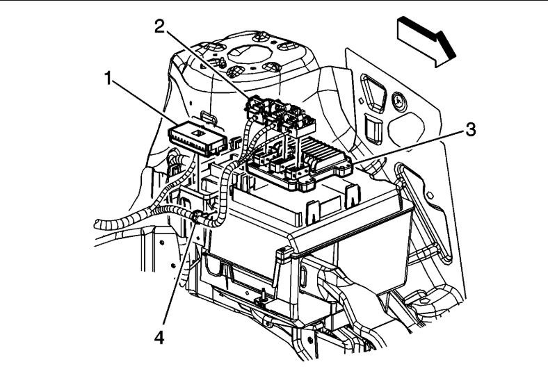
4. Connect the PCM wire harness (4) to the battery box cover.

ImageOpen In New TabZoom/Print

5. Install the PCM bracket (2) to the PCM (1).
6. Install the PCM bracket (1) to the battery box cover.
7. Reprogram the PCM. See: Vehicle > Programming and Relearning
Was this
answer
helpful?
Yes
No
Friday, October 18th, 2019 AT 1:41 PM
Tiny
DAVID FOCUSEDONME COLLINS
  • MEMBER
  • 3 POSTS
Could it possibly be a fuse somewhere?
Was this
answer
helpful?
Yes
No
Friday, October 18th, 2019 AT 1:58 PM
Tiny
ASEMASTER6371
  • MECHANIC
  • 52,796 POSTS
No not at all. The fact the car runs says it is not a power issue.

Roy
Was this
answer
helpful?
Yes
No
Friday, October 18th, 2019 AT 2:05 PM
Tiny
DAVID FOCUSEDONME COLLINS
  • MEMBER
  • 3 POSTS
Okay, do you have a link I can see how much it cost?
Was this
answer
helpful?
Yes
No
Friday, October 18th, 2019 AT 2:06 PM
Tiny
ASEMASTER6371
  • MECHANIC
  • 52,796 POSTS
You can call around to parts stores or go to rock auto. Com

Roy
Was this
answer
helpful?
Yes
No
Friday, October 18th, 2019 AT 6:56 PM

Please login or register to post a reply.