Immobilizer wiring diagrams needed

2005 ACURA TL
250,000 MILES • 3.2L • V6 • 2WD • AUTOMATIC
Avatar
05ACURATL
  • MEMBER
  • 37 POSTS
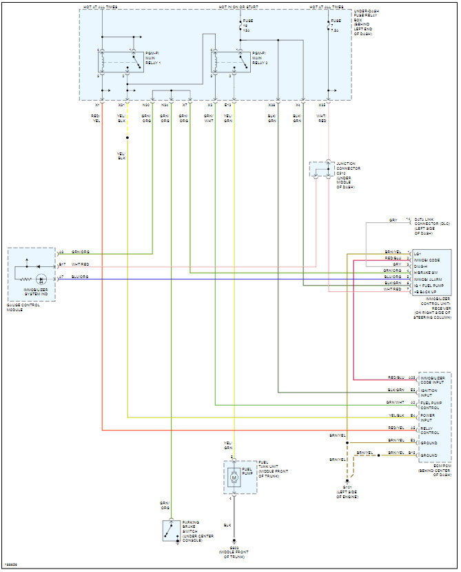
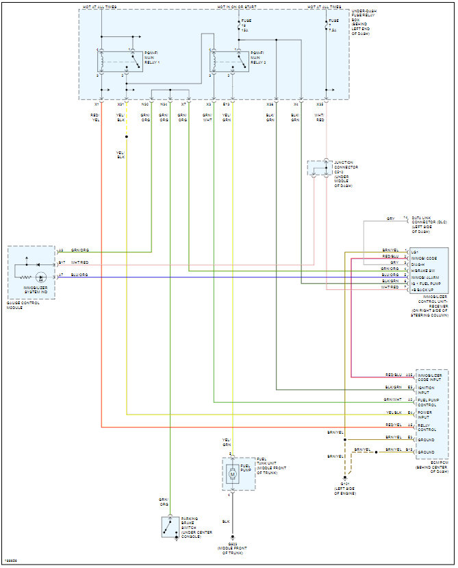
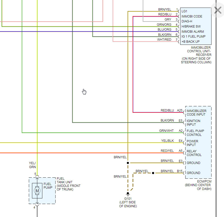
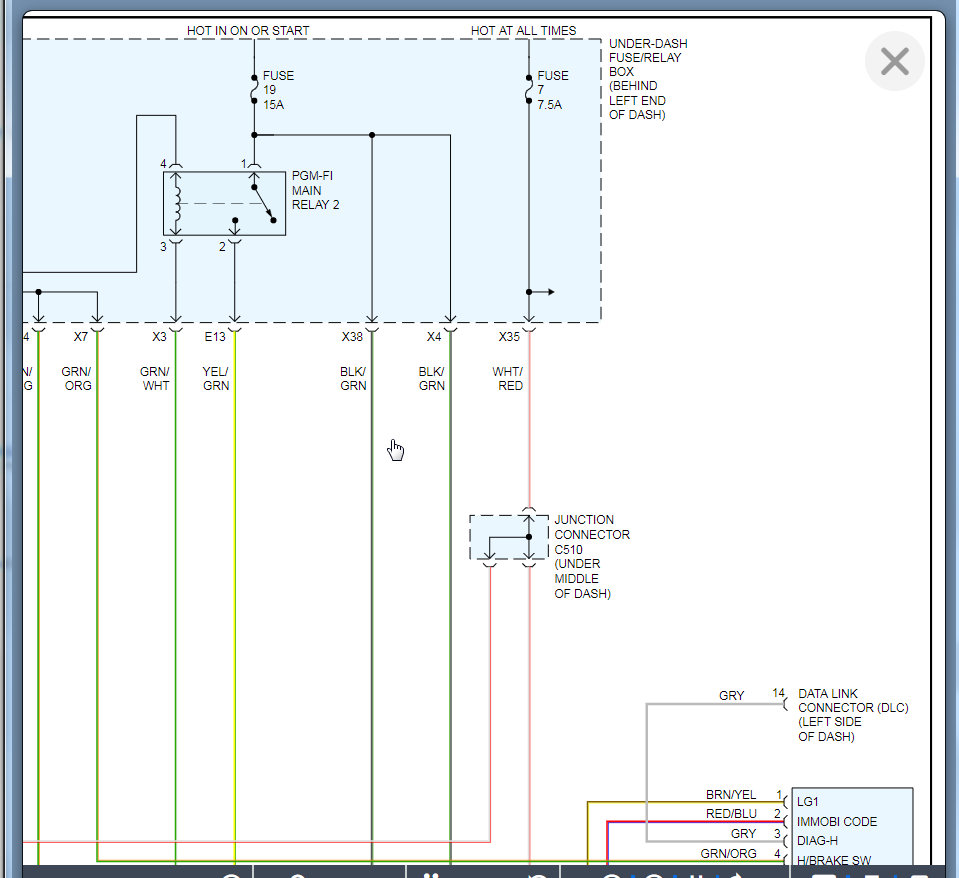
I need the Immobilizer Circuit Diagram for the vehicle listed above. Thanks
Feb 10, 2021 at 8:19 PM
Repair Safety Notice: This information is for general instructional purposes only. Vehicle repair can be dangerous. Verify all information, follow manufacturer service procedures, use proper tools and safety equipment, and consult a qualified repair shop when needed.
Advertisement
Avatar
KASEKENNY
  • CAR REPAIR CONTRIBUTOR
  • 18,907 POSTS
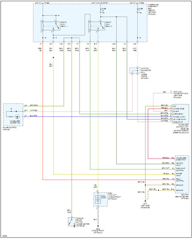
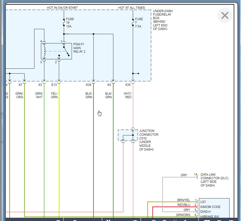
I am attaching the complete circuit diagram. Check out the diagrams (Below). Please let us know if you need anything else to get the problem fixed. Let me know if you need more info. Thanks
Feb 11, 2021 at 5:05 PM
Advertisement