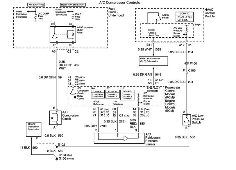
I had recently replaced a fuse that was disengaging occasionally, which was causing the driver side portion of the dual zone to stop running AC (would start blowing engine temperature air).
After the AC quit I also noticed that the zone control knob was not working either. No matter which direction I switch it to it always stays on the torso setting for blowing air.
Any thoughts?
Thanks!
Tuesday, September 18th, 2018 AT 10:32 AM


