Sunday, March 6th, 2022 AT 6:09 PM
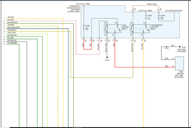
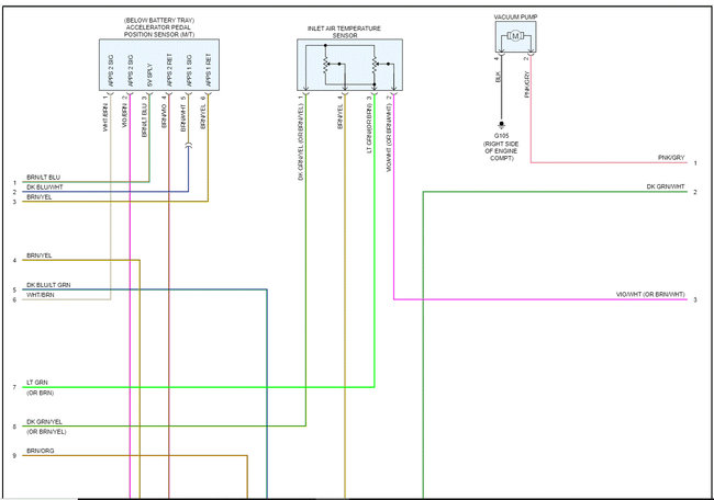
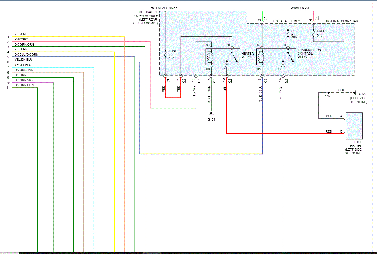
I have the truck listed above with a Turbo Diesel Cummins 5.9L. The truck runs and idles fine and may shut off unexpectedly for no reason intermittently. The fuel pump was changed with an OEM part from the dealer, but still happening. Check engine light remains off while engine is running, but it has four codes stored in the computer: P0628, P1652, P1652, and P0628. Two sensors have already been changed as well with no effect. Therefore, the fuel pump and two sensors have been changed with no joy. Troubleshooting for my friend and at this moment I am taking over the job. This is the information I have. I scanned for the OBD2 codes myself. See photos of sensors that have been changed. One is on the fuel rail I believe, and the other is in an engine driven pump I believe. I ran and idled the truck for 32 minutes and could not duplicate the problem. The owner is afraid to go take it for a drive and have it shut off resulting in a tow. I ran the truck back and forth down the street and could not duplicate the problem. Should I clear the codes first and try again? The codes should help pinpoint. I think it is low circuit voltage for the fuel pump. Is this common?


























