Sunday, September 23rd, 2018 AT 3:19 PM
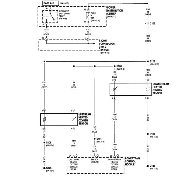
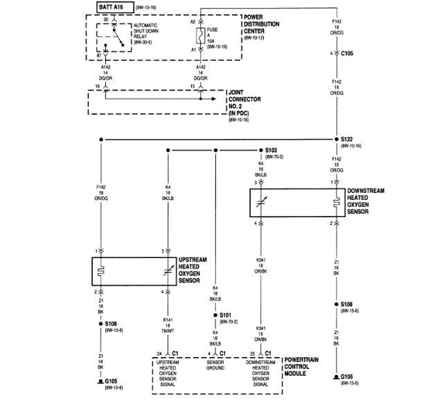
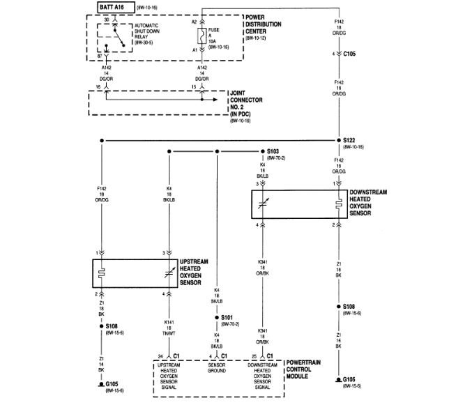
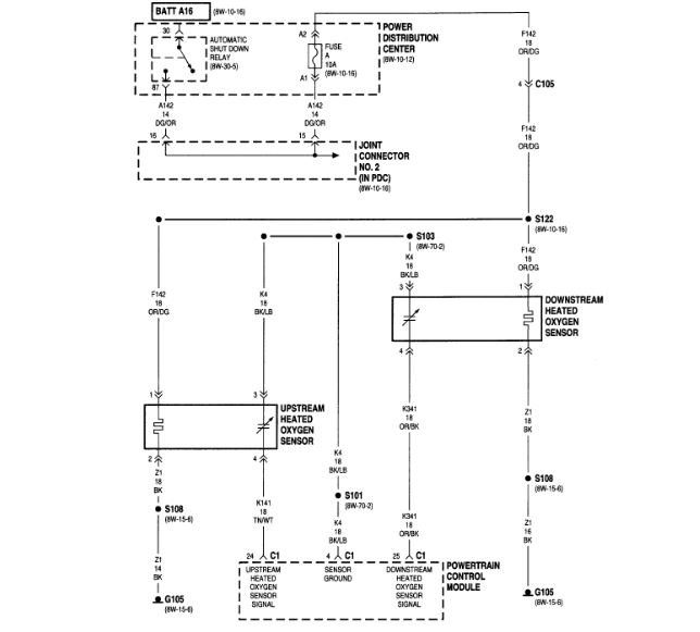
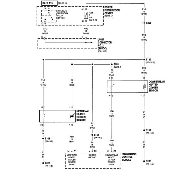
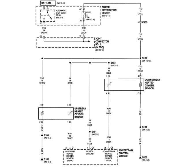
I am replacing my upstream 02 sensor and the plug that goes up into the frame broke off and there is not any room to splice another end on it. I cannot find where it goes to try and pull it back where I can get some room to splice it. Cannot find a 02 sensor wiring diagram.




