Oxygen sensor replacement instructions please with locations?

Tiny
ADAM614035
  • MEMBER
  • 2007 DODGE RAM
  • 3.7L
  • 6 CYL
  • 2WD
  • AUTOMATIC
  • 123,631 MILES
Check engine light came on so I took my truck to AutoZone. Their diagnostic machine said it was a downstream number two o2 sensor. Is there a diagram that can show me where exactly it is and what bank it could be? Thanks in advance!
Sunday, February 24th, 2019 AT 1:08 PM

34 Replies

Tiny
JACOBANDNICKOLAS
  • MECHANIC
  • 110,189 POSTS
Hi and thanks for using 2CarPros.

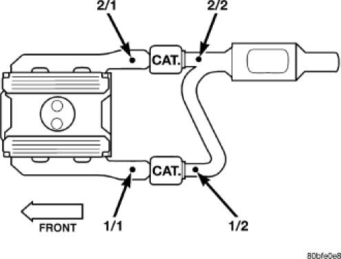
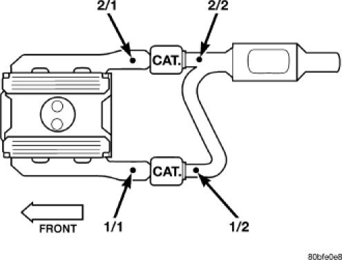
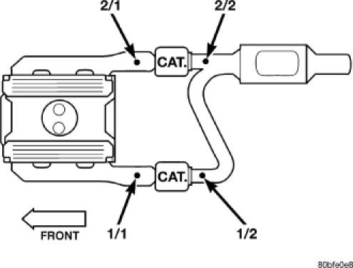
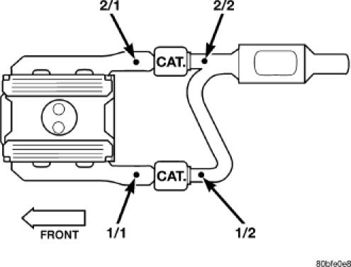
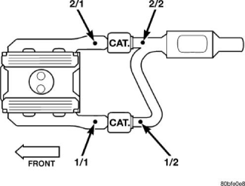
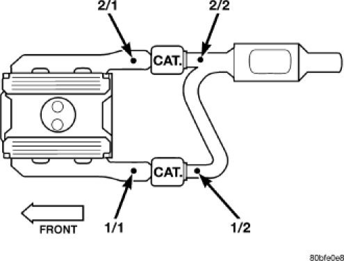
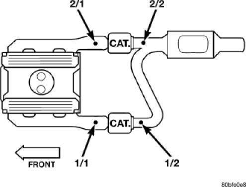
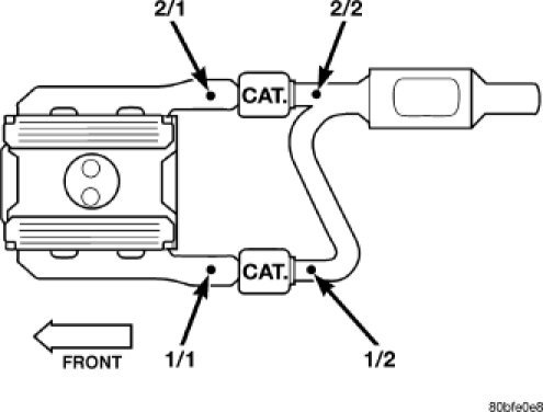
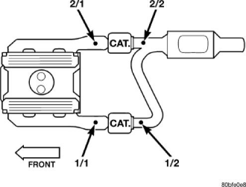
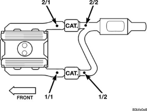
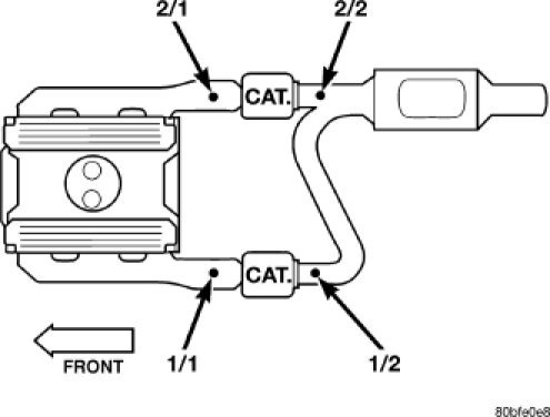
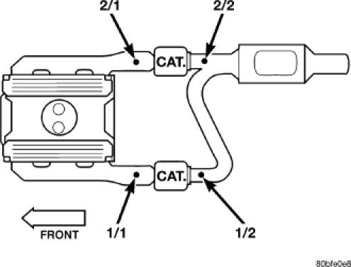
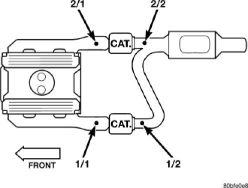
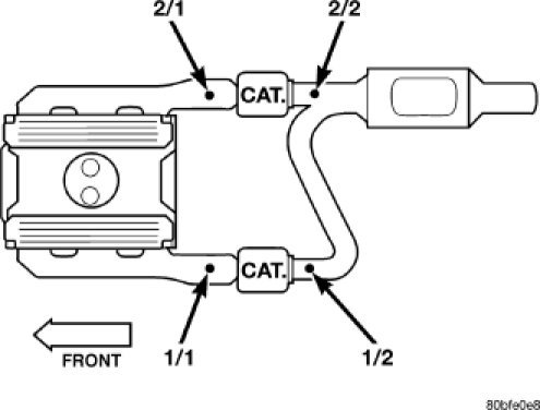
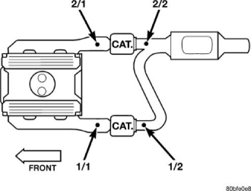
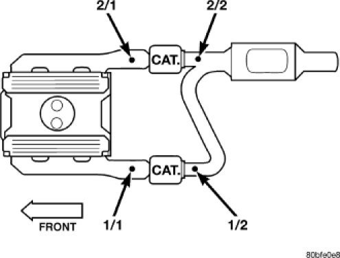
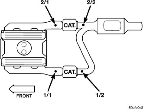
Here are the directions for removal and replacement. The attached picture shows location. Based on what you indicated, you are looking for 2/2 in the picture.

Here is a link that shows in general how to replace one:

https://www.2carpros.com/articles/how-to-replace-an-oxygen-sensor

Let me know if this helps or if you have other questions.

Take care,
Joe
Was this
answer
helpful?
Yes
No
+5
Sunday, February 24th, 2019 AT 9:01 PM
Tiny
ADAM614035
  • MEMBER
  • 8 POSTS
Thank you very much guys. I also forgot to mention that I replaced 2/2 before and it didn't fix the check engine light. In that case would you recommend changing 1/2 as well as 2/2 just to make sure?
Was this
answer
helpful?
Yes
No
Monday, February 25th, 2019 AT 5:50 AM
Tiny
JACOBANDNICKOLAS
  • MECHANIC
  • 110,189 POSTS
Welcome back:

Honestly, before I arbitrarily answer that, could you provide the trouble code that was found? I would hate to say replace the other one and waste your money.

(since the new sensor was installed, has the computer been cleared)? If so, did the light come back on with the same code?

If possible, let me know the code. The sensor may not be the problem but rather a resistance issue in the wiring or other problem which is causing the sensor to fail.

Let me know.

Joe
Was this
answer
helpful?
Yes
No
+1
Monday, February 25th, 2019 AT 8:48 PM
Tiny
ADAM614035
  • MEMBER
  • 8 POSTS
The code is p0161, I tried clearing the code when I last changed it but it wouldn't go away.
Was this
answer
helpful?
Yes
No
Tuesday, February 26th, 2019 AT 4:50 AM
Tiny
JACOBANDNICKOLAS
  • MECHANIC
  • 110,189 POSTS
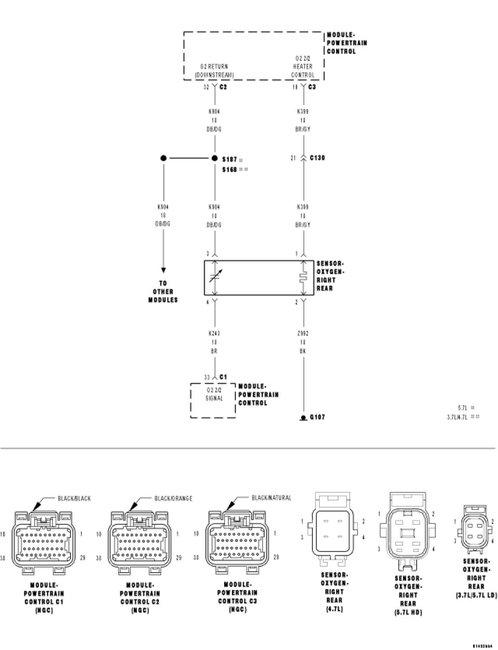
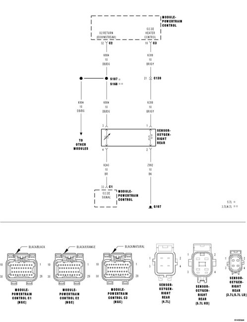
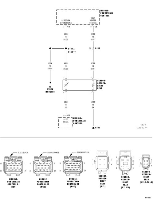
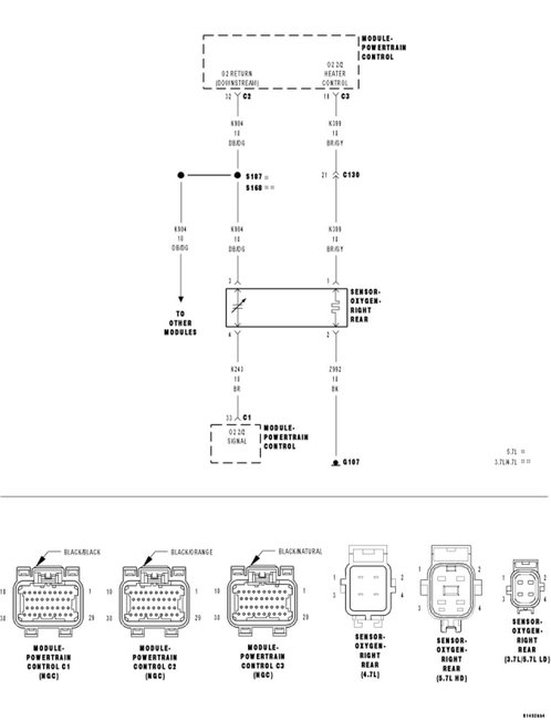
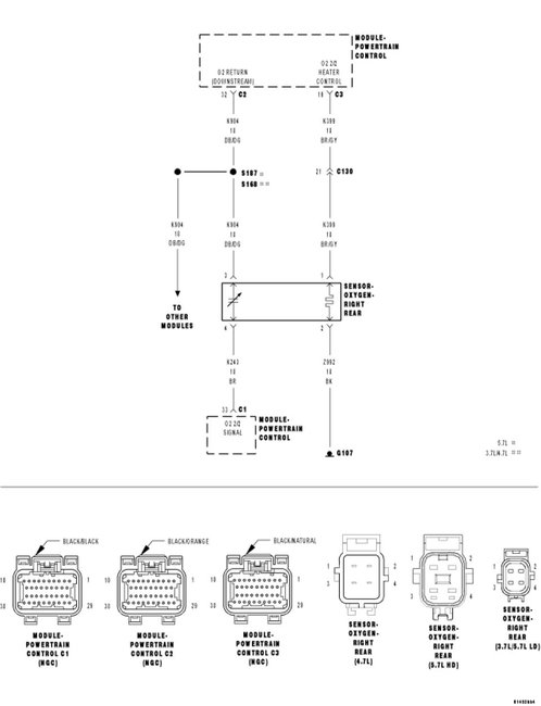
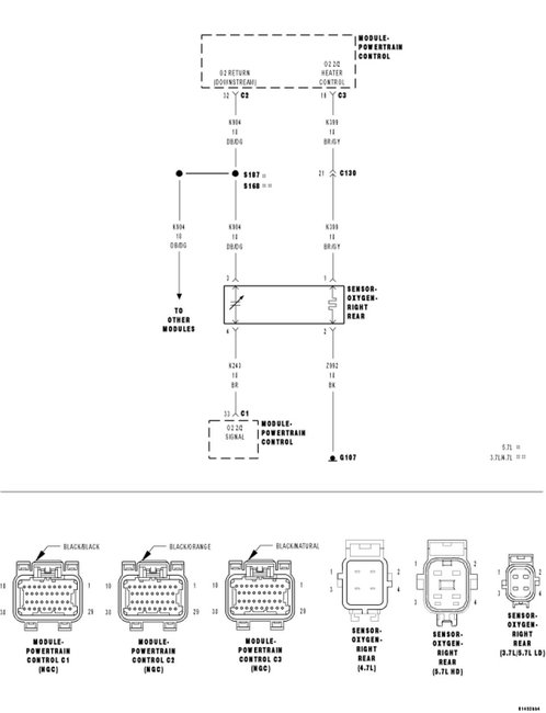
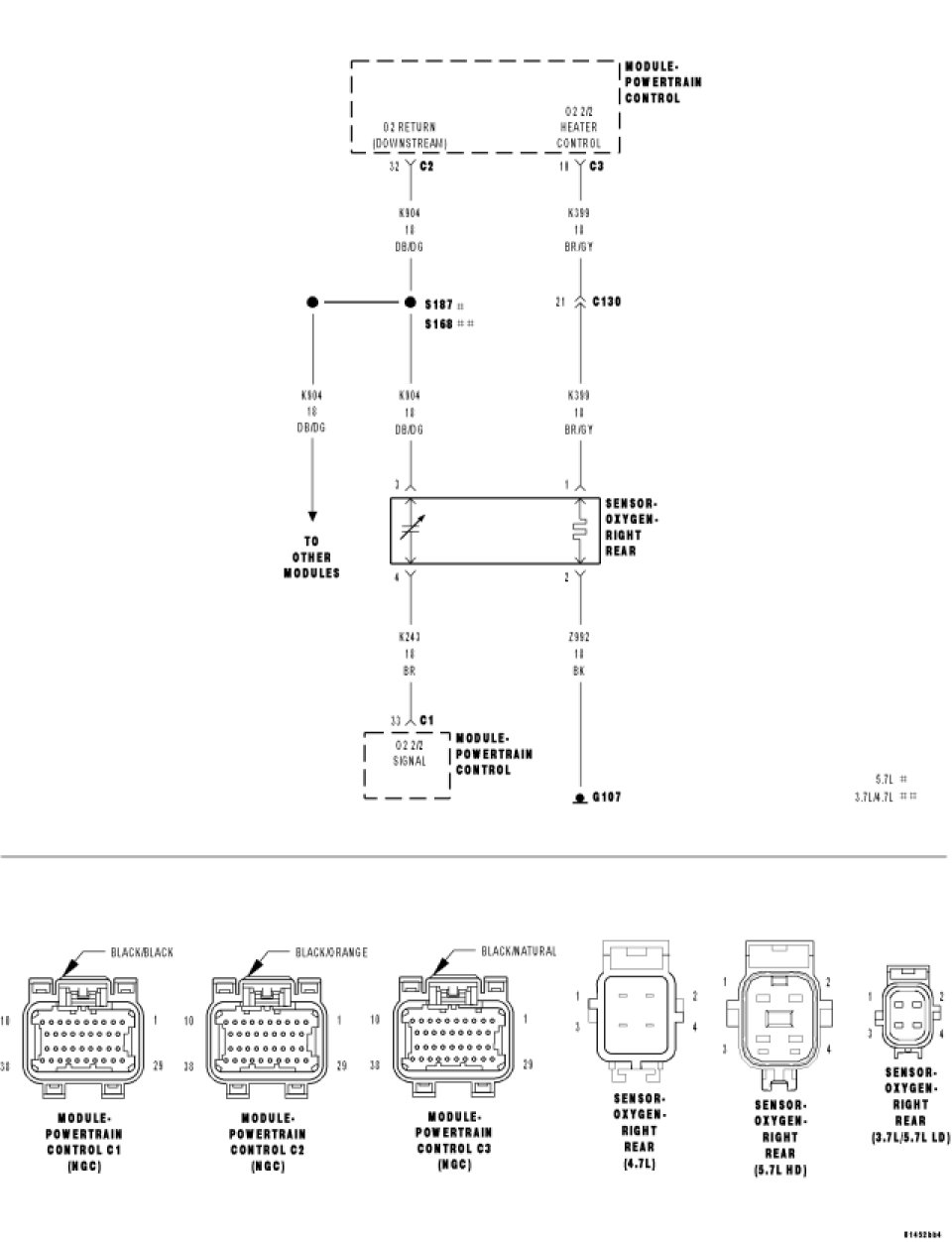
Welcome back: Check out the diagrams (Below).

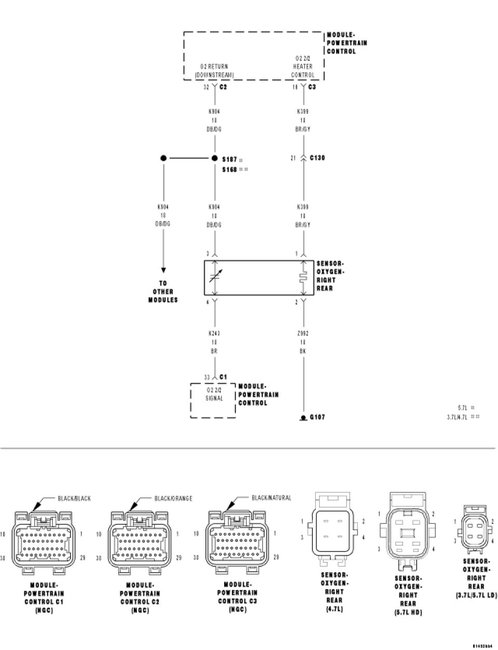
That code is related to the sensor you replaced. I feel confident replacing the other sensor will not help and will be a waste of money. Here is the problem. The circuit is open. Basically there is either a broken wire going to the sensor, one of the pins at the PCM or sensor or PCM is corroded and not allowing power to flow or the PCM itself has failed. Most likely it corrosion or a broken wire. Also, if you had connections apart, make sure none of the pins in the plug were pushed in and not making contact.

I hate to do this, but I am going to provide a diagnostic flow chart related specifically to this code. If you can work slowly through it, you will find the problem. Also, before starting the procedure, confirm that wiring to the sensor isn't damaged, broken, or disconnected at any point. Additionally, pay attention when checking the wiring anywhere it could touch an engine or exhaust component. I have often times seen wiring that breaks internally under the insulator and although you can't see the break, you can feel it with your hands. You can also check the wire for continuity.

Here are the directions. Note that the pictures correlate with these directions. I will provide links at the end that will help with testing.

P0161-O2 SENSOR 2/2 HEATER PERFORMANCE

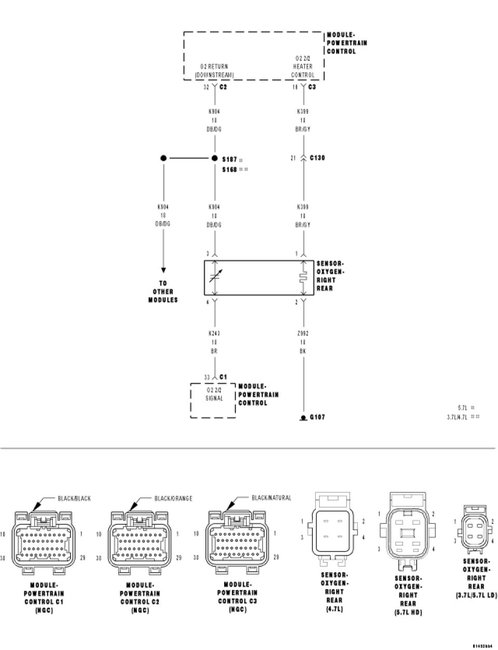
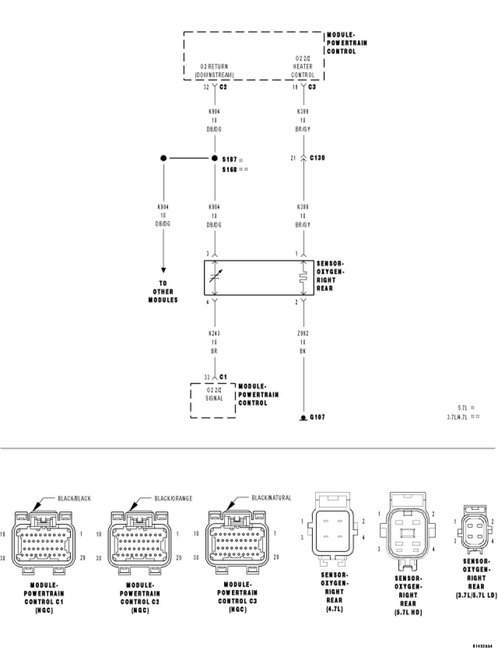
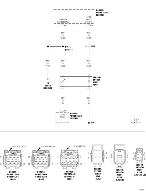
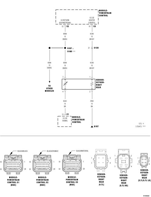
For complete wiring diagrams refer to Diagrams/Electrical.

- When Monitored:

Continuously during O2 sensor heater operation with battery voltage between 10.4 and 15.75 volts and no O2 sensor circuit DTCs present.

- Set Condition:

The PCM detects no temperature change in the O2 sensor heater element when the heater circuit is active. The heater temperature is obtained by measuring the heater resistance and calculating the heater temperature. Two trip fault. Three good trips to turn off the MIL.
Always perform the Pre-Diagnostic Troubleshooting procedure before proceeding. TESTING.

Diagnostic Test

1. O2 SENSOR HEATER OPERATION

Turn the ignition off.

NOTE: Wait a minimum of 8 minutes to allow the O2 Sensor to cool down before continuing the test. Allow the O2 Sensor voltage to stabilize between 4.6 and 5.0 volts.

Ignition on, engine not running.

With a scan tool, actuate the O2 Heater Test.

With a scan tool, monitor 2/2 O2 Sensor voltage for at least 2 minutes.

Does the voltage stay above 4.5 volts?

Yes

- Go To 2

No

- Refer to the INTERMITTENT CONDITION Diagnostic Procedure. See: Computers and Control Systems > Component Tests and General Diagnostics > Intermittent Condition

2. O2 SENSOR HEATER ELEMENT

Turn the ignition off.

NOTE: Allow the O2 sensor to cool down to room temperature.

Disconnect the O2 Sensor harness connector.

Measure the resistance of the 2/2 O2 Heater Element, between the O2 Heater Control terminal and the O2 Heater ground terminal in the O2 Sensor connector.

NOTE: O2 Heater Element resistance values should be measured at 21.1° C (70° F). The resistance value will vary with different temperature values.

Is the resistance of the O2 Sensor Heater Element between 2.0 and 30.0 ohms?

Yes

- Go To 3

No

- Replace the O2 Sensor.
- Perform POWERTRAIN VERIFICATION TEST. See: A L L Diagnostic Trouble Codes ( DTC ) > Verification Tests > Powertrain Verification Test

3. (K399) O2 2/2 HEATER CONTROL CIRCUIT OPEN

Disconnect the C3 PCM harness connector.

CAUTION: Do not probe the PCM harness connectors. Probing the PCM harness connectors will damage the PCM terminals resulting in poor terminal to pin connection. Install Miller Special Tool #8815 to perform diagnosis.

Measure the resistance of the (K399) O2 2/2 Heater Control circuit from the O2 harness connector to the appropriate terminal of special tool #8815.

Is the resistance below 0.5 of an ohm?

Yes

- Go To 4

No

- Repair the excessive resistance in the (K399) O2 2/2 Heater Control circuit.
- Perform POWERTRAIN VERIFICATION TEST. See: A L L Diagnostic Trouble Codes ( DTC ) > Verification Tests > Powertrain Verification Test

4. (Z992) O2 2/2 HEATER GROUND CIRCUIT OPEN

Using a 12 volt test light connected to 12 volts, check the (Z992) Ground circuit in the 2/2 Oxygen Sensor harness connector.

NOTE: The test light should be illuminated and bright. Compare the brightness to that of a direct connection to the battery.

Is the test light illuminated and bright?

Yes

No

- Repair the excessive resistance in the (Z992) O2 2/2 Heater ground circuit.
- Perform POWERTRAIN VERIFICATION TEST. See: A L L Diagnostic Trouble Codes ( DTC ) > Verification Tests > Powertrain Verification Test

5. PCM

NOTE: Before continuing, check the PCM harness connector terminals for corrosion, damage, or terminal push out. Repair as necessary.

Using the schematics as a guide, inspect the wire harness and connectors. Pay particular attention to all Power and Ground circuits.

Were there any problems found?

Yes

- Repair as necessary.
- Perform POWERTRAIN VERIFICATION TEST. See: A L L Diagnostic Trouble Codes ( DTC ) > Verification Tests > Powertrain Verification Test

No

- Replace and program the Powertrain Control Module.
- Perform POWERTRAIN VERIFICATION TEST. See: A L L Diagnostic Trouble Codes ( DTC ) > Verification Tests > Powertrain Verification Test

Picture 5 shows the PCM and its location. The Powertrain Control Module (PCM) is located in the right-rear section of the engine compartment under the cowl. Now, two different PCM's are used (JTEC and NGC). These can be easily identified. JTEC's use three 32-way connectors, NGC's use four 38-way connectors.

Now, the tests I included require the use of a volt meter or multi meter and a test light. Here are links that show how they are used. Also, I included a link that shows how to check wiring.

https://www.2carpros.com/articles/how-to-use-a-test-light-circuit-tester

Don't be intimidated by the directions. Simply take your time and do one thing at a time.

Also, if you still can't get the engine light to reset, do this. Disconnect the battery (both negative and positive terminals). Using a zip tie, strap the terminal ends together and let them like that for about fifteen minutes. This will drain power from the capacitors and should reset the system.

Let me know if I can help or if you have other questions. Honestly, my first suspect is a corrosion issue at one of the plugs or a broken wire. The code indicates an open circuit, so basically, power can not flow. It's link a light switch in the off position.

Check out the diagrams (Below). Please let us know what you find.
Was this
answer
helpful?
Yes
No
+1
Tuesday, February 26th, 2019 AT 5:58 PM
Tiny
ADAM614035
  • MEMBER
  • 8 POSTS
Thank you for all this information. I've never done any testing like this before but with the amount of detail you have given me I have no doubt in finding the issue. I will test everything this weekend and let you know what I find out!
Was this
answer
helpful?
Yes
No
+1
Wednesday, February 27th, 2019 AT 7:35 AM
Tiny
JACOBANDNICKOLAS
  • MECHANIC
  • 110,189 POSTS
Welcome back, Adam. Let me know what you find. If you run into trouble or need help, let me know.

Take care,
Joe
Was this
answer
helpful?
Yes
No
Wednesday, February 27th, 2019 AT 7:48 PM
Tiny
ADAM614035
  • MEMBER
  • 8 POSTS
Long time no talk Joe, I had some trouble with the diagnostic so I broke down and took it to a mechanic, $100.00 and six hours later they determined it was in fact the PCM but they wouldn't touch it. I took it to the dealership and they agreed but want $500.00 for a new PCM and who knows how much more for the labor. Is there a website you could recommend buying a PCM that is already programmed and all I have to do is replace the old one? If not do you think that price is good to have a dealership replace it or are they giving me the run around? As always thank you for your help and I look forward to hearing from you soon.
Was this
answer
helpful?
Yes
No
Friday, April 26th, 2019 AT 12:53 PM
Tiny
JACOBANDNICKOLAS
  • MECHANIC
  • 110,189 POSTS
Welcome back:

As far as the PCM, for a dealership, that is about normal. Honestly, I don't have any contacts for ones that are already programmed. Would they allow you to purchase one and have them program it?

Honestly, I have all the directions for programming and removal and replacement, but it is an extensive process when the PCM is new, and it requires a specific type of scan tool. Regardless, I will provide you with the directions for removal and replacement and what has to be done to program the new one. The attached pictures correlate with these directions.

____________________________________________

POWERTRAIN CONTROL MODULE - REMOVAL
REMOVAL

CAUTION: Certain ABS systems rely on having the Powertrain Control Module (PCM) broadcast the Vehicle Identification Number (VIN) over the bus network. To prevent problems of DTCs and other items related to the VIN broadcast, it is recommend that you disconnect the ABS CAB (controller) temporarily when replacing the PCM. Once the PCM is replaced, write the VIN to the PCM using a scan tool. This is done from the engine main menu. Arrow over to the second page to "1. Miscellaneous". Select "Check VIN" from the choices. Make sure it has the correct VIN entered before continuing. When the VIN is complete, turn off the ignition key and reconnect the ABS module connector. This will prevent the setting of DTCs and other items associated with the lack of a VIN detected when you turn the key ON after replacing the PCM.

CAUTION: Use the scan tool to reprogram the new PCM with the vehicles original identification number (VIN) and the vehicles original mileage. If this step is not done, a Diagnostic Trouble Code (DTC) may be set.

Pic 1

The PCM (1) is located in the engine compartment attached to the dash panel (3).

Pic 2

To avoid possible voltage spike damage to the PCM, ignition key must be off, and negative battery cable must be disconnected before unplugging PCM connectors.

1. Disconnect negative battery cable at battery.

2. Remove cover over electrical connectors. Cover snaps onto PCM.

3. Carefully unplug the three 32-way connectors (four 38-way connectors if equipped with NGC) from PCM (1).

4. Remove three PCM mounting bolts (4) and remove PCM from vehicle.

____________

POWERTRAIN CONTROL MODULE - INSTALLATION
INSTALLATION

CAUTION: Certain ABS systems rely on having the Powertrain Control Module (PCM) broadcast the Vehicle Identification Number (VIN) over the bus network. To prevent problems of DTCs and other items related to the VIN broadcast, it is recommend that you disconnect the ABS CAB (controller) temporarily when replacing the PCM. Once the PCM is replaced, write the VIN to the PCM using a scan tool. This is done from the engine main menu. Arrow over to the second page to "1. Miscellaneous". Select "Check VIN" from the choices. Make sure it has the correct VIN entered before continuing. When the VIN is complete, turn off the ignition key and reconnect the ABS module connector. This will prevent the setting of DTCs and other items associated with the lack of a VIN detected when you turn the key ON after replacing the PCM.

CAUTION: Use the scan tool to reprogram the new PCM with the vehicles original identification number (VIN) and the vehicles original mileage. If this step is not done, a Diagnostic Trouble Code (DTC) may be set.

Pic 3

1. Install PCM (3) and 3 mounting bolts (4) to vehicle.

2. Tighten bolts. Refer to torque specifications.

3. Check pin connectors in the PCM and the three 32-way connectors (four 38-way connectors if equipped with NGC) for corrosion or damage. Also, the pin heights in connectors should all be same. Repair as necessary before installing connectors.

4. Install three 32-way connectors (four 38-way connectors if equipped with NGC).

5. Install cover over electrical connectors. Cover snaps onto PCM.

6. Install negative battery cable.

7. The 5.7L V-8 engine is equipped with a fully electronic accelerator pedal position sensor. If equipped with a 5.7L, also perform the following 3 steps:
a. Connect negative battery cable to battery.
B. Turn ignition switch ON, but do not crank engine.
C. Leave ignition switch ON for a minimum of 10 seconds. This will allow PCM to learn electrical parameters.
D. The scan tool may also be used to learn electrical parameters. Go to the Miscellaneous menu, and then select ETC Learn.

8. If the previous step is not performed, a Diagnostic Trouble Code (DTC) will be set.

9. If necessary, use a scan tool to erase any Diagnostic Trouble Codes (DTC's) from PCM. Also use the scan tool to reprogram new PCM with vehicles original Vehicle Identification Number (VIN) and original vehicle mileage.

_____________________________

Programming a new PCM

Replacement PCM's will require programming utilizing the StarSCAN(R) or equivalent. The PCM will not operate the engine until it is programmed. A Diagnostic Trouble Code (DTC) will be set - "not programmed".

CAUTION: Extreme care must be taken when programming a calibration into a generic PCM. Do not randomly select a calibration. Once a calibration is selected and programmed, the controller cannot be reprogrammed to a different calibration. The module can only be reprogrammed to a more recent version of that calibration.

SPECIAL TOOLS/EQUIPMENT OR EQUIVALENT REQUIRED:

pic 4

**REPAIR PROCEDURE - USING THE INTERNET TO RETRIEVE THE FLASH FILE:

NOTE: The StarSCAN(R) or equivalent diagnostic scan tool fully supports Internet connectivity. However, in order to take advantage of this feature you must first configure the StarSCAN(R) or equivalent for your dealership's network.

NOTE: If this flash process is interrupted/aborted, the flash should be restarted.

1. Open the hood, install a battery charger and verify that the charging rate provides approximately 13.5 volts. Set the battery charger timer to maintain the charging voltage for the duration of the flash process.

2. Connect the CH9410 StarSCAN(R) or equivalent ethernet cable to the StarSCAN(R) or equivalent and the dealer's network drop.

3. Connect the CH9404 StarSCAN(R) or equivalent vehicle cable to the StarSCAN(R) or equivalent and the vehicle.

4. Power ON the StarSCAN(R) or equivalent.

5. Retrieve the old ECU part number. Using the StarSCAN(R) or equivalent at the "Home" screen:
a. Select "ECU View"
b. Touch the screen to highlight the PCM in the list of modules.
C. Select "More Options"
d. Select "ECU Flash"
e. Record the part number at the top of the "Flash PCM" screen for later reference.

6. Replace the PCM with the appropriate Generic PCM.
7. Program the PCM as follows:
a. Using the StarSCAN(R) or equivalent at the "Home" screen, Select "ECU View"
b. Touch the screen to highlight the PCM in the list of modules.
C. Select "More Options"
d. Select "ECU Flash"
e. Select "Browse for New File". Follow the on screen instructions.
F. Highlight the appropriate calibration based on the part number recorded in Step 5.
G. Select "Download to Scantool".
H. Select "Close" after the download is complete, then select "Back".
I. Highlight the listed calibration.
J. Select "Update Controller". Follow on screen instructions.
K. When the update is complete, select "OK".
L. Verify the part number at the top of the "Flash PCM" screen has updated to the new part number.

8. Is "WCM - Wireless Control Module" displayed in the "ECU Overview" screen list of modules?
A. Yes >> go to STEP 9.
B. No >> go to STEP 10.

9. Program the PCM to the Wireless Control Module (WCM).
A. Highlight the WCM.
B. Select "Misc. Function".
C. Highlight "PCM Replaced".
D. Select "Start"
e. Follow the on screen instructions. Select "Next" after each step. Select "Finish" after completing the last step.
F. When complete proceed to STEP 11.

10. Program the VIN into the PCM.
A. Scroll through the list of controllers and highlight the PCM.
B. Select "Misc. Function".
C. Highlight "Check PCM VIN".
D. Select "Start".
E. Follow the on screen instructions. Select "Next" after each step. When the window appears with 17 boxes, select "Show Keyboard". Place the cursor to the right of the last box and then backspace to delete the boxes from the window. Enter the VIN. Select "Finish" after completing the last step.
F. Unplug the scan tool from the Data Link Connector.
G. At the "Vehicle Disconnected" screen, press "OK".
H. Connect the scan tool to the Data Link Connector and verify that the VIN is visible at the top of the "Home" screen.

11. Is the vehicle equipped with a 3.7L or 4.7L engine?
A. Yes >> go to STEP 13.
B. No >> go to STEP 12.

12. Using the StarSCAN(R) or equivalent at the "Home" screen:
a. Select ECU View
b. Scroll through the list of controllers and highlight the PCM.
C. Select Misc. Function.
D. Highlight "Learn ETC".
E. Select "Start"
f. Follow the on screen instructions. Select Next after each step. Select Finish after completing the last step.

NOTE: Due to the PCM programming procedure, a DTC may be set in other modules (TCM, BCM, MIC, SKREEM, etc.) Within the vehicle, if so equipped. Some DTC's may cause the MIL to illuminate. From the Home screen select System View. Then select All DTCs. Press Clear All Stored DTCs if there are any DTCs shown on the list.

NOTE: The following step is required by law when reprogramming a PCM and/or TCM.

13. Type the necessary information on the "Authorized Modification Label" p/n 04275086AB and attach near the VECI label.

Pic 5

REPAIR PROCEDURE USING SOFTWARE UPDATE CD TO RETRIEVE THE FLASH FILE:

NOTE: If this flash process is interrupted/aborted, the flash should be restarted.

1. Open the hood, install a battery charger and verify that the charging rate provides approximately 13.5 volts. Set the battery charger timer to maintain the charging voltage for the duration of the flash process.

2. Connect the CH9404 StarSCAN(R) or equivalent vehicle cable to the StarSCAN(R) or equivalent and the vehicle.

3. Power ON the StarSCAN(R) or equivalent.

4. Retrieve the old ECU part number. Using the StarSCAN(R) or equivalent at the "Home" screen:
a. Select "ECU View"
b. Touch the screen to highlight the PCM in the list of modules.
C. Select "More Options"
d. Select "ECU Flash"
e. Record the part number at the top of the "Flash PCM" screen for later reference.

5. Replace the PCM with the appropriate Generic PCM.

6. Insert the StarSCAN(R) or equivalent Software Update CD into the Techconnect or equivalent PC. The StarSCAN(R) or equivalent Software Update CD will start automatically. Select "Download Flash Updates".

7. At the "Select a method for looking up controller flash updates." Screen:
a. Select "Enter part number". Enter the "Part Number" recorded in STEP 4 when prompted to do so.
B. Using the mouse highlight the appropriate "Calibration". Select "Next".
C. Follow the on screen instructions.
D. When completed, proceed to STEP 8.

8. With the StarSCAN(R) or equivalent powered OFF, connect the USB Key and Gender Changer to the StarSCAN(R) or equivalent USB port.

Pic 6

9. Connect the StarSCAN(R) or equivalent to the vehicle (if not already connected).

10. Power ON the StarSCAN(R) or equivalent.

11. Download the flash file from the USB key to the StarSCAN(R) or equivalent. Using the StarSCAN(R) or equivalent at the "Home" screen:
a. Select "Flash Download", then select "Retrieve files from the USB storage device"
b. Highlight the appropriate calibration. Select "Download to Scan Tool"
c. When the download is complete, select "Close" and "Back".

12. Reprogram the ECU. Using the StarSCAN(R) or equivalent at the "Home" screen:
a. Select "ECU View".
B. Select More Options".
C. Select "ECU Flash".
D. Highlight the appropriate calibration.
E. Select "Update Controller". Follow the on screen instructions.
F. When the update is complete, select "OK".
G. Verify the part number at the top of the "Flash PCM" screen has updated to the new part number.

13. Is "WCM - Wireless Control Module" displayed in the "ECU Overview" screen list of modules?
A. Yes >> go to STEP 14.
B. No >> go to STEP 15.

14. Program the PCM to the Wireless Control Module (WCM). Using the StarSCAN(R) or equivalent at the "Home" screen:
a. Select "ECU View"
b. Scroll through the list of controllers and highlight the WCM.
C. Select "Misc. Function".
D. Highlight "PCM Replaced".
E. Select "Start".
F. Follow the on screen instructions. Select "Next" after each step. Select "Finish" after completing the last step.
G. When complete proceed to STEP 16.

15. Program the VIN into the PCM.
A. Scroll through the list of controllers and highlight the PCM.
B. Select "Misc. Function".
C. Highlight "Check PCM VIN".
D. Select "Start".
E. Follow the on screen instructions. Select "Next" after each step. When the window appears with 17 boxes, select "Show Keyboard". Place the cursor to the right of the last box and then backspace to delete the boxes from the window. Enter the VIN. Select "Finish" after completing the last step.
F. Unplug the scan tool from the Data Link Connector.
G. At the "Vehicle Disconnected" screen, press "OK".
H. Connect the scan tool to the Data Link Connector and verify that the VIN is visible at the top of the "Home" screen.

16. Is the vehicle equipped with a 3.7L or 4.7L engine?
A. Yes >> go to STEP 18.
B. No >> go to STEP 17.

17. Using the StarSCAN(R) or equivalent at the "Home" screen:
a. Select "ECU View"
b. Scroll through the list of controllers and highlight the PCM.
C. Select "Misc. Function".
D. Highlight "Learn ETC".
E. Select "Start"
f. Follow the on screen instructions. Select "Next" after each step. Select "Finish" after completing the last step.

NOTE: Due to the PCM programming procedure, a DTC may be set in other modules (TCM, BCM, MIC, SKIM, etc.) Within the vehicle, if so equipped. Some DTC's may cause the MIL to illuminate. Check all modules using "ECU View" from the Home screen, record the DTC's, and erase these DTC's prior to returning the vehicle to the customer. Erase any DTC's in the PCM only after all other modules have had their DTC's erased.

NOTE: The following step is required by law.

18. Type the necessary information on the "Authorized Modification Label" p/n 04275086AB and attach near the VECI label.

___________________________________

I figured I would provide that for you to see what is involved.

Let me know how it goes for you. Also, if you need help or have questions, let me know.

Take care and try to have a good weekend.

Joe
Was this
answer
helpful?
Yes
No
Friday, April 26th, 2019 AT 7:34 PM
Tiny
DXERSQUEST1
  • MEMBER
  • 12 POSTS
  • 2007 DODGE RAM
  • 5.7L
  • V8
  • 2WD
  • AUTOMATIC
  • 68,000 MILES
Have a p0138 code. When checking the sensor voltage with my scan tool. It reads 1.27 volts for a minute or so. Than jumps around staying lean and sometimes going back up and getting stuck at 1.27 volts.
Was this
answer
helpful?
Yes
No
Saturday, May 8th, 2021 AT 12:30 PM (Merged)
Tiny
ASEMASTER6371
  • MECHANIC
  • 52,796 POSTS
Good morning

The voltage on sensor 2 O2 sensors should not vary at all. The sole purpose of the downstream sensors is to monitor the cat converter to be sure it is processing the gases correctly. If it is varying, it is an indication the cat converter is bad.

Roy

138

P0138
Descriptor
O2 Sensor 1/2 Circuit High
Probable Causes
Bank 1 Sensor 2 Oxygen Sensor (O2S)
Oxygen Sensor (O2S) Bank 1 Sensor 2 Sensor Signal Circuit Open
Oxygen Sensor (O2S) Bank 1 Sensor 2 Signal Circuit Shorted to Voltage
Oxygen Sensor (O2S) Return Downstream Circuit Open
Oxygen Sensor (O2S) Return Downstream Circuit Shorted to Voltage
Powertrain Control Module (PCM)
Was this
answer
helpful?
Yes
No
Saturday, May 8th, 2021 AT 12:30 PM (Merged)
Tiny
DXERSQUEST1
  • MEMBER
  • 12 POSTS
The sensor does get stuck at 1.27 volts for a while before it changes
Was this
answer
helpful?
Yes
No
Saturday, May 8th, 2021 AT 12:30 PM (Merged)
Tiny
ASEMASTER6371
  • MECHANIC
  • 52,796 POSTS
Thats ok. Again, it should not vary at all.

Roy
Was this
answer
helpful?
Yes
No
Saturday, May 8th, 2021 AT 12:30 PM (Merged)
Tiny
FRICO
  • MEMBER
  • 1 POST
  • 2005 DODGE RAM
  • V8
  • 2WD
  • AUTOMATIC
  • 49,657 MILES
My truck runs and sounds great, my only concern is that the oxygen sensors need replacement bank 1 sensor one.
Was this
answer
helpful?
Yes
No
Saturday, May 8th, 2021 AT 12:30 PM (Merged)
Tiny
KASEKENNY
  • MECHANIC
  • 18,907 POSTS
Sure. Here are some guides that will help with testing them to make sure and then replacement as well:

https://www.2carpros.com/articles/how-to-test-an-oxygen-sensor-02-sensor

https://www.2carpros.com/articles/how-to-replace-an-oxygen-sensor

Below you will find the process from the manual that will help with getting this taken care of as well.

Please let us know what other questions you have. Thanks
Was this
answer
helpful?
Yes
No
Saturday, May 8th, 2021 AT 12:30 PM (Merged)
Tiny
JWBEEZ
  • MEMBER
  • 1 POST
  • 2005 DODGE RAM
  • V8
  • 2WD
  • AUTOMATIC
  • 46,000 MILES
Where is bank 2 located? I need to change the oxygen sensor?
Was this
answer
helpful?
Yes
No
Saturday, May 8th, 2021 AT 12:30 PM (Merged)
Tiny
BLUELIGHTNIN6
  • MECHANIC
  • 16,542 POSTS
Bank 1 is the side with the number 1 spark plug. On the same side, sensor 1 is the sensor first (before catalytic converter) and sensor 2 would be after the converter.

This guide will help replace the sensor

https://www.2carpros.com/articles/how-to-replace-an-oxygen-sensor

Bank 2 will be opposite side of the "V" and opposite of Bank 1. Check out the diagrams (Below). Please let us know if you need anything else to get the problem fixed.

ADMIN NOTE: If something is not right about this post please tell us in the vote text box below.

Was this
answer
helpful?
Yes
No
+3
Saturday, May 8th, 2021 AT 12:30 PM (Merged)
Tiny
KENBURL
  • MEMBER
  • 1 POST
  • 2004 DODGE RAM
  • V8
  • 4WD
  • AUTOMATIC
  • 87,000 MILES
Where is bank2 sensor 2 on a dodge ram 1500 5.7L. What side of vehical and area of exhaust. Thanks Ken
Was this
answer
helpful?
Yes
No
Saturday, May 8th, 2021 AT 12:31 PM (Merged)
Tiny
RASMATAZ
  • MECHANIC
  • 75,992 POSTS
B2S2 is located on right side of transmission-See below


https://www.2carpros.com/forum/automotive_pictures/12900_B2S2_1.jpg

Was this
answer
helpful?
Yes
No
+13
Saturday, May 8th, 2021 AT 12:31 PM (Merged)
Tiny
JMCHEZ
  • MEMBER
  • 2 POSTS
  • 2003 DODGE RAM
  • 4.7L
  • V8
  • 2WD
  • AUTOMATIC
  • 140,000 MILES
Does anyone have a diagram that can point me to which sensor is bank 2 sensor 2 on my truck it is the 1500 model? I have to replace the sensor and it appears to have multiple ones.
Was this
answer
helpful?
Yes
No
Saturday, May 8th, 2021 AT 12:32 PM (Merged)

Please login or register to post a reply.