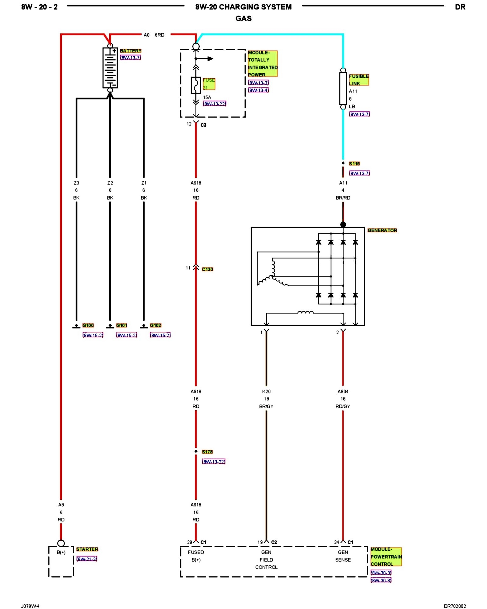
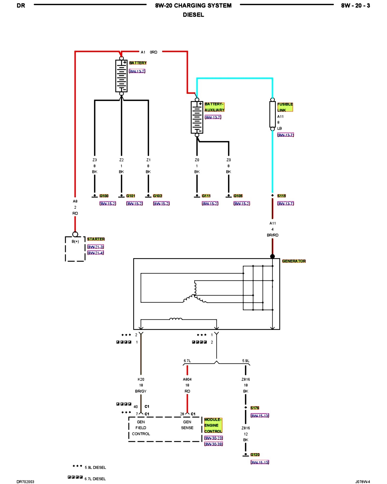
Tuesday, November 25th, 2025 AT 6:18 AM
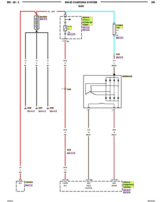
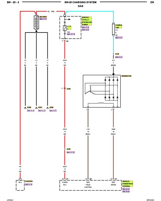
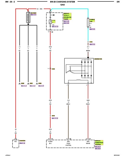
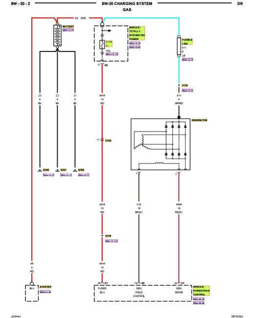
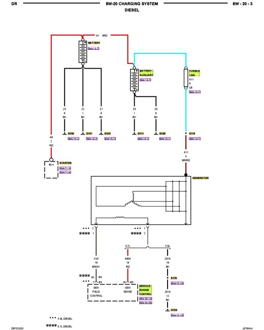
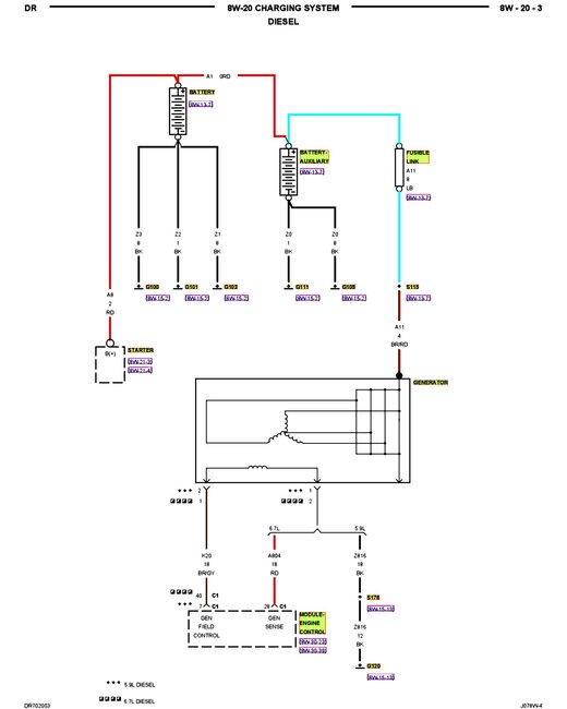
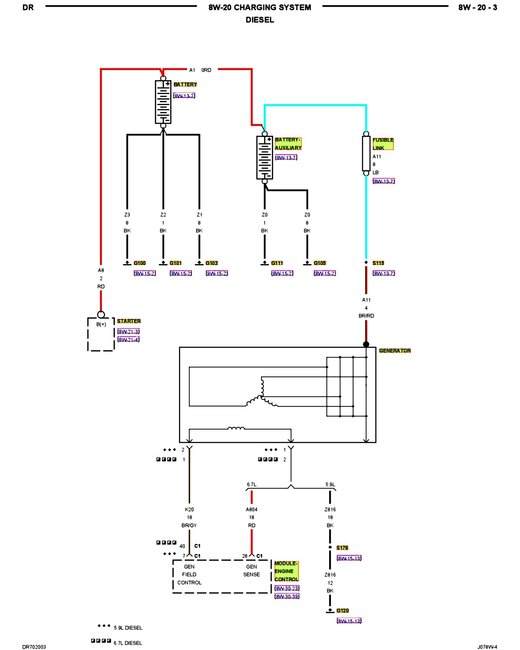
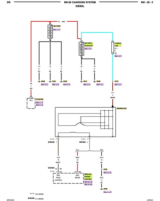
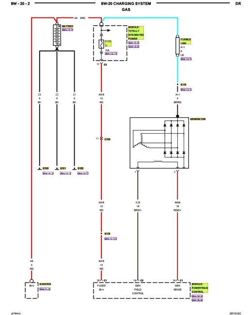
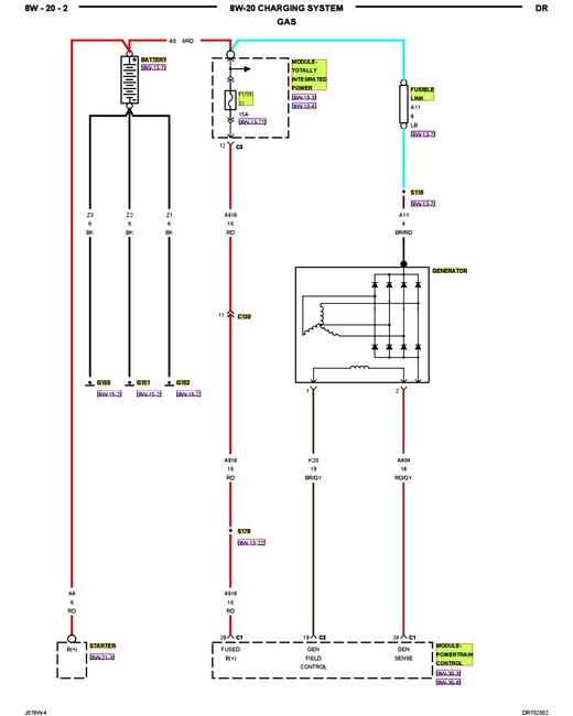
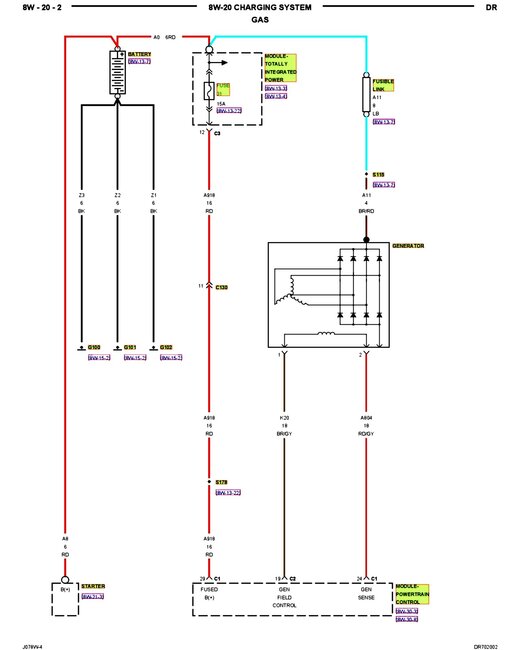
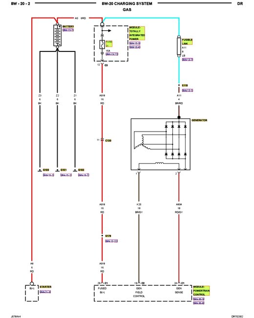
Had possible short and bad battery. Changed battery and I think I have shorted wire or bad pcm. Anyone have diagram so I can test wires for short





