Will only start by push starting

Tiny
1FRUSTRATEDWOMAN
  • MEMBER
  • 1997 HYUNDAI GENESIS COUPE
  • 2.0L
  • 4 CYL
  • 2WD
  • MANUAL
  • 185,000 MILES
Has dash lights, battery is charged. Doesn't make any noise at all when turn the key. Will start by push starting only.
Tuesday, December 24th, 2019 AT 8:09 AM

1 Reply

Tiny
AL514
  • MECHANIC
  • 5,590 POSTS
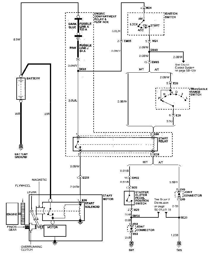
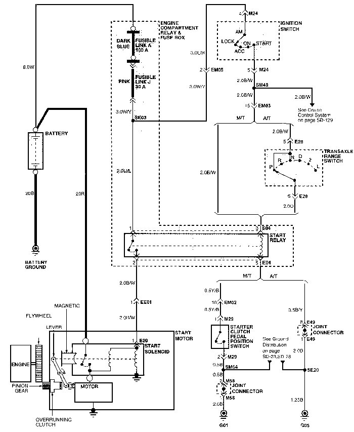
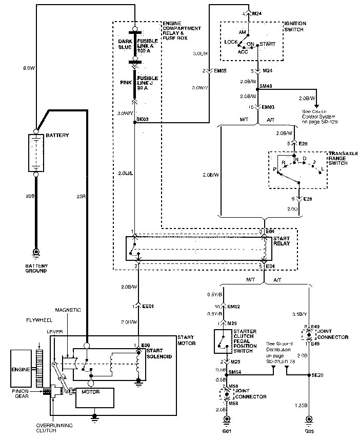
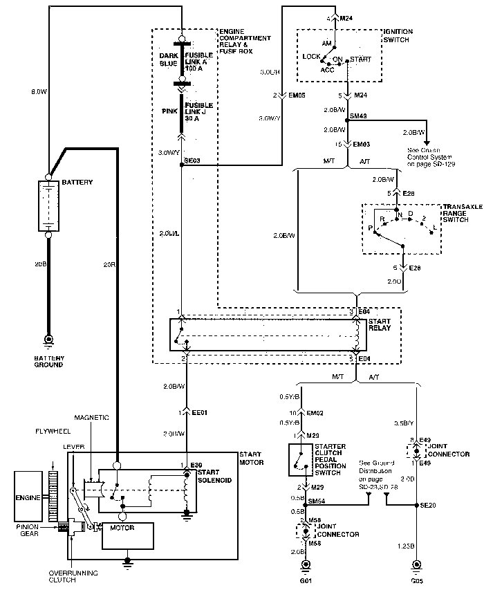
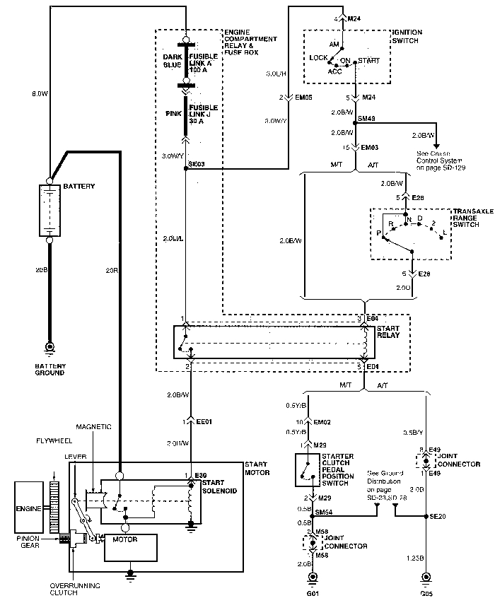
Hello, the starter receives power from the start relay. And the start relay is grounded and activated by the clutch pedal switch. Checking that the clutch switch is the easiest place to check and also because of its location it takes some abuse. It looks like a one wire switch on the clutch pedal. You can use an ohm meter to check this unplugged. Just set the emergency brake before depressing the clutch pedal. Now the start relay receives power from the ignition switch, it is most likely in the engine compartment.
Was this
answer
helpful?
Yes
No
Tuesday, December 24th, 2019 AT 10:29 AM

Please login or register to post a reply.