Thursday, October 1st, 2020 AT 4:52 PM
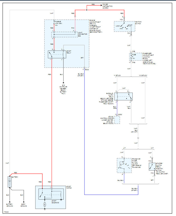
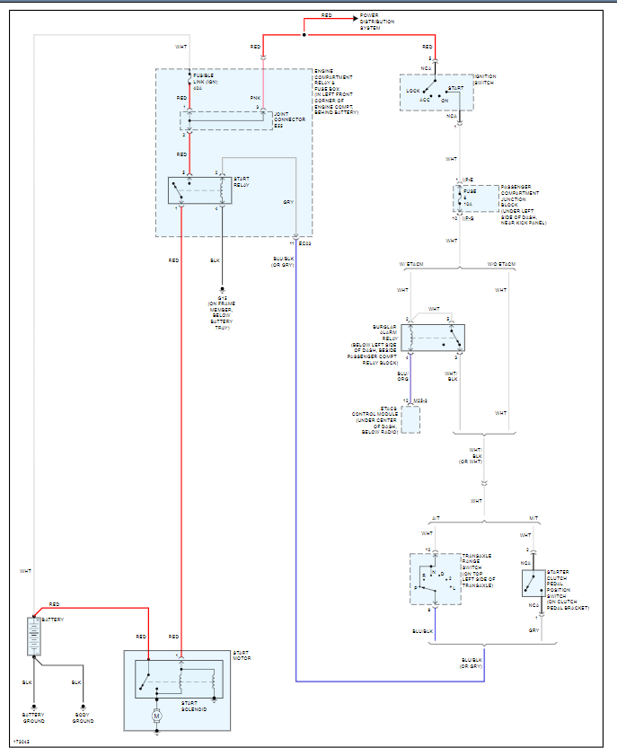
All lights prior. No click or crank. When I put the key I have all lights and chimes and when I go to turn it over. The lights aren’t dim. Everything goes out and no crank not even a click. Before this happened the brake and battery light were faintly lit up. I just or a new battery in it today and still nothing. Even tried to jump it with a portables jump pack (which was reading 12.4 volts). I don’t think it’s then alternator but not sure. Maybe the starter? And if starter. Is there a way to bypass it to get it started and make its way home for me to repair. (Car is 50 miles away at my job site)



