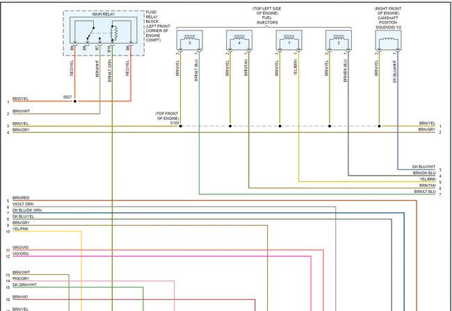
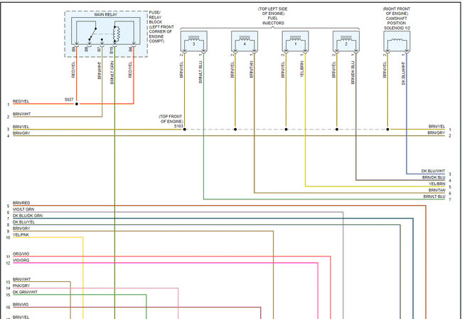
Can engine wiring harness be swapped from same year same model car if the engine size is the same? And cars features accessories are the same? My car apparently has some shorting going on in the engine wiring harness. Moving the harness causes different codes involving coil connector and map sensor shorting.
I'm looking at minimum of 6 hours labor $95.00 an hour that's my minimum. I can buy a complete harness from a wrecked caliber for $30.00. Anyone ever done this before and is it an option??
Thank you. JC
I'm looking at minimum of 6 hours labor $95.00 an hour that's my minimum. I can buy a complete harness from a wrecked caliber for $30.00. Anyone ever done this before and is it an option??
Thank you. JC
Aug 25, 2021 at 9:37 AM









