HOME
ASK A QUESTION
REPAIR GUIDES
BECOME A MEMBER
LOG IN
Login with Facebook
OR
Remember me
NOT A MEMBER?
FORGOT PASSWORD?
CONTACT US
PRIVACY POLICY
TERMS AND CONDITIONS
☰
Home
Mercedes Benz
R350
Body
Windshield
Washer
Wiring
Wiring diagrams for headlight and wiper/washer systems needed?
SPEEDRACER33
MEMBER
2012 MERCEDES BENZ R350
3.0L
V6
4WD
AUTOMATIC
306,000 MILES
I need wiring diagrams for 'headlight system' and 'wiper/washer system' from Front SAM.
Tuesday, April 9th, 2024 AT 4:20 PM
3 Replies
AL514
MECHANIC
5,590 POSTS
Hello, we will post what we have but MB has really limited-service info as for wiring diagrams for this year for some reason. Give me a minute.
Was this
answer
helpful?
Yes
No
Wednesday, April 10th, 2024 AT 8:41 AM
AL514
MECHANIC
5,590 POSTS
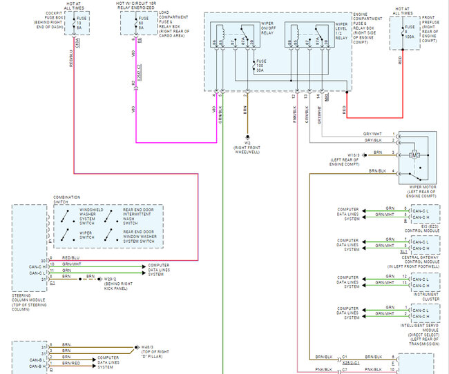
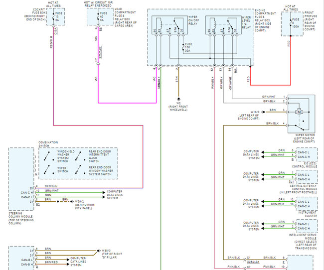
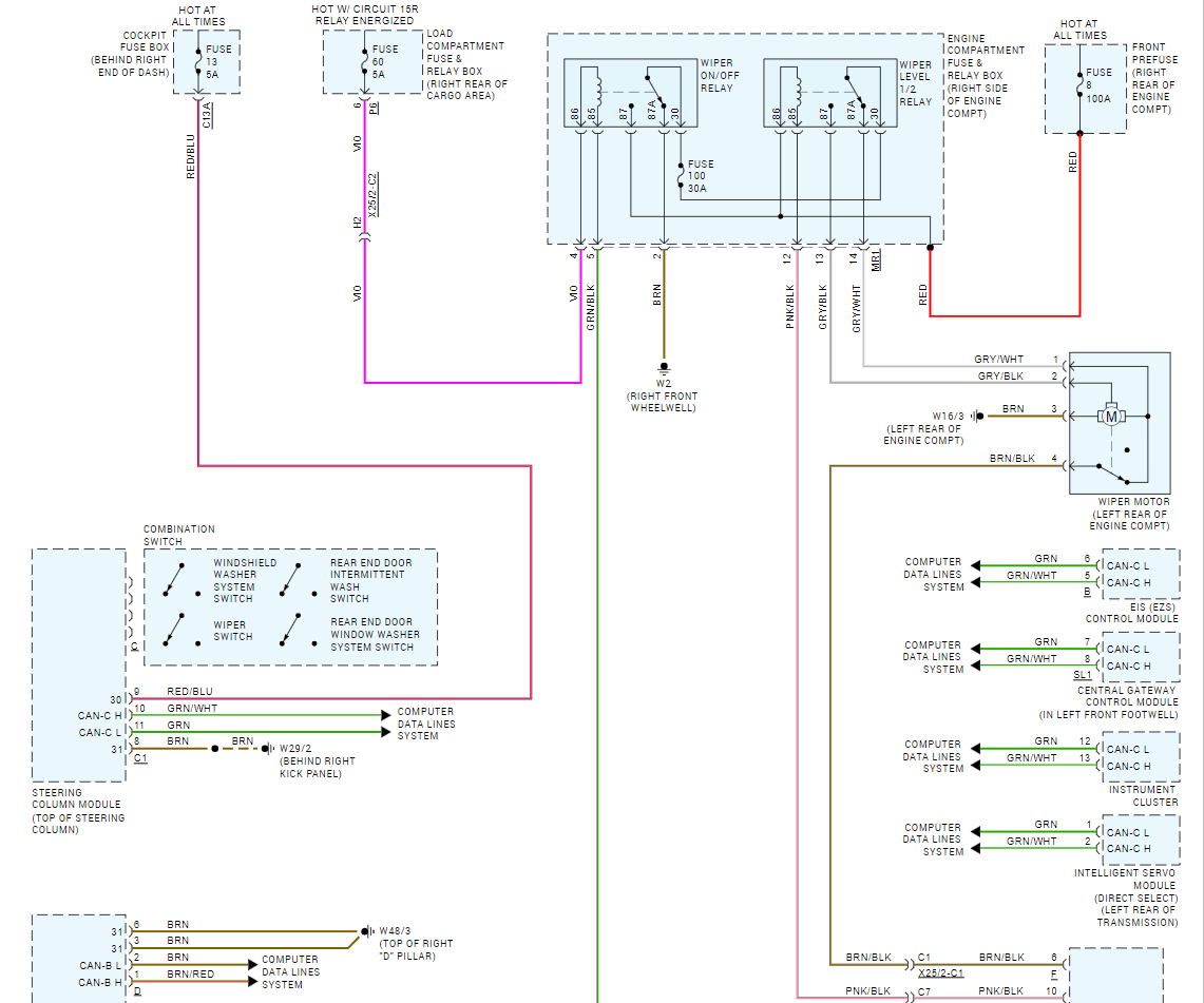
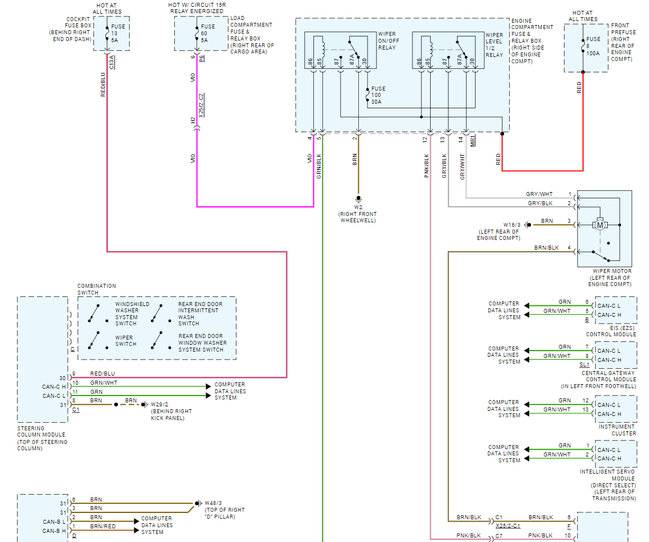
Here's the Wiper/Washer to start with Top and Bottom, I'll look for the OEM after posting the aftermarket ones so you can get started.
Images (Click to make bigger)
Was this
answer
helpful?
Yes
No
+1
Wednesday, April 10th, 2024 AT 8:46 AM
AL514
MECHANIC
5,590 POSTS
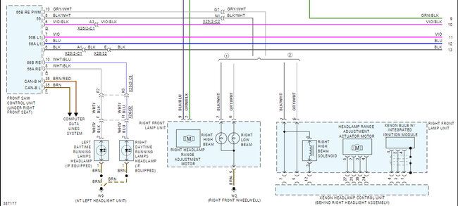
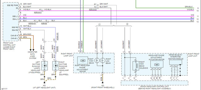
Here's Headlamps top and bottom page 1 (diagrams 1, 2 ) and page 2 (diagrams 3, 4).
Images (Click to make bigger)
Was this
answer
helpful?
Yes
No
+1
Wednesday, April 10th, 2024 AT 8:53 AM
Please
login
or
register
to post a reply.
Ask a Car Question. It's Free!