ECU Wiring diagram harness?

2004 SATURN ION
216,000 MILES • 2.2L • 4 CYL • 2WD • AUTOMATIC
Avatar
SALLYV
  • MEMBER
  • 4 POSTS
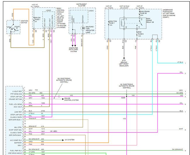
I need a wiring diagram for my car for the ECU so I can figure out what is wrong and why my car is getting no spark
Nov 17, 2025 at 9:14 AM
Advertisement
Repair Safety Notice: This information is for general instructional purposes only. Vehicle repair can be dangerous. Verify all information, follow manufacturer service procedures, use proper tools and safety equipment, and consult a qualified repair shop when needed.
Avatar
STRAILER
  • AUTOMOTIVE REPAIR CONTRIBUTOR
  • 54,128 POSTS
I would start by checking the crankshaft position sensor. When they go out the spark will stop. Also check the fuses. Here is the wiring diagrams for the PCM and engine and I will email them to you as well. Check out the images (below). Let us know if you need anything else.

Nov 18, 2025 at 10:54 AM