Can I get the plug wiring diagram?

Tiny
POPS61
  • MEMBER
  • 2007 MERCURY MONTEREY
  • V6
  • 2WD
  • AUTOMATIC
  • 125,000 MILES
I am not sure what wire goes to which plug. Does anyone have a diagram?
Friday, February 21st, 2025 AT 3:21 PM

10 Replies

Tiny
CARADIODOC
  • MECHANIC
  • 34,463 POSTS
There's hundreds of plugs. Which one do you need?
Was this
answer
helpful?
Yes
No
Friday, February 21st, 2025 AT 4:42 PM
Tiny
POPS61
  • MEMBER
  • 6 POSTS
I was asking about the wires from the coil to the spark plugs.
Was this
answer
helpful?
Yes
No
Saturday, February 22nd, 2025 AT 12:21 AM
Tiny
CARADIODOC
  • MECHANIC
  • 34,463 POSTS
Oh. Check out these diagrams. They're for a 4.2L. On most brands the cylinder numbers are molded onto the coil pack, next to each post, but you still have to know which cylinder number is which. Let me know if this helps or if you need anything else.
Was this
answer
helpful?
Yes
No
Saturday, February 22nd, 2025 AT 3:01 PM
Tiny
POPS61
  • MEMBER
  • 6 POSTS
Just what the doctor ordered. Thanks
Was this
answer
helpful?
Yes
No
Saturday, February 22nd, 2025 AT 5:09 PM
Tiny
POPS61
  • MEMBER
  • 6 POSTS
I am having problems with a misfire on 6. That was the problem before I changed the spark plugs and wires. Any ideas what else it could be (coil, injectors or something else)?
Was this
answer
helpful?
Yes
No
Sunday, February 23rd, 2025 AT 2:53 PM
Tiny
CARADIODOC
  • MECHANIC
  • 34,463 POSTS
Going only by what I've heard repeatedly, Ford has had a lot of problems with ignition coils, but as I recall, that refers to the engines that use six or eight individual coils. With those, you can switch two coils to see if a fault code moves to the different cylinder. We don't like throwing random parts at a problem, but in this case, being so common, I would entertain a notion to buy a new coil pack and try that, understanding it is worth saving for a spare if it doesn't solve the problem. Due to their history, this is one time I think I would go with new instead of a used one from a salvage yard, although the used one might prove to be a less expensive way to see whether I'm on the right track.
Was this
answer
helpful?
Yes
No
Sunday, February 23rd, 2025 AT 6:02 PM
Tiny
POPS61
  • MEMBER
  • 6 POSTS
Thanks.
Was this
answer
helpful?
Yes
No
Monday, February 24th, 2025 AT 4:28 PM
Tiny
CARADIODOC
  • MECHANIC
  • 34,463 POSTS
You're welcome. A common approach is to switch the ignition coils between cylinders 6 and 4, for example, (when you have individual coils), and to switch the injectors between cylinders 6 and 2. Erase the fault code, drive the vehicle, and watch if the misfire code comes back for cylinder 6 or if it moves to one of those other two cylinders. If you get a code now for misfire on cylinder 2, you know it's due to that injector.

You have to have fuel, spark, compression, and all at the right times. Camshaft timing won't change for just one cylinder, so that can be ruled out. At the mileage you listed, compression isn't likely to be a problem yet, especially just on one cylinder. When you have an ignition coil pack, each coil fires two cylinders at the same time. The cylinder coming up on the exhaust stroke is called the "waste" spark, as it isn't doing anything as far as power is concerned. The point is, if that coil is weak or arcing internally, expect to get misfire codes for both cylinders. That isn't always the case though. Arcing could take place right under the post for one plug wire, leaving full spark voltage for the mating spark plug.

To add a level of confusion, GM did have a huge problem with injectors, although they were not defective. Chrysler buys their injectors from Bosch in flow-matched sets, and injector-related problems are unheard of. From the class I attended, I can't remember the Ford part of the story other than there was nothing of significance to be aware of. GM would just grab a handful of injectors from a huge bin with no regard to flow matching. By around 100,000 miles it was real common for one or two injectors to flow a little less volume than the rest. You would not feel that like we do with a regular misfire, but it was bad enough for the Engine Computer to detect the very slight decrease in crankshaft rotational speed, each time that cylinder fired. (That's how misfires are detected). This resulted in phantom misfire fault codes when the engine seemed to run fine. The fix was to install a full set of rebuilt, flow-matched injectors.

Beyond that, you need an emissions system specialist who will use a scanner to view live data, in particular "short and long-term fuel trim numbers". From those he can figure out if a misfire is due to an excessively lean or rich condition, but that only narrows it down to one side of the engine. Another approach is to use a graphing scanner to look at the signals coming from the front oxygen sensors. From those he can determine if the misfire is caused by spark, fuel, or compression.

This might not be appropriate, but I'm going to add another comment that applied to a number of Ford trucks. That had to do with the EGR system. Many of the engines used a metal pipe assembly to direct exhaust gas to each cylinder. The system works by volume, so the right amount of flow was calculated based on six or eight cylinders. Over time those tubes became plugged with carbon, reducing EGR flow to a few cylinders. With less inert exhaust gas to displace fresh incoming air, that one cylinder would run just fine on only fuel and fresh air. The total volume of exhaust gas stayed the same, but now it was distributed over fewer cylinders. Eventually five of the six tubes on a 6-cylinder engine became blocked, so those cylinders ran great. The one cylinder that still had an EGR tube that wasn't blocked got 100 percent of the EGR flow, so it ran horribly and set the misfire code. The misfiring cylinder was the one that didn't have a problem with carbon blockage.

One way to identify that is to place a thin steel shim, or block-off plate under the EGR valve. That way no exhaust gas goes into any cylinder. If the misfire code doesn't set again, you know it was caused by the EGR system.
Was this
answer
helpful?
Yes
No
Monday, February 24th, 2025 AT 5:13 PM
Tiny
POPS61
  • MEMBER
  • 6 POSTS
Where is the PCM/ECM located in a 2007 Mercury Monterey. Had a diagnostic run on it and the problem is the coil or the PCM. I know where the coil is.
Was this
answer
helpful?
Yes
No
Thursday, February 27th, 2025 AT 3:09 PM
Tiny
CARADIODOC
  • MECHANIC
  • 34,463 POSTS
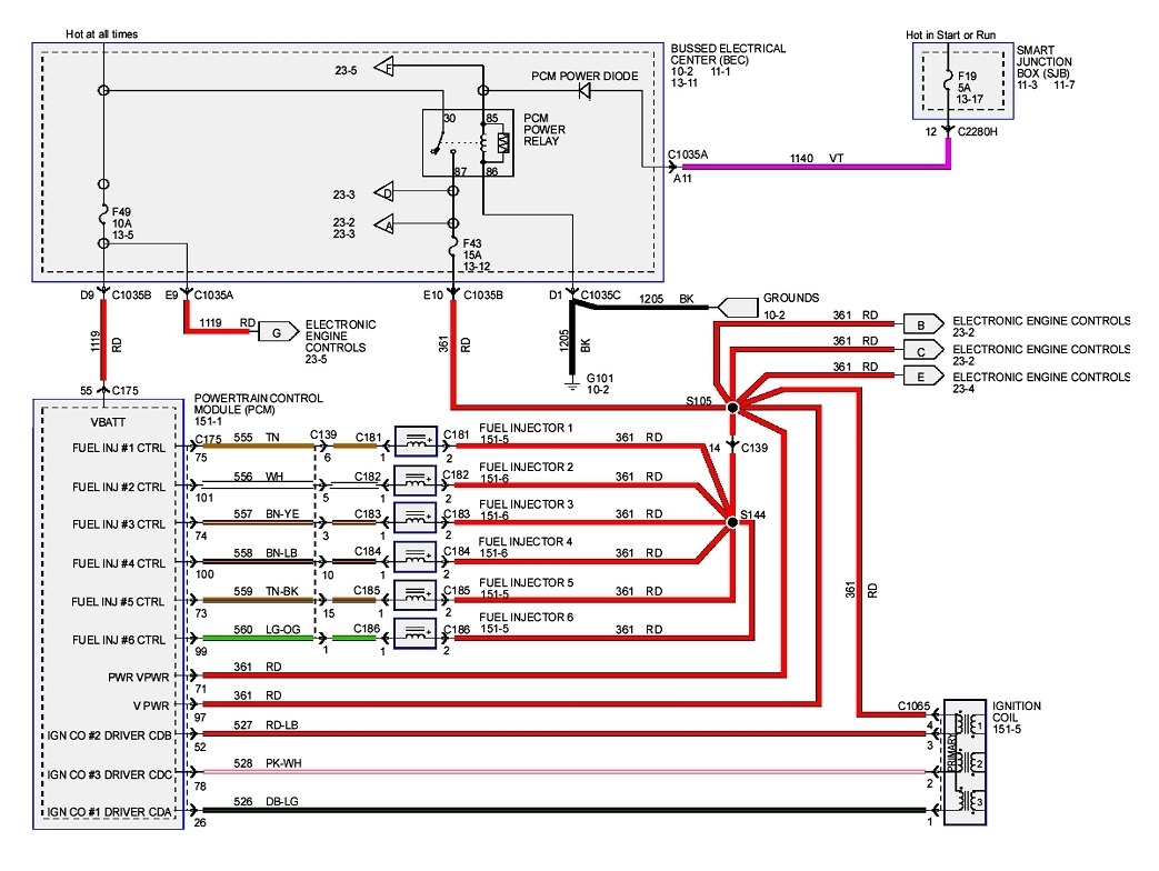
Connector C175 in the upper left.

There's a good chance you're right, but be aware, way too often competent do-it-yourselfers replace parts based on a diagnostic fault code; sometimes two or three times, then they come here when the fault code keeps setting. Fault codes never ever say to replace a sensor or other part, or that one is bad. Well over half the 2,000 potential codes don't even mention a part, but when they do, that part is actually the cause of that code only about half of the time. Before we spend our customers' money on a part, there are tests we do first on the rest of the circuit. Most often the other half of the time we find a corroded mating pair of connector terminals, a harness that fell down onto hot exhaust parts, or a harness that rubbed through on the sharp edge of a metal bracket. When a new problem or fault code shows up right after replacing a part or after disconnecting something to get it out of the way for some other service, it's not unheard of to find one terminal pushed out of the connector body instead of sliding into its mating terminal. If other people had their hands in your vehicle, also watch out for a female connector terminal that someone stuck a voltmeter probe into. That can stretch the terminal until it's too opened up to make contact with its mate.

Another thing I've run into more than once is loose connections in a plug between the engine wiring harness and the body harness it plugs into. Engines normally rock back and forth between coasting and accelerating. That can tug and release repeatedly on that connector. Some vehicles even come from the factory with nylon tie straps holding them together for additional security. I ran into that on one of my minivans. When I put the plug back together, one male terminal went off to the side and missed the mating terminal. That caused a loss of 12 volts to three of the six injectors. The problem was intermittent and acted up mostly when trying to accelerate. Flexing the harness by hand made the symptom come and go.

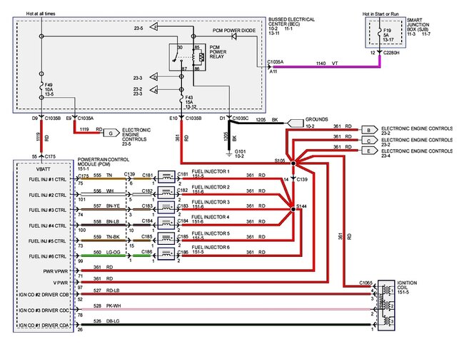
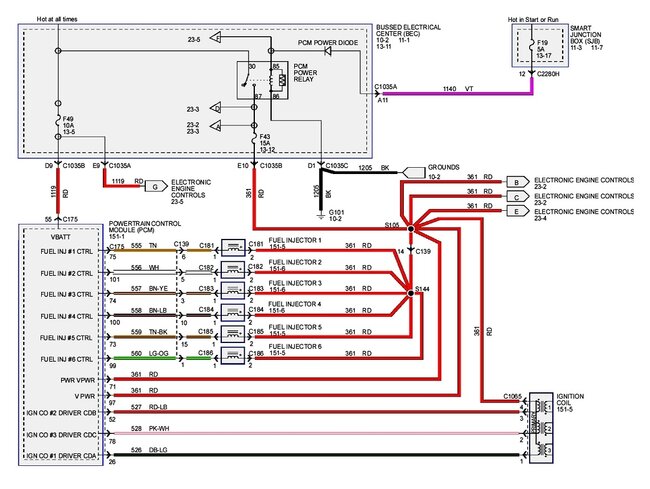
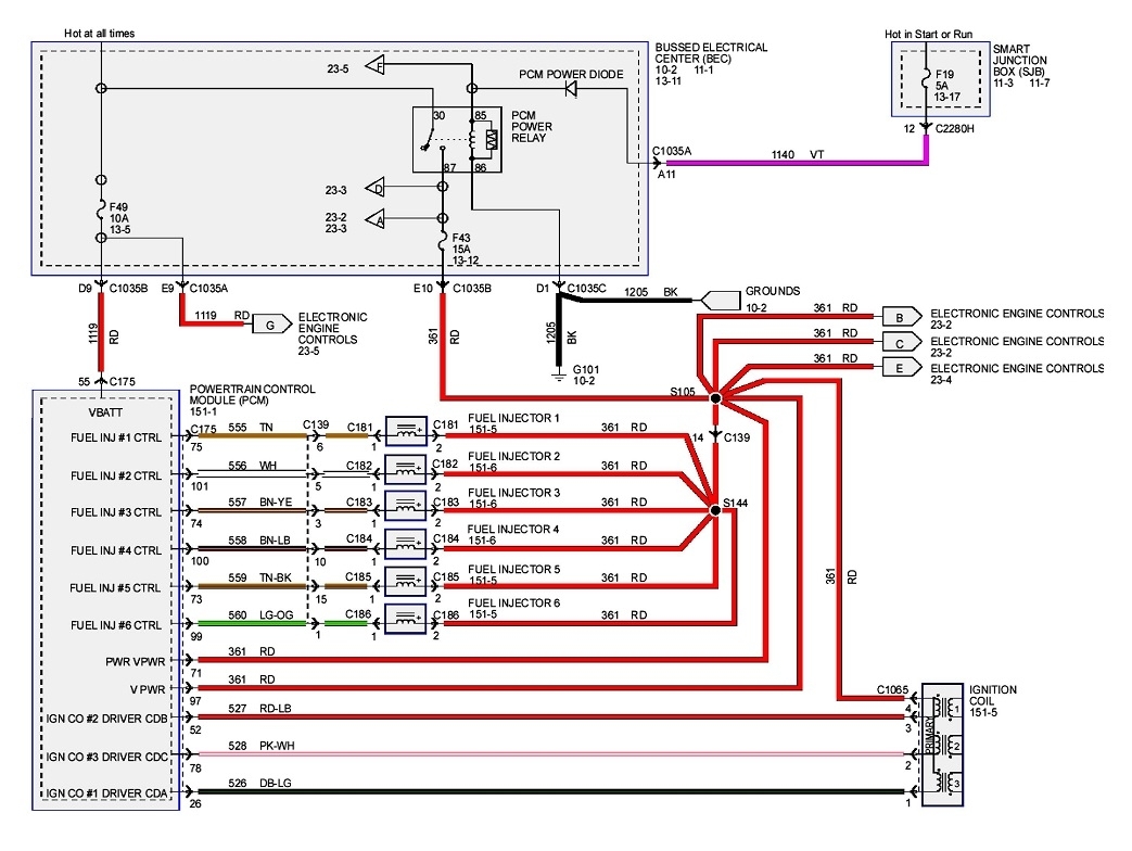
This first drawing shows the location of the Engine Computer. Sometimes these are too small to read, so the second one is that connector area expanded. The third one is one of six diagrams for the Engine Computer. In the fourth one, I expanded the injectors and added some nifty arrows. I know you're working on the ignition system, but for this story, it makes more sense when looking at the injector circuits. With ignition coils, there's two parts; the low voltage input and the high voltage output to the spark plugs. With injectors, there's the 12-volt input and the mechanical function for the output. This procedure is for either input circuit. It's not really appropriate for YOUR ignition coils because normally a defective coil affects two cylinders. You're getting a fault code for just cylinder 6. Arcing could be taking place inside one coil that could affect just one cylinder, but my test procedure is pointless in that case because since one of the two cylinders is firing, that coil's input has to be okay.

The way I would approach this is to start at the red arrow in the second drawing. That splice feeds 12 volts to all six injectors. We know that is okay up to that point because five of the cylinders are working. Next, check at the injector on the red wire, (blue arrow). There should be 12 volts there too. These tests are only valid when taken with everything plugged in and connected. We do at times unplug something, then take readings, but those are the times we have to be aware that we can easily be tricked into believing a misleading reading. I can explain that in a lot more confusing detail when the day comes. The most accurate method is to poke the test probe through the rubber weather seal alongside the wire until it makes contact with the terminal.

I should point out too that often an inexpensive old fashioned test light with an incandescent bulb is faster and more accurate than a digital voltmeter, especially from here on. The next step is to check on the injector's light green / orange wire, again, by back-probing through the rubber seal. Here you'll find basically 12 volts, but it's going to be pulsing down to near 0 volts each time that coil fires. Due to the way digital meters take a reading, analyze it, then display it while taking the next reading, the display can bounce around a lot and be very difficult to interpret. A standard test light will smooth those pulses out and be steady, but a little dimmer than on the red wire.

If you find voltage on the green / orange wire, the last step is to back-probe that wire in the computer's connector. I posted that in the last two drawings. Often this one has a plastic cover over the wires. If that connector has never been unplugged, chances are there is no defect in there. The only thing that leaves is that last terminal and the computer itself. There's no way to get in there and measure on the other side of that connector, so all you can do is a visual inspection of the terminals.

To add another level of confusion, diagnostic fault codes can get very specific about the defect that was detected. If there is a break anywhere in that injector circuit, for example, the computer sees the lack of current flow and sets the appropriate fault code. If there's a number 6 cylinder misfire but electrically everything is okay, the code might be a simple, "Cylinder six misfire", then you have to figure out which system is causing it. It could be a fouled spark plug or a plugged injector, or even a "wiped out" camshaft lobe or broken rocker arm. GM owners are familiar with those things. Even when the input circuit is working, on vehicles as new as yours, the computer can even detect ignition coil problems in the high-voltage secondary circuit by the incorrect voltage waveforms being electromagnetically induced back into the low-voltage primary circuit. That will set an entirely different fault code. By the way, you can go here:

https://www.2carpros.com/trouble_codes/obd2/p0300

to see the code definitions we have on file. These are common to all brands. There's a lot more for specific models too that aren't listed here.

If you find a place in this procedure where the voltage is missing, back up to the last place you did find something. The break is between those two points. Electrical failures of injectors are very rare. A break in the circuit is much more likely to be caused by a connector terminal or one wire is corroded off the splice, (splice S144 in this case). Even failures of ignition coils aren't common except when internal arcing occurs. Ford is the only exception with more coil failures than all other manufacturers combined, but they still don't have a huge rash of failures. On Fords, ignition coils are near the top of the list of suspects. On other brands, ignition coils are on the list, but further down, with other causes of misfires being more common.

If you don't find your exact fault code number on our list, I'll look up the definition if you tell me that number.
Was this
answer
helpful?
Yes
No
Thursday, February 27th, 2025 AT 8:31 PM

Please login or register to post a reply.