Wiring diagram needed for under dash

Tiny
REDNECK0819
  • MEMBER
  • 2005 PONTIAC GRAND PRIX
  • 4.0L
  • 6 CYL
  • 2WD
  • 131,000 MILES
Need a complete wiring diagram from under the dash.
Friday, November 13th, 2020 AT 5:21 PM

2 Replies

Tiny
ASEMASTER6371
  • MECHANIC
  • 52,796 POSTS
Good evening,

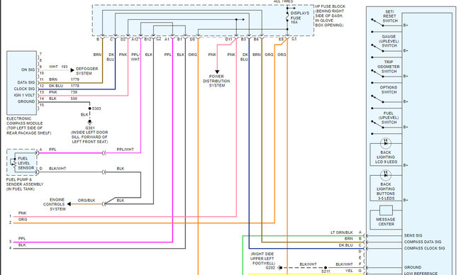
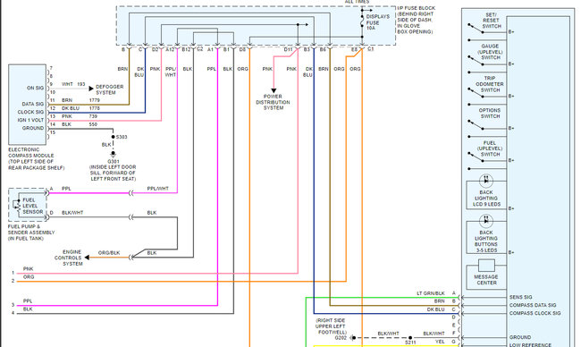
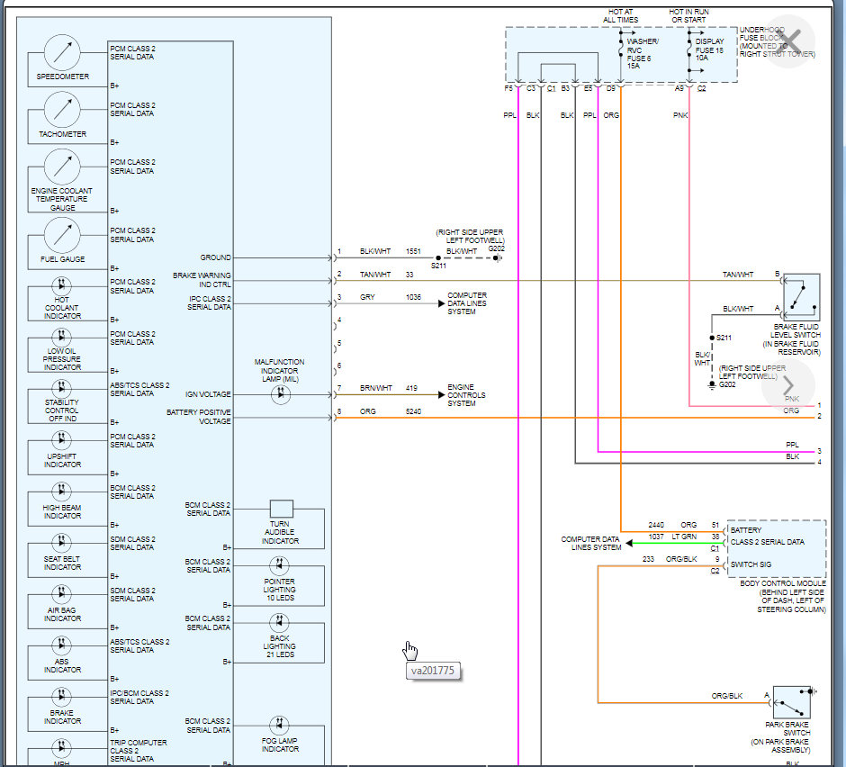
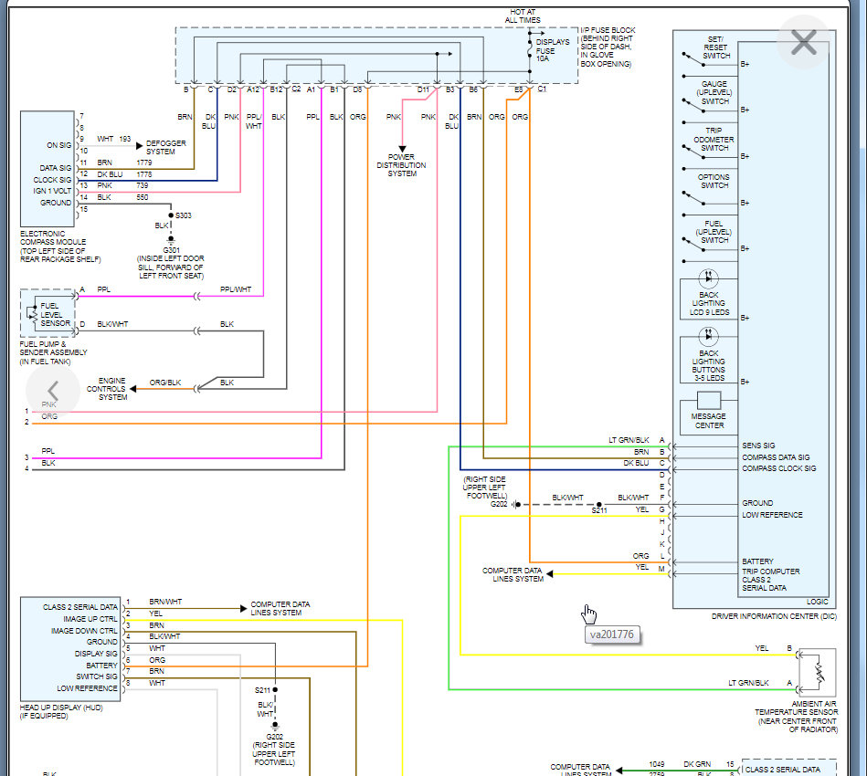
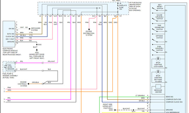
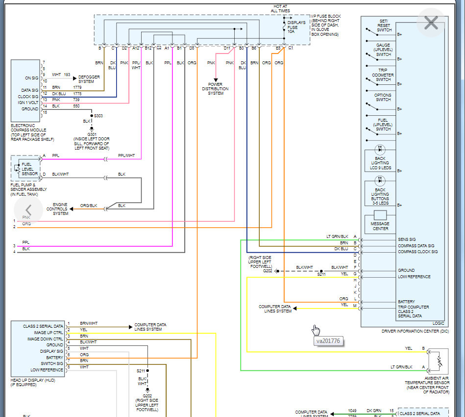
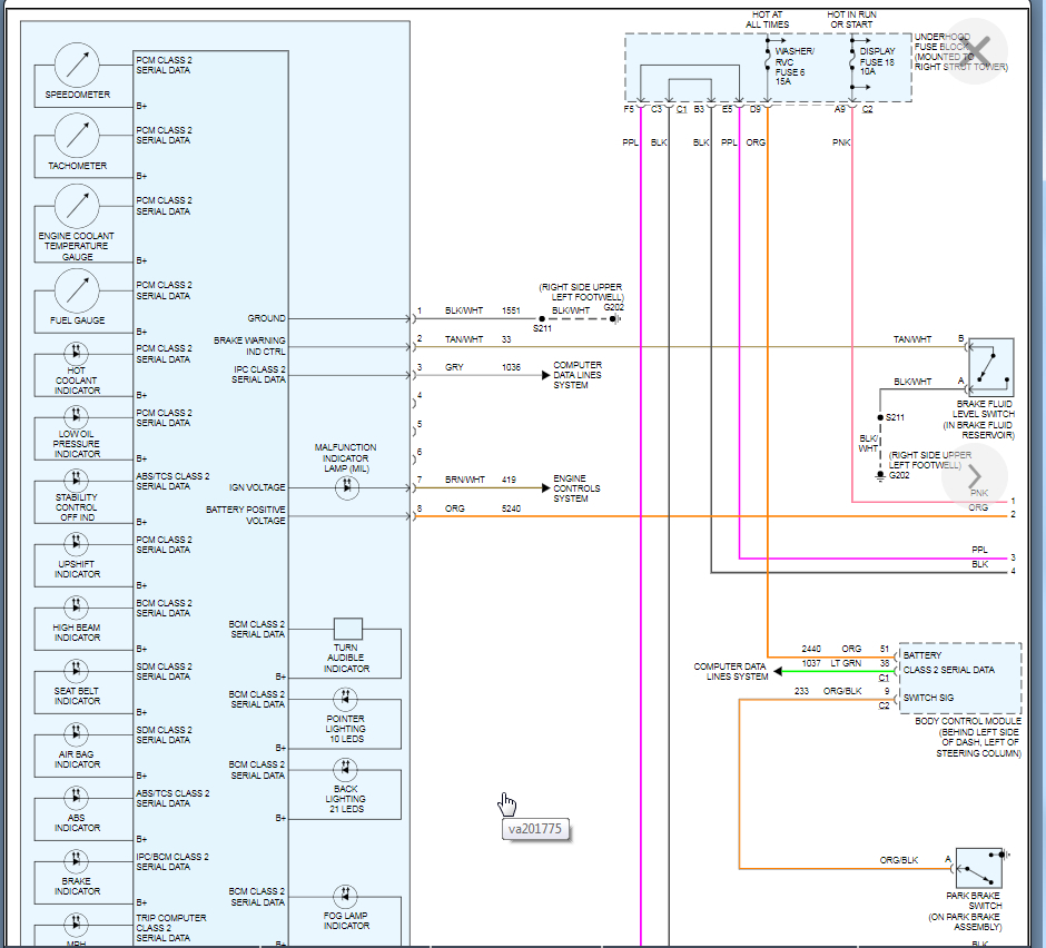
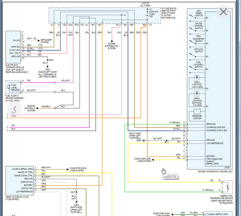
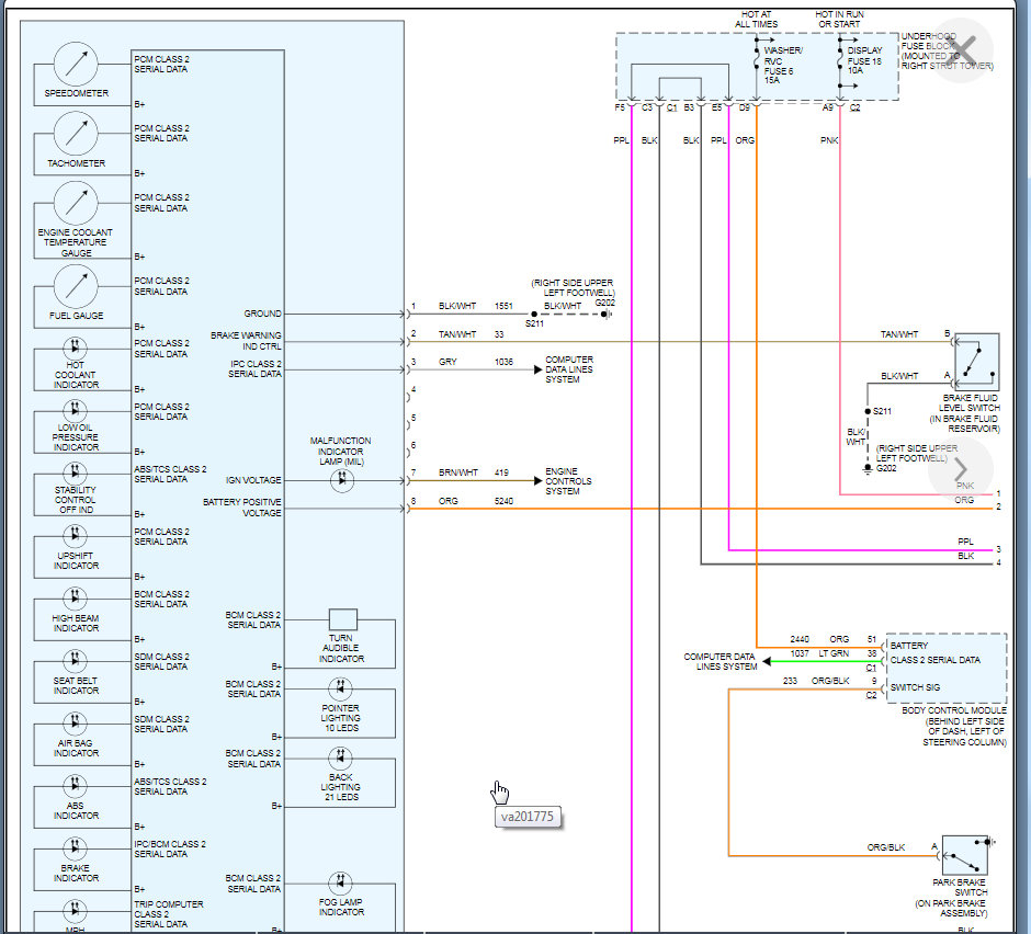
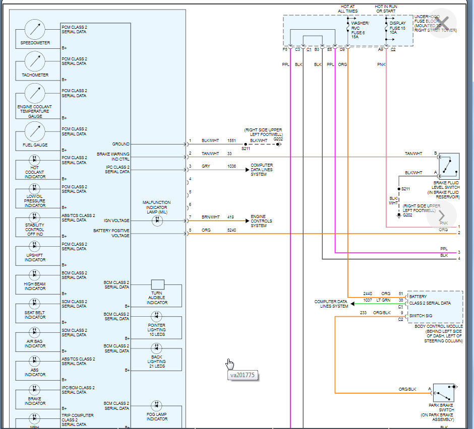
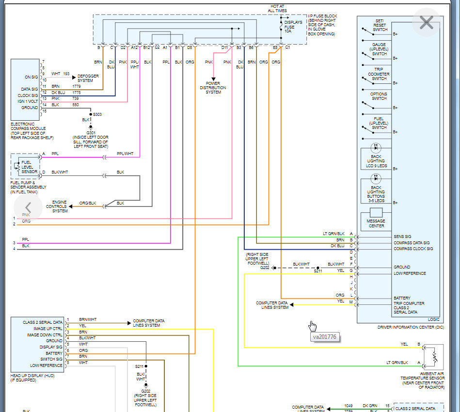
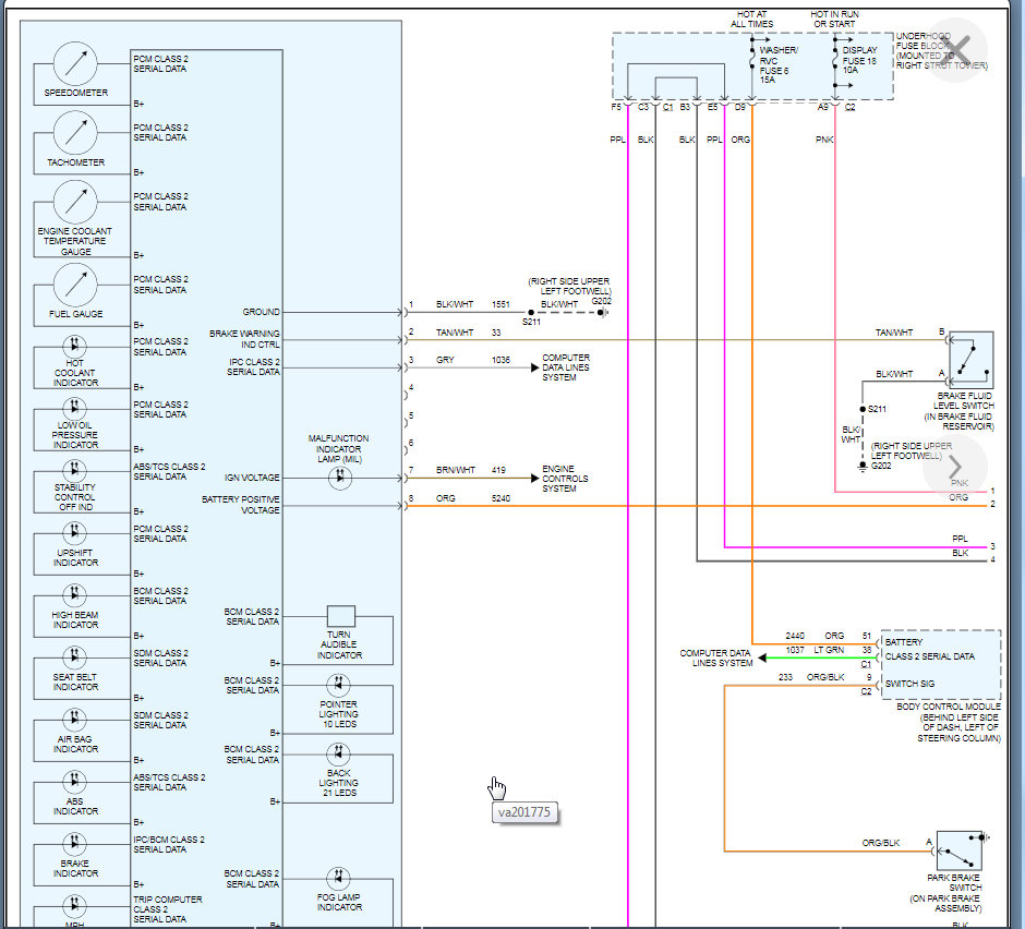
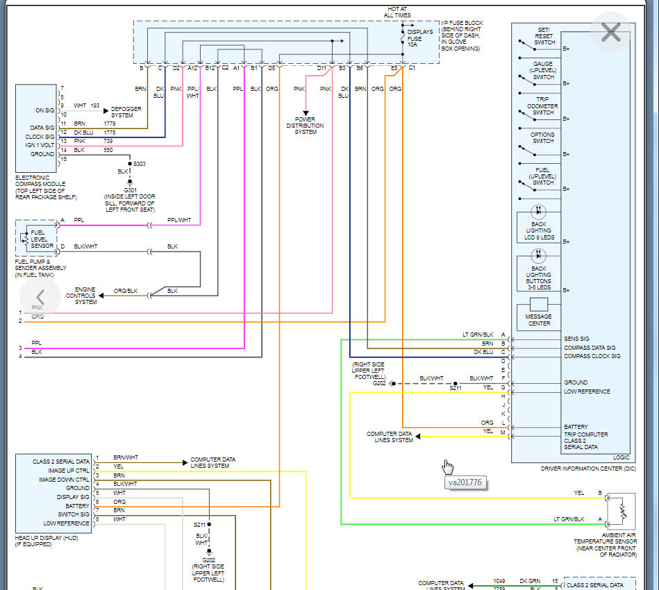
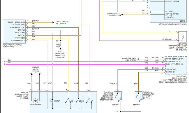
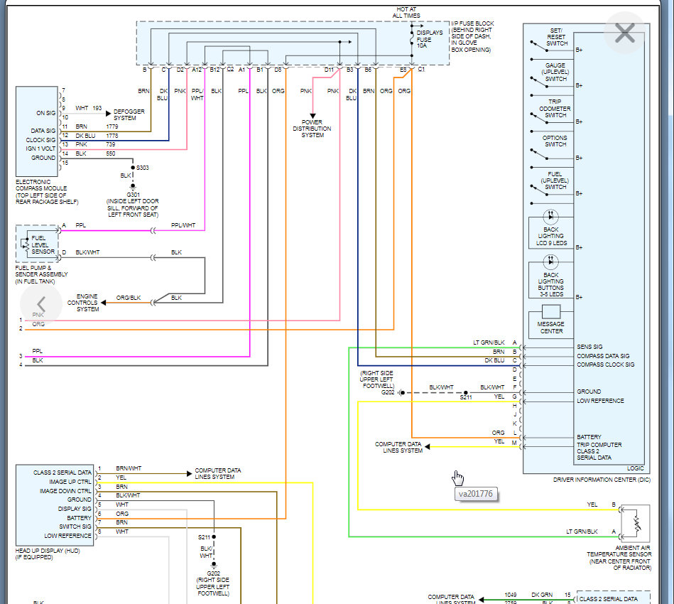
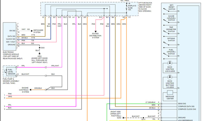
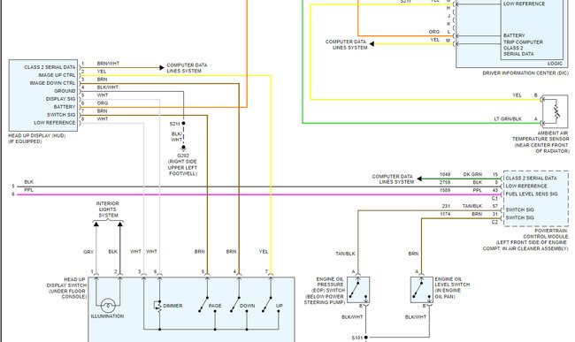
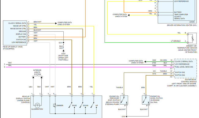
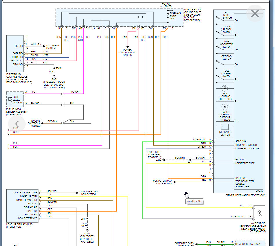
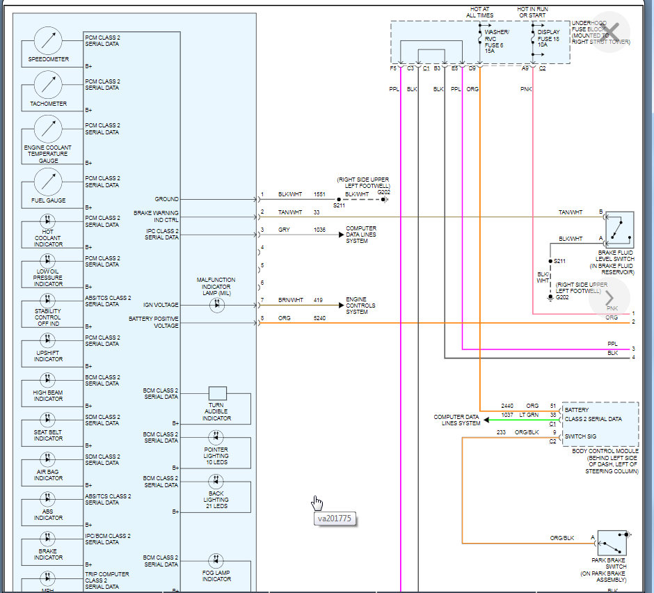
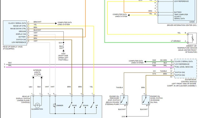
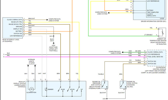
I attached the diagrams for the under dash cluster for the dashboard.

Is there a particular system that has an issue?

Roy
Was this
answer
helpful?
Yes
No
Friday, November 13th, 2020 AT 5:29 PM
Tiny
KASEKENNY
  • MECHANIC
  • 18,907 POSTS
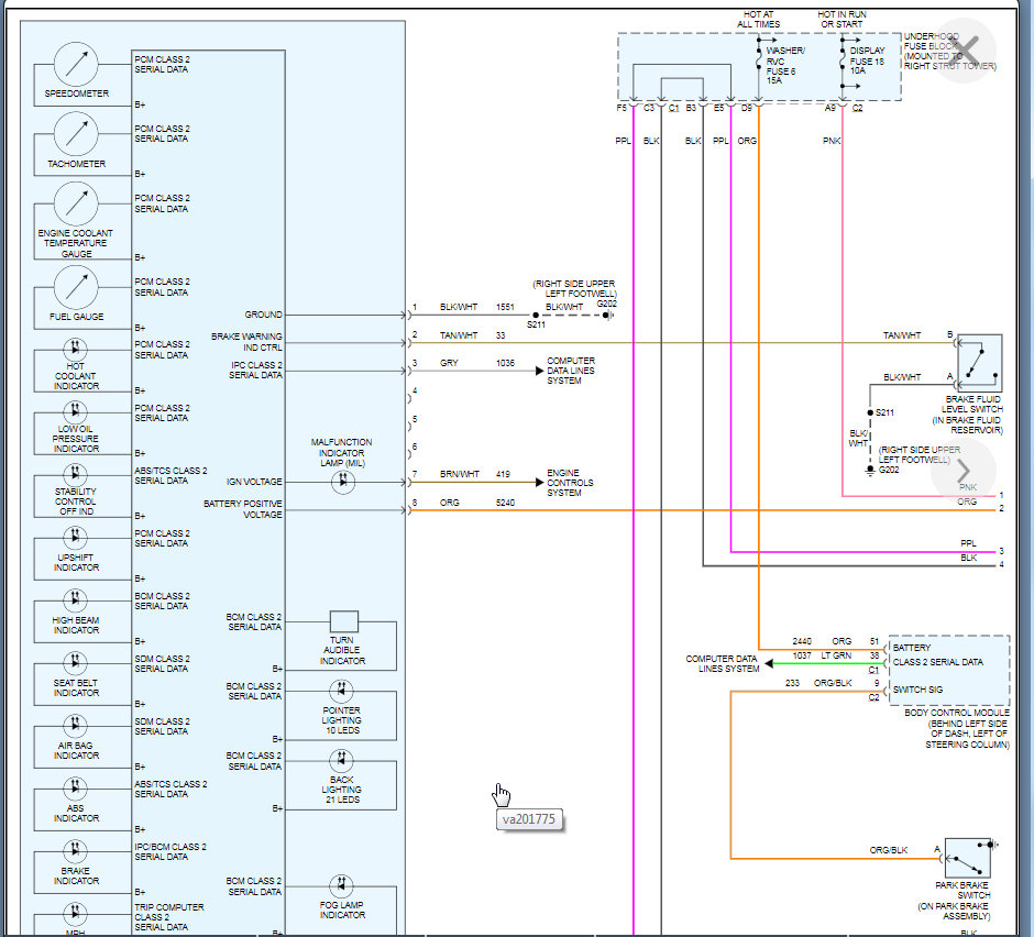
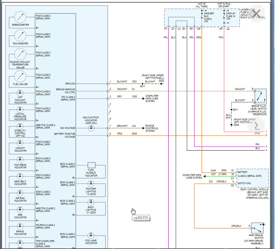
Unfortunately, the way they break down the wiring diagrams is by system or component. So for example, here is the wiring diagram for the cluster and related components. This means getting you the under dash wiring would be quite a bit so it would be better if you tell us what system you are working on if not the cluster and we can provide that diagram.
Was this
answer
helpful?
Yes
No
+1
Friday, November 13th, 2020 AT 5:30 PM

Please login or register to post a reply.