Wiring diagram for the PCM needed?

Tiny
JACKSOB4
  • MEMBER
  • 2008 MERCURY MOUNTAINEER
  • 4.6L
  • V8
  • 4WD
  • AUTOMATIC
  • 227,000 MILES
Can someone find a wiring diagram for the PCM? I need to test some wires. Thank you.
Wednesday, August 7th, 2024 AT 11:44 AM

10 Replies

Tiny
AL514
  • MECHANIC
  • 5,584 POSTS
Hello, yes, we can do that for you, just a couple minutes.
Was this
answer
helpful?
Yes
No
Wednesday, August 7th, 2024 AT 2:18 PM
Tiny
AL514
  • MECHANIC
  • 5,584 POSTS
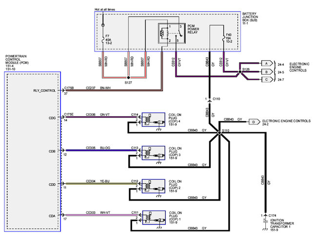
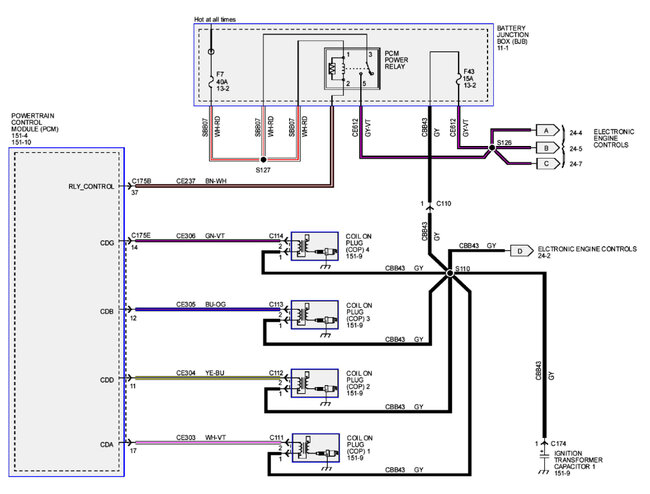
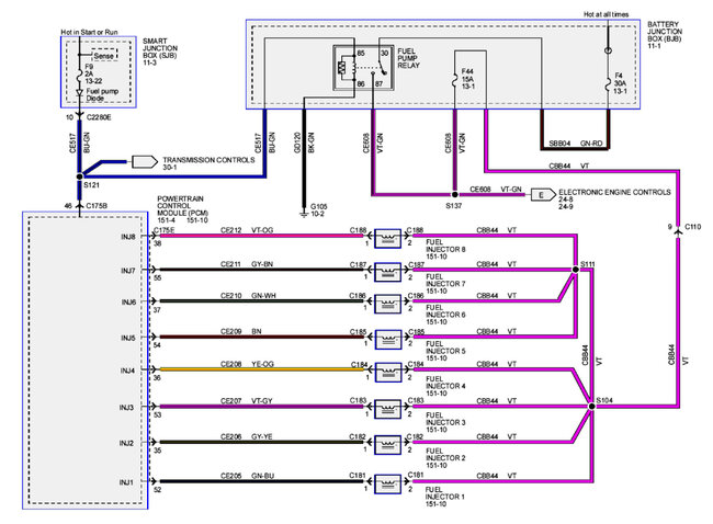
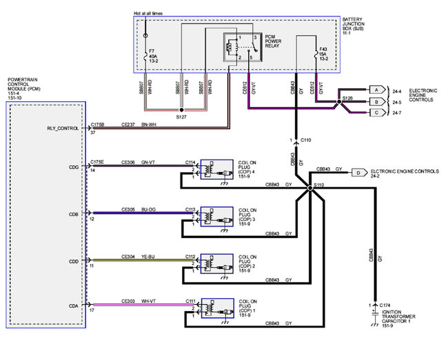
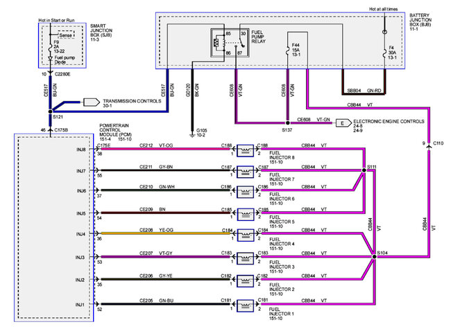
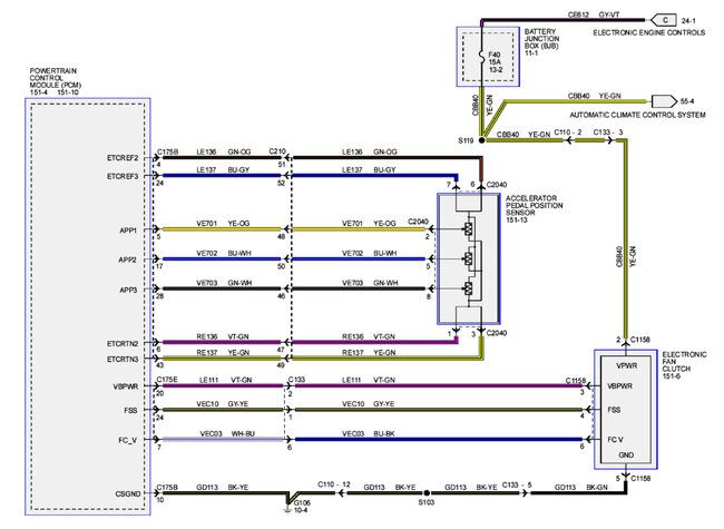
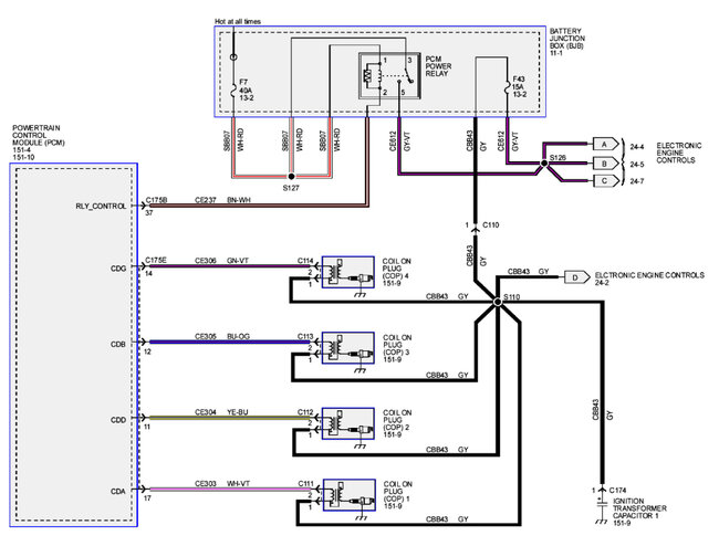
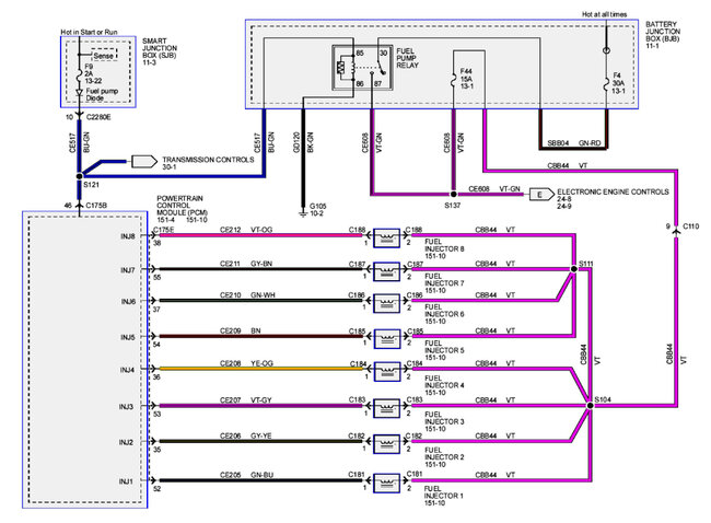
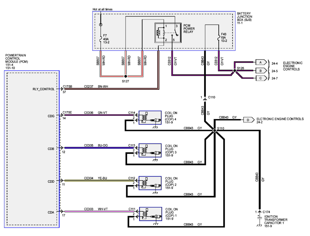
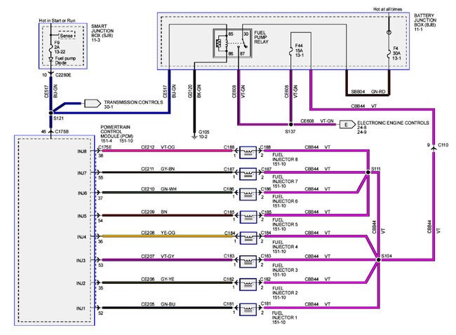
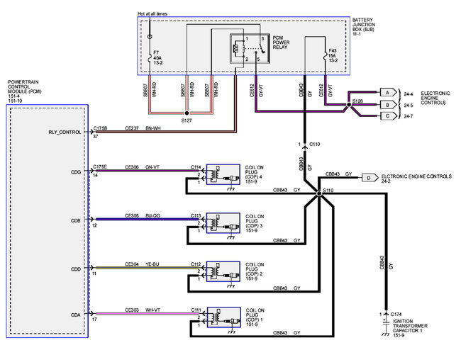
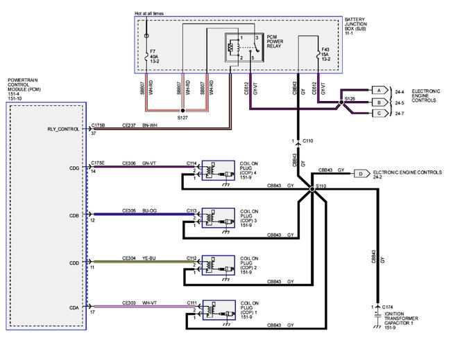
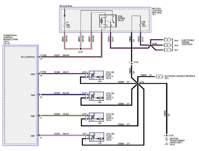
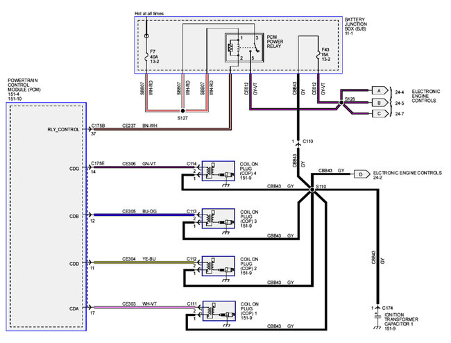
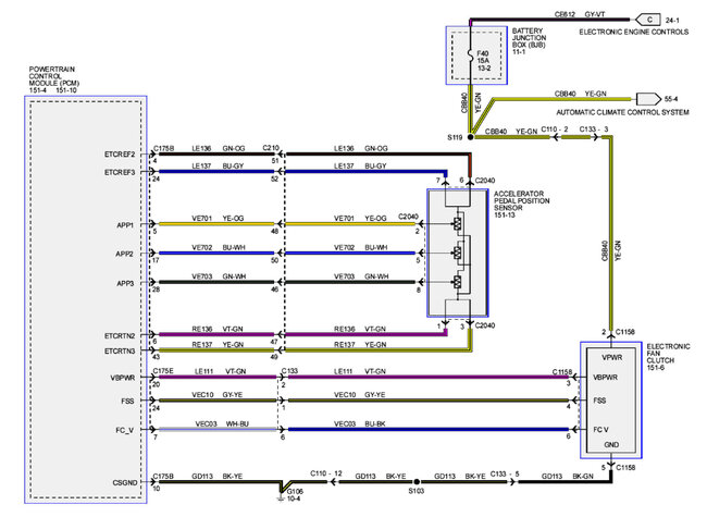
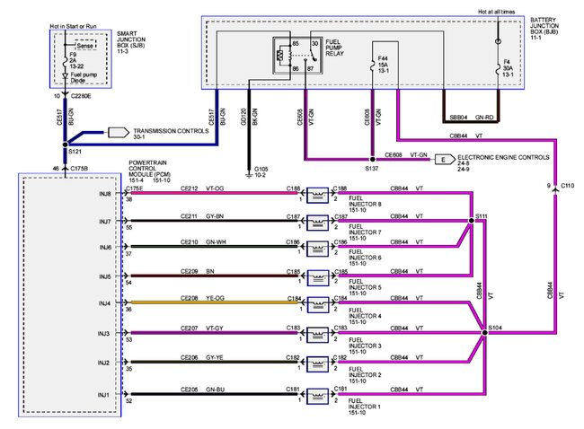
These are the aftermarket PCM wiring diagrams, diagram 1, 2 go together, top and bottom, then 3, 4 and so on. Zoomed out on one page they are difficult to read, I will also post the OEM PCM diagrams here as well, just in case you see any differences. The OEMs look clearer as well.
Was this
answer
helpful?
Yes
No
Wednesday, August 7th, 2024 AT 2:39 PM
Tiny
AL514
  • MECHANIC
  • 5,584 POSTS
These are the Powertrain OEM diagrams along with the index last if you need anything specific.
Was this
answer
helpful?
Yes
No
Wednesday, August 7th, 2024 AT 2:49 PM
Tiny
JACKSOB4
  • MEMBER
  • 5 POSTS
Thank you. That is what I need. Does anyone know how the pins are numbered on the PCM? I'm trying to see if my signal wire for the camshaft position sensor is bad. Thanks.
Was this
answer
helpful?
Yes
No
Wednesday, August 7th, 2024 AT 3:33 PM
Tiny
AL514
  • MECHANIC
  • 5,584 POSTS
Yup, so for the PCM connectors since there's 3 its best to identify the correct connector by the wiring colors and their locations. The cam sensors are pins 44 and 45, Pin 44 is green/violet, and Pin 45 is brown/blue. The connector diagram 1 below is looking at the connector pins, that's the view, so from the back of the connector it will be the opposite.
Was this
answer
helpful?
Yes
No
Wednesday, August 7th, 2024 AT 3:59 PM
Tiny
JACKSOB4
  • MEMBER
  • 5 POSTS
Thank you.
Was this
answer
helpful?
Yes
No
Wednesday, August 7th, 2024 AT 4:13 PM
Tiny
AL514
  • MECHANIC
  • 5,584 POSTS
Glad to help, let us know what you find.
Was this
answer
helpful?
Yes
No
Wednesday, August 7th, 2024 AT 5:44 PM
Tiny
JACKSOB4
  • MEMBER
  • 5 POSTS
All the wiring tested good. Decided to throw a new timing set on it since the factory chain was not marked. That fixed the issue. The codes I was getting were P0345, P0349, P2195, and P2197.
Was this
answer
helpful?
Yes
No
Sunday, August 18th, 2024 AT 8:50 AM
Tiny
AL514
  • MECHANIC
  • 5,584 POSTS
Glad you got it figured out, youre not getting anymore Oxygen sensor codes now? If so those chains must have been really stretched, cylinder misfires will cause 02s to read lean due to the unburned oxygen, but both of those codes (P2195 and P2197) are B1 and B2 sensor 1 Signal biased/Stuck lean. Was this a no start condition or just camshaft codes? Good fix though really.
Was this
answer
helpful?
Yes
No
Sunday, August 18th, 2024 AT 11:07 AM
Tiny
JACKSOB4
  • MEMBER
  • 5 POSTS
All codes clear and running good. It would start but idled rough.
Was this
answer
helpful?
Yes
No
Sunday, August 18th, 2024 AT 5:44 PM

Please login or register to post a reply.