Complete wiring diagram needed?

Tiny
BRIAN SCOTT CHILDRESS
  • MEMBER
  • 2000 FORD MUSTANG
  • 4.6L
  • V8
  • 2WD
  • AUTOMATIC
  • 1,000,000 MILES
I need a complete wiring diagram some accessories don't work, and some wires have been cut and I want to go through and get everything working properly.
Monday, May 15th, 2023 AT 4:23 PM

3 Replies

Tiny
CARADIODOC
  • MECHANIC
  • 34,457 POSTS
What you're asking really isn't practical. There can be over 1,000 diagrams and variations depending on options. Instead, there's two ways to approach this. Ford had some of the best wiring diagram books and they're not expensive. I bought over 50 of them for my classroom from an eBay seller. There's a bunch listed for your model for as low as $20.00. They have a lot of callouts and explanations on each diagram too. Paper manuals like this are far superior because you can open to multiple pages at once, put in bookmarks, and add notes if you want to.

The other option is to specify which circuit you're working on, then give me time to find the diagrams in our online service, and format them so they can be uploaded. I'm here almost every day for a few hours, so it could take a day for me to reply, but that should also get you what you need. It's not uncommon for us to find and format two dozen diagrams in one reply, but each of those replies can take an hour or two to put together.

Let me know what works for you.
Was this
answer
helpful?
Yes
No
Monday, May 15th, 2023 AT 6:02 PM
Tiny
BRIAN SCOTT CHILDRESS
  • MEMBER
  • 2 POSTS
Okay, I know specifically I need the radio, cigarette outlet, and the electric mirror adjust, if you can help, I've looked for hours trying to figure it out.
Was this
answer
helpful?
Yes
No
Monday, May 15th, 2023 AT 6:58 PM
Tiny
CARADIODOC
  • MECHANIC
  • 34,457 POSTS
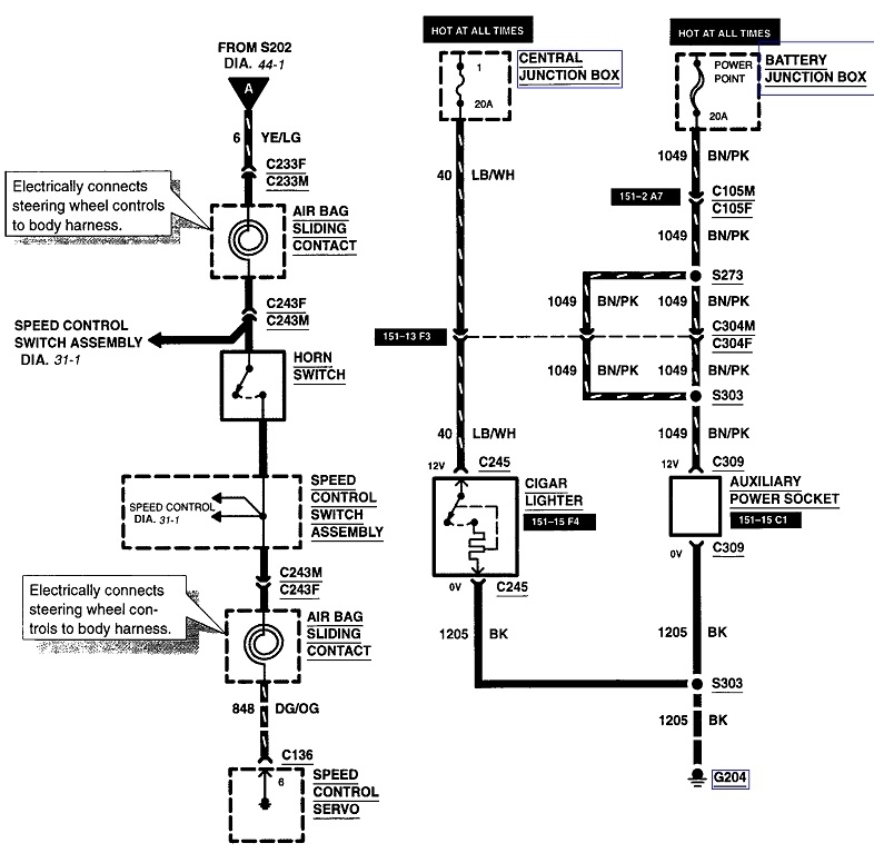
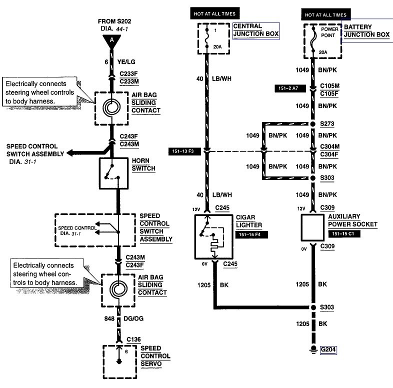
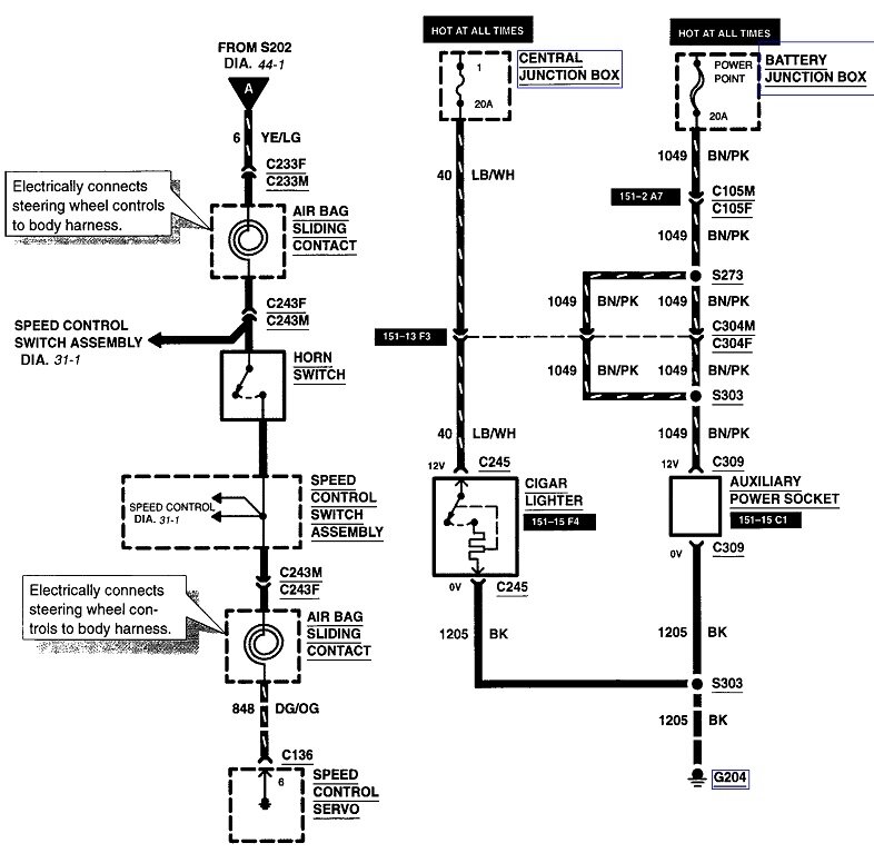
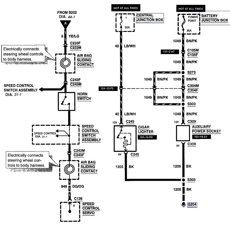
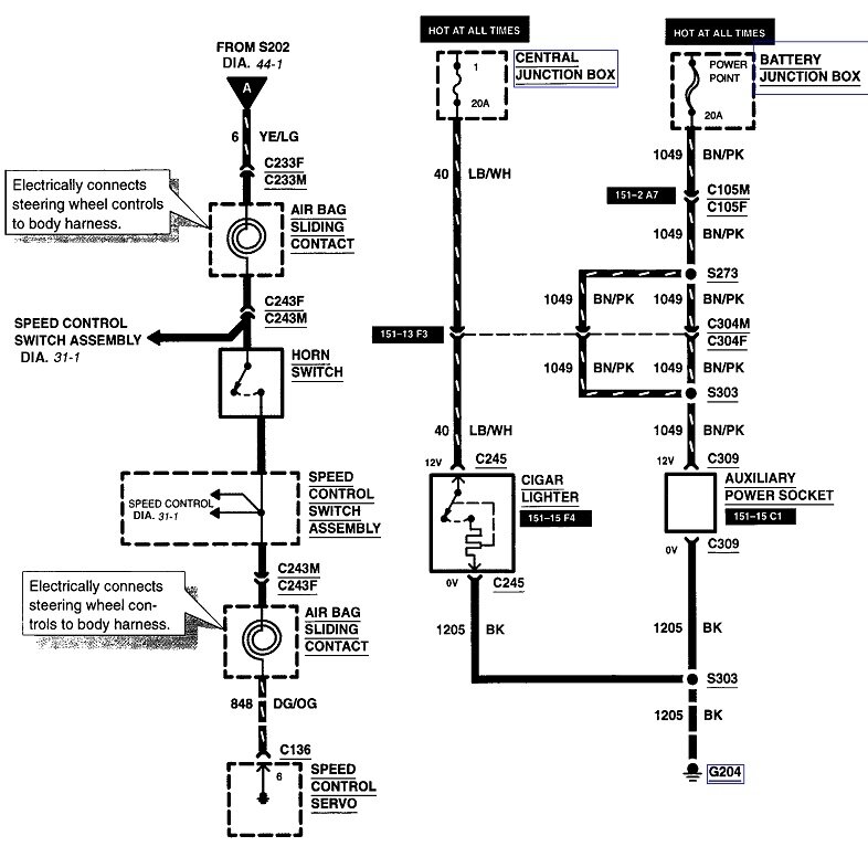
First diagram is for the cigarette lighter.

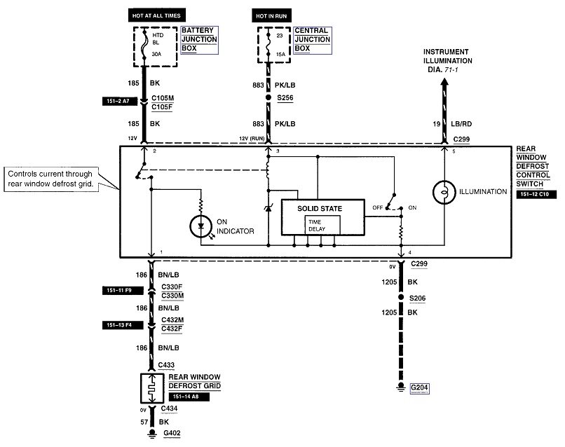
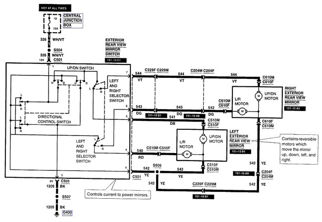
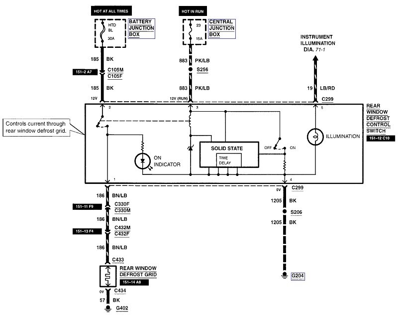
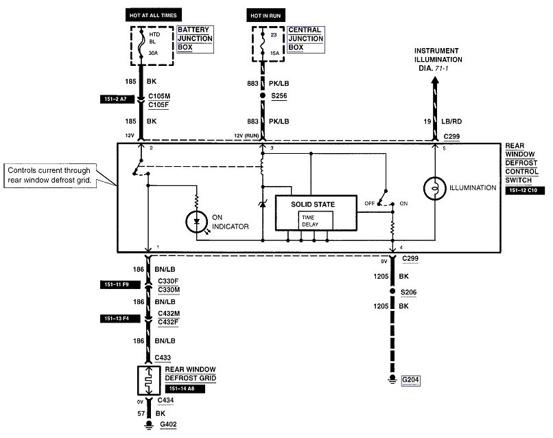
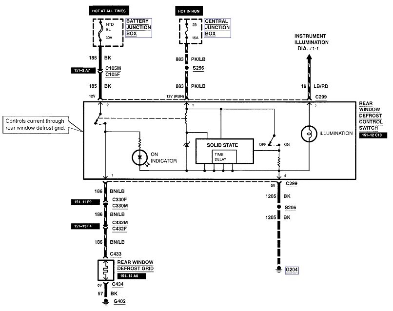
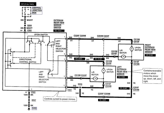
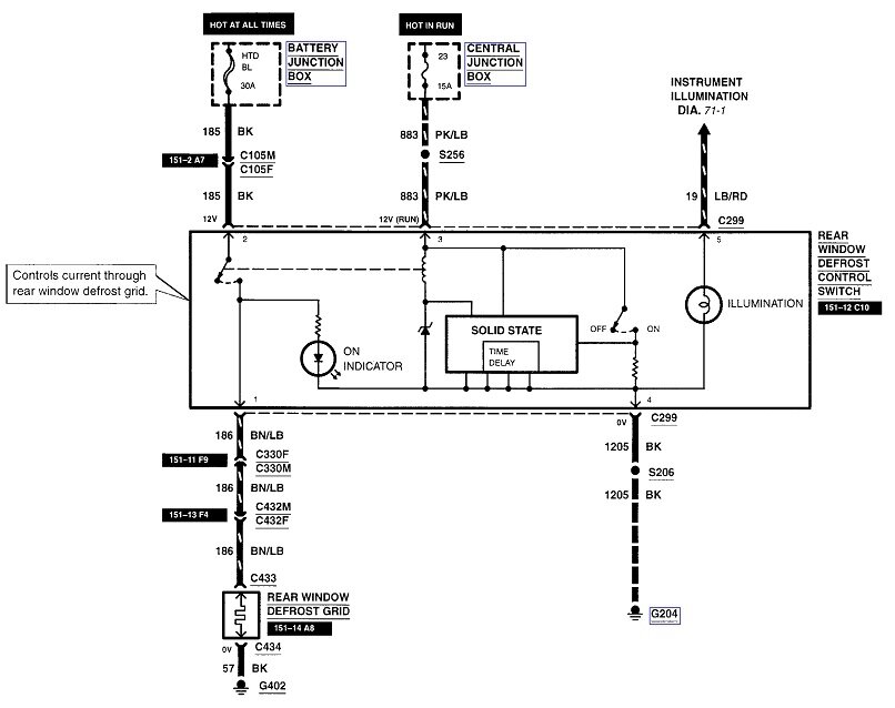
There's two listings for the mirrors. The third diagram is for power mirrors. For the heated mirrors, it says to use the "heated glass" diagram. That's the second one. The connector view for the rear defrost switch is in the fourth drawing.

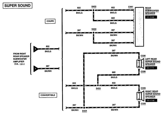
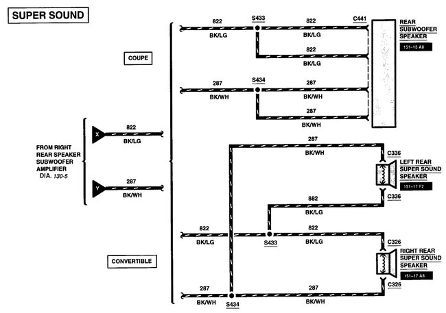
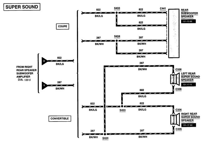
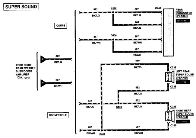
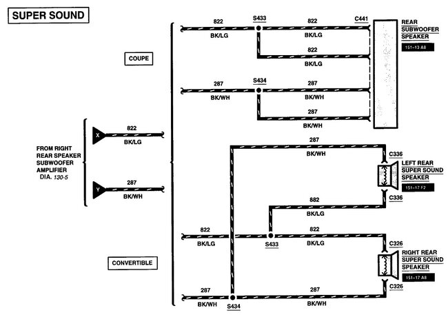
There's also two versions of the radio system. The fifth and sixth diagrams are for the "Premium" version. Diagrams seven through ten are for the "Super Sound" system.

The last seven images are for the plugs for both systems. I'll let you figure out which ones apply to your car.
Was this
answer
helpful?
Yes
No
Tuesday, May 16th, 2023 AT 5:24 PM

Please login or register to post a reply.

Related General Content