Wiring and fuse box diagram

Tiny
MULANG
  • MEMBER
  • 1989 MITSUBISHI MIRAGE
  • 4 CYL
  • 2WD
  • MANUAL
  • 190,139 MILES
I want to ask if someone has a wiring diagram for my car listed above? And a fuse box diagram would be nice as well.
Friday, September 7th, 2018 AT 6:55 AM

5 Replies

Tiny
DANNY L
  • MECHANIC
  • 5,648 POSTS
Hello, I am Danny.

Just a quick question first. Is it the 1.5 or 1.6L? I can get you the Fuse Box diagram but what other wiring diagrams would you like? Anything specific or the whole car? Hope this helps and thanks for using 2CarPros.
Danny-
Was this
answer
helpful?
Yes
No
Friday, September 7th, 2018 AT 1:41 PM
Tiny
MULANG
  • MEMBER
  • 9 POSTS
Hi Danny,

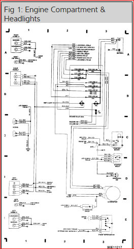
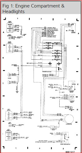
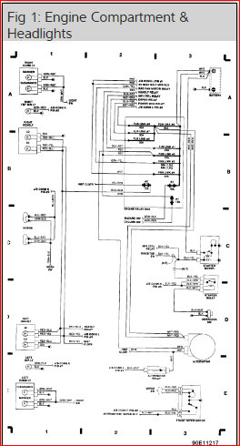
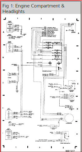
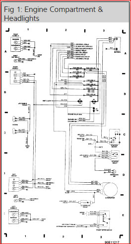
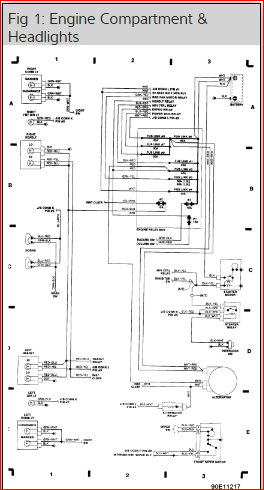
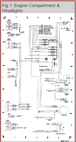
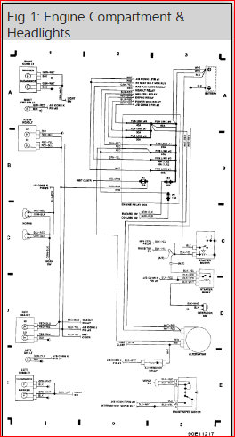
It is a 1.5L and I am looking for the headlight part of the wiring diagrams. But if you could provide the whole car that would be best.
Was this
answer
helpful?
Yes
No
Saturday, September 8th, 2018 AT 7:02 AM
Tiny
DANNY L
  • MECHANIC
  • 5,648 POSTS
Hello again.

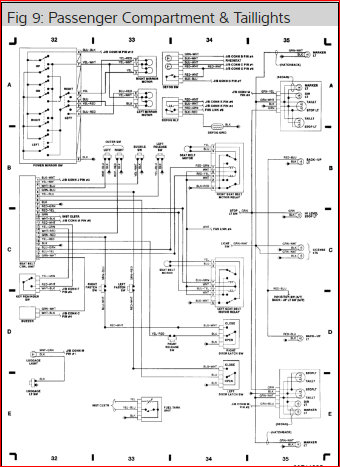
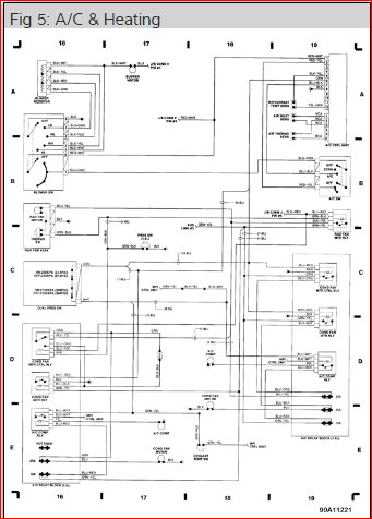
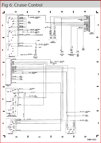
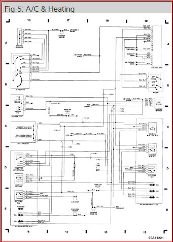
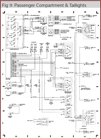
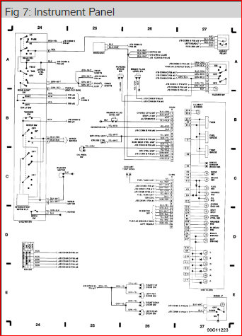
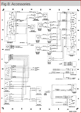
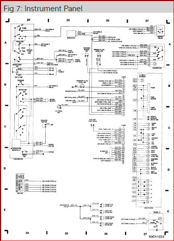
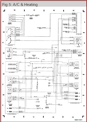
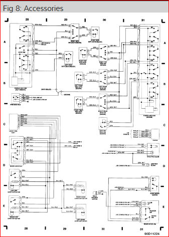
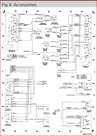
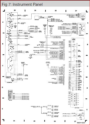
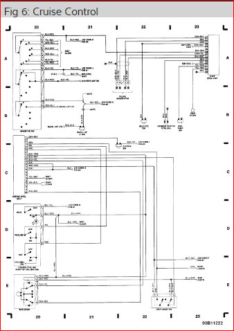
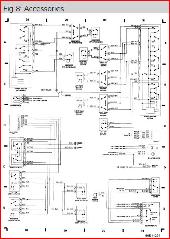
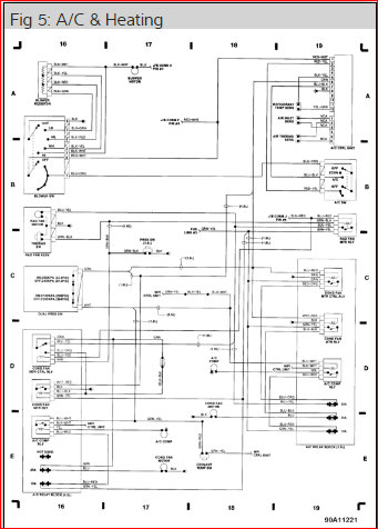
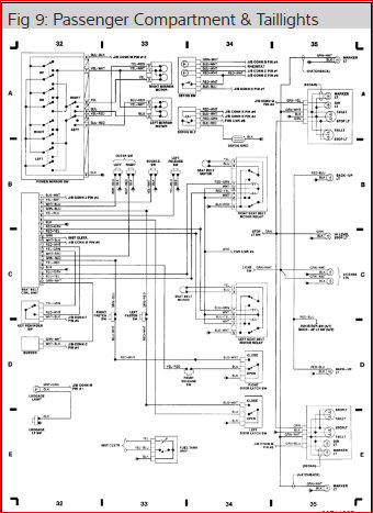
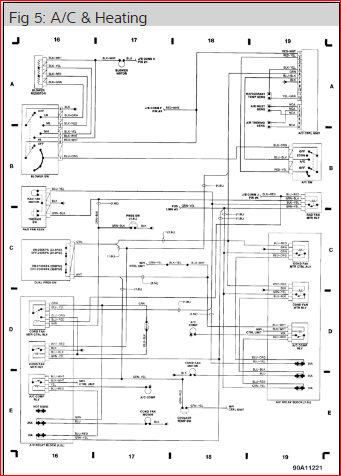
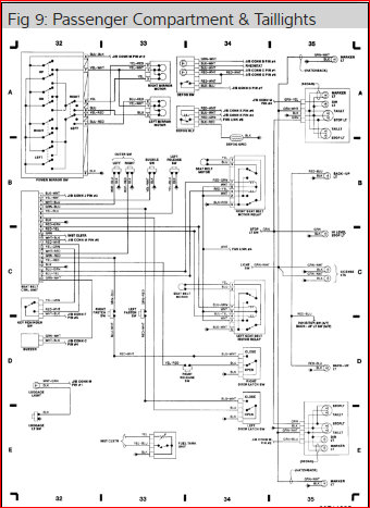
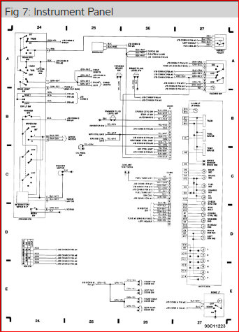
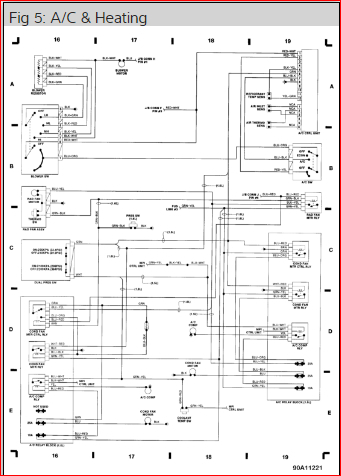
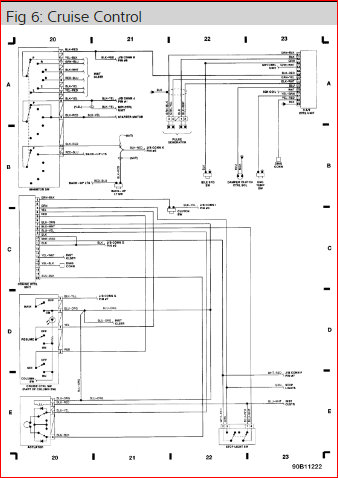
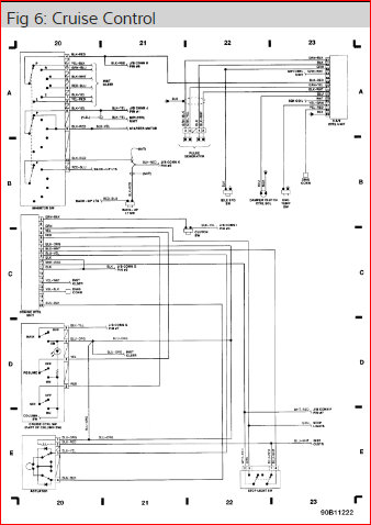
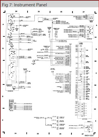
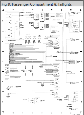
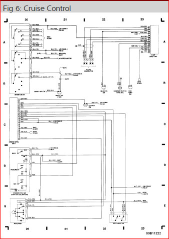
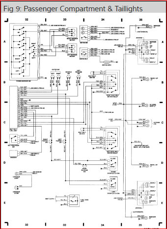
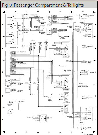
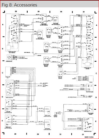
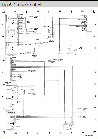
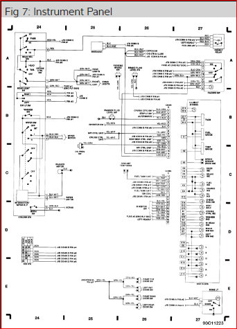
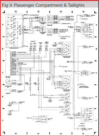
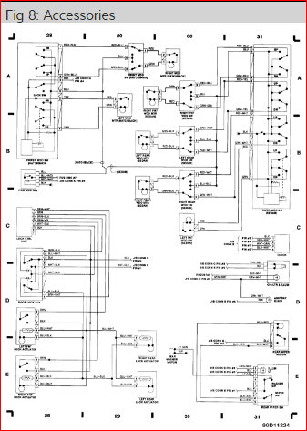
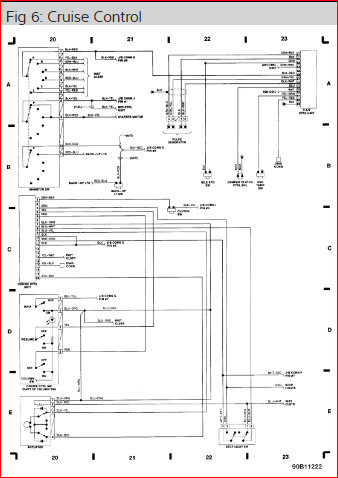
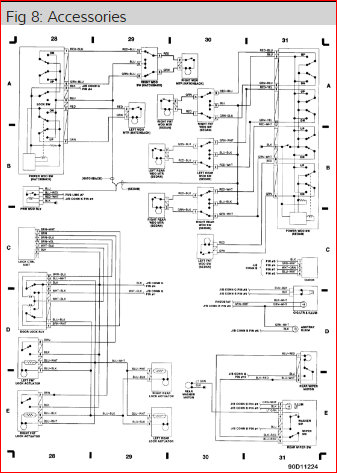
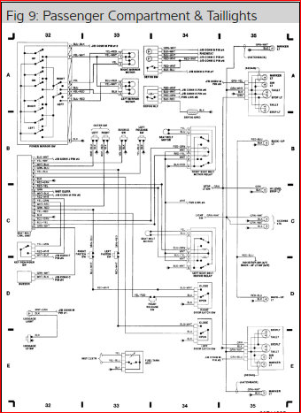
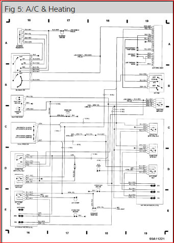
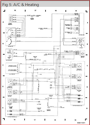
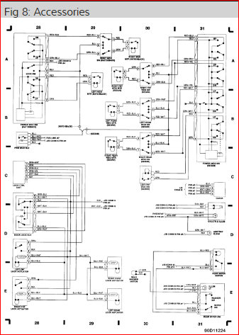
Here you go. I have attached seventeen pictures of the wiring diagrams and fuse boxes. Hope this helps and thanks again for using 2CarPros.
Danny-
Was this
answer
helpful?
Yes
No
+2
Saturday, September 8th, 2018 AT 10:21 PM
Tiny
MULANG
  • MEMBER
  • 9 POSTS
Thank you, this is very helpful.
Was this
answer
helpful?
Yes
No
Saturday, September 8th, 2018 AT 10:34 PM
Tiny
DANNY L
  • MECHANIC
  • 5,648 POSTS
You are welcome!
Thanks again for using 2CarPros.
Danny-
Was this
answer
helpful?
Yes
No
Saturday, September 8th, 2018 AT 10:56 PM

Please login or register to post a reply.