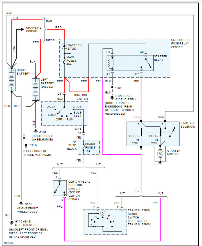
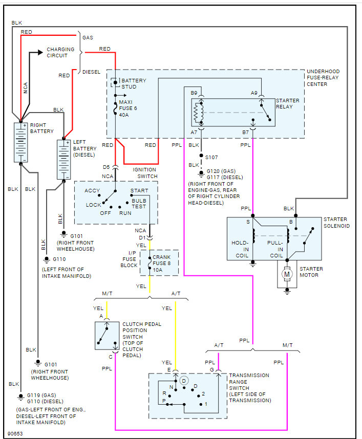
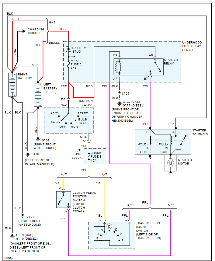
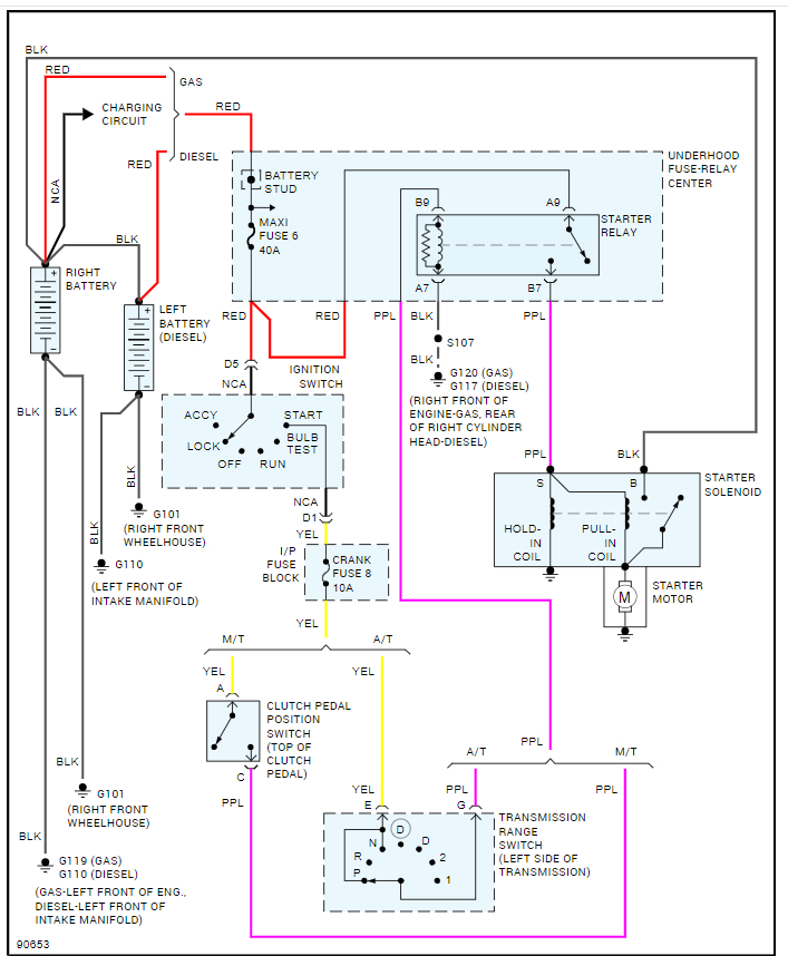
Saturday, December 30th, 2023 AT 3:56 PM
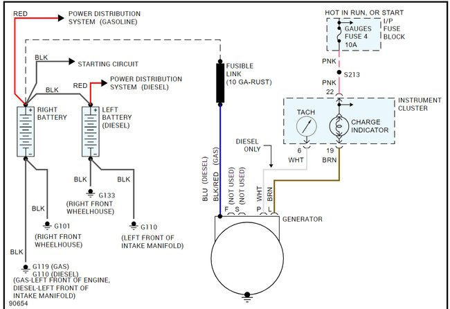
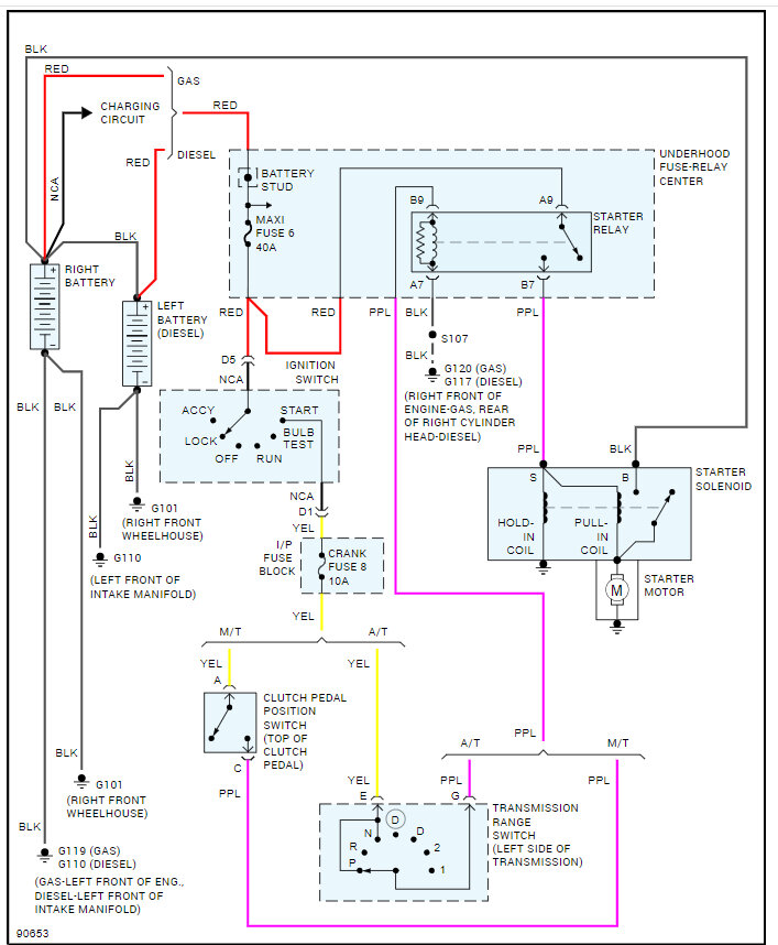
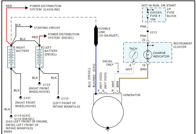
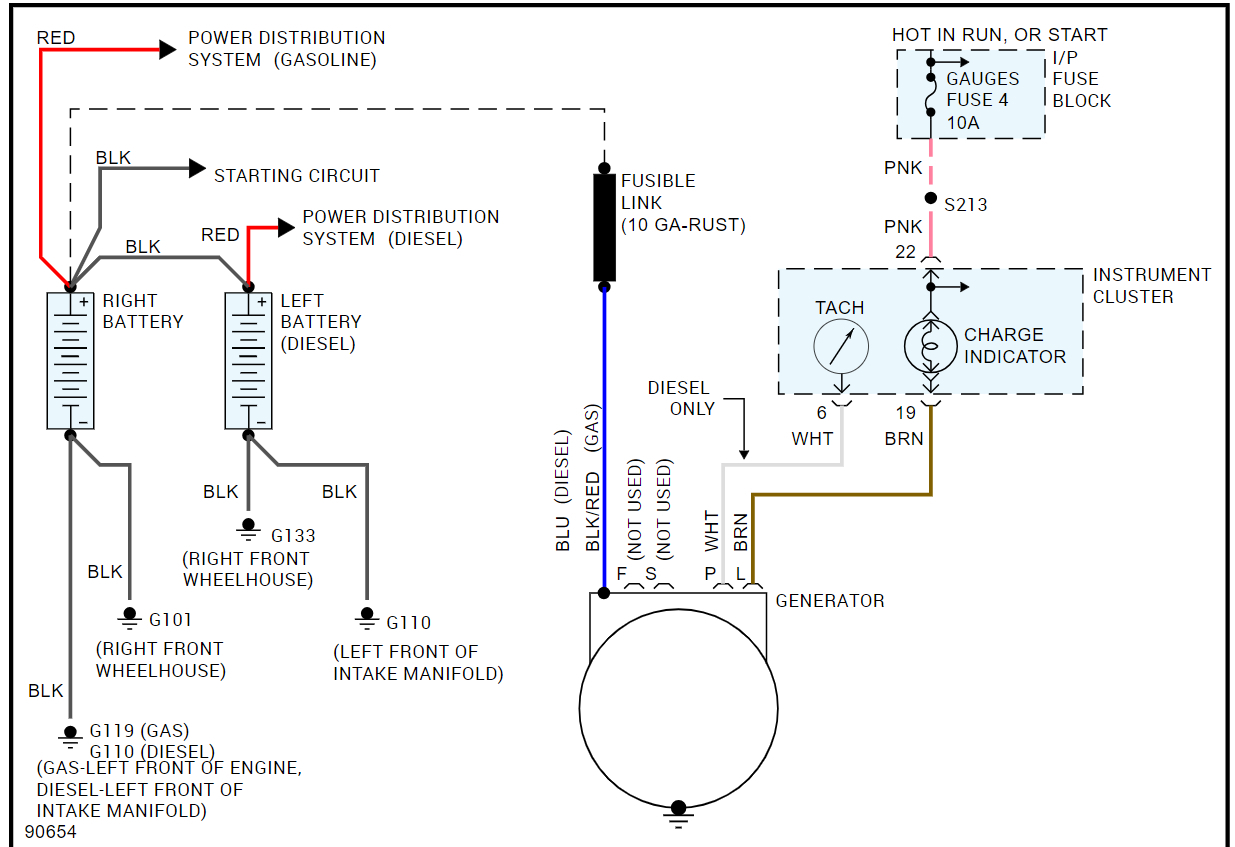
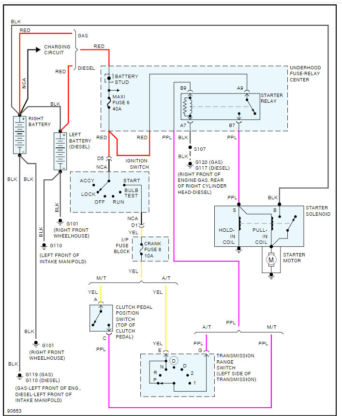
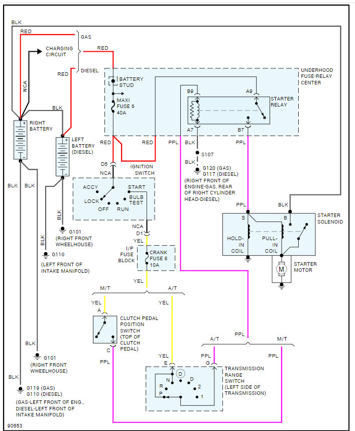
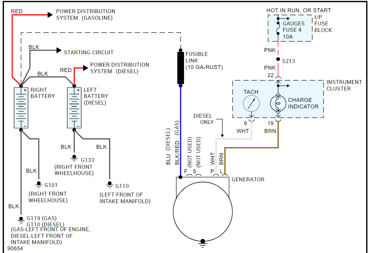
I just did an engine swap and while I was at work someone messed around my garage so now, I have to replace both positive and negative terminals. Could you help me with a schematic, so I know what and where each one connects to. Like pos to starter, alternator, etc, and neg to body, etc. I could use some help here and I appreciate you guys for real!











