Thursday, January 31st, 2019 AT 3:24 PM
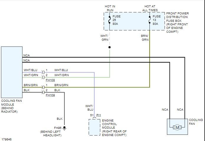
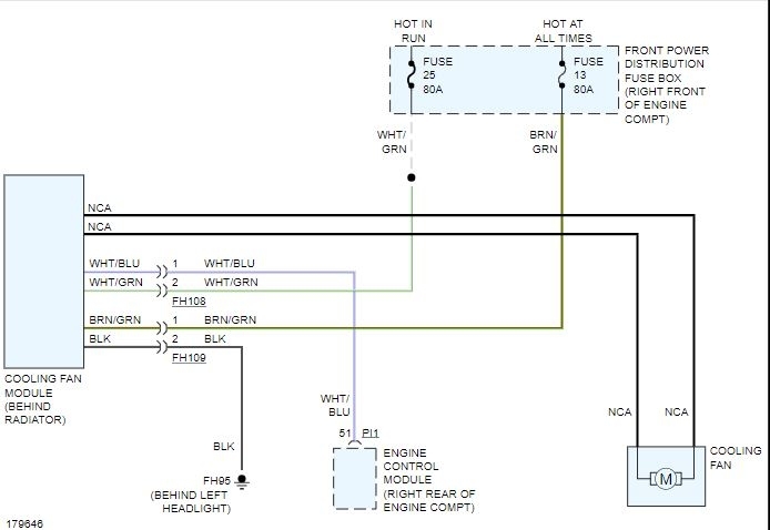
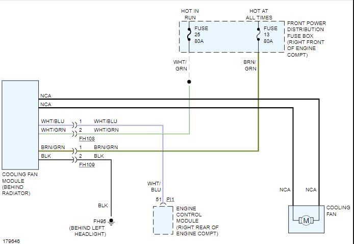
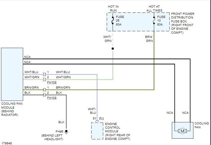
Good evening, it was discovered that the wire that runs from the fan to the connector is damaged. We would like to know where the little white and blue wire connects to. Can you please send a schematic wiring diagram showing where the wire connect to please, if you can? Please see images of wire below. Thank you in advance guys!


