Thursday, March 27th, 2025 AT 8:47 AM
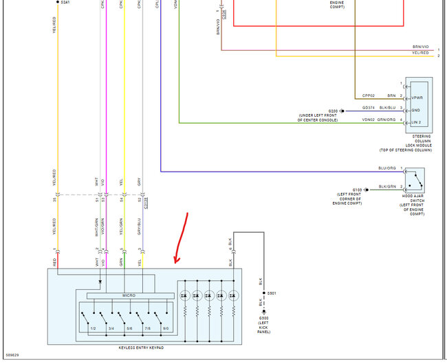
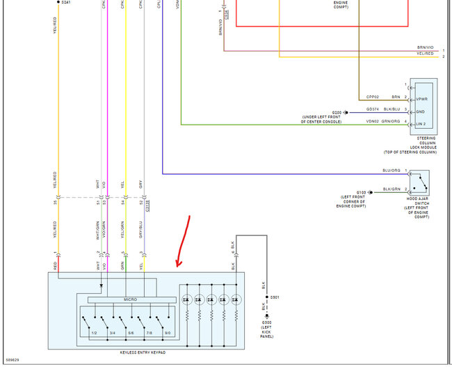
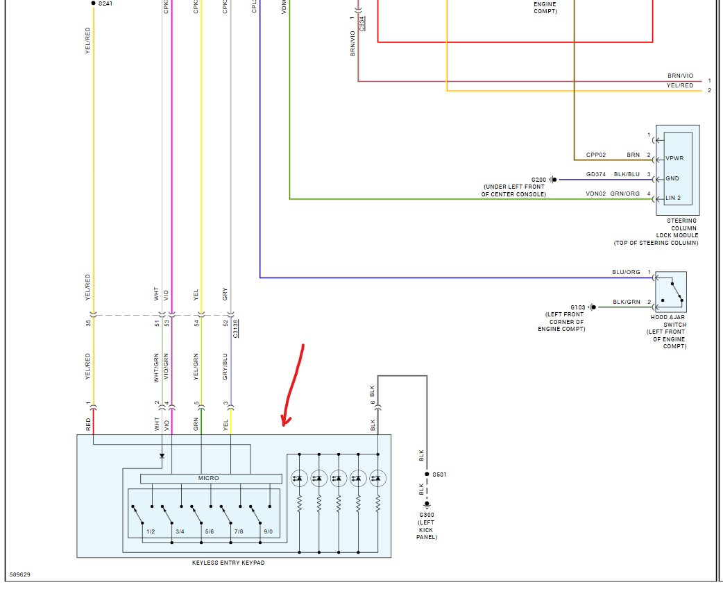
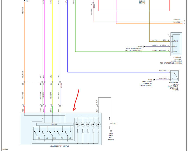
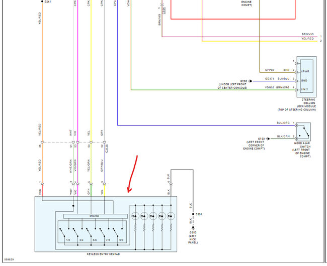
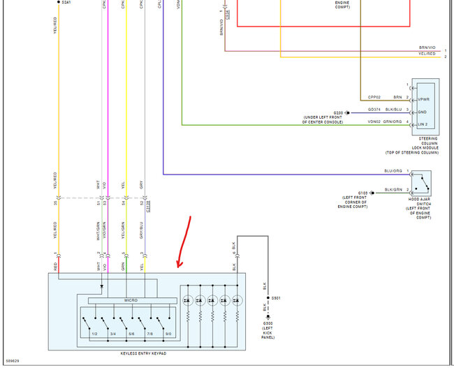
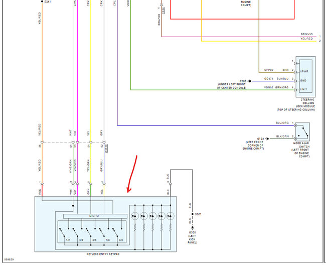
During a road trip with our vehicle listed above Sport, the trim piece that houses the Ford keypad keyless entry came off and was hanging only by the 6 small wires. We had no tools and were on the side of the freeway, so I made the stupid decision to just cut the wires to detach the piece. This caused our tailgate to no longer work (no way to open or close it, even manually), the rear climate controls to no longer function, the "tailgate ajar" warning to always be on, and the interior lights to not shut off until 10 minutes later. Our Ford dealer charged me almost $700 to replace the keypad and reprogram it. Then, they charged me another $1,100 to replace the tailgate controller saying it was shorted out by the incident. Now, they still cannot get the electronics to work and want to charge me more labor for all the time they have spent troubleshooting the issue. Are they just not competent?

