Wire diagram factory stereo/deck?

Tiny
JEWELSLYNNE79
  • MEMBER
  • 2007 CHEVROLET AVEO
  • 2.6L
  • 4 CYL
  • 2WD
  • AUTOMATIC
  • 476,258 MILES
I'm trying to hook up my system to the factory deck and I need help with the wire diagram for the factory stereo.
Friday, February 23rd, 2024 AT 10:31 AM

2 Replies

Tiny
KEN L
  • MASTER CERTIFIED MECHANIC
  • 55,322 POSTS
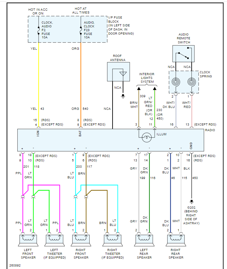
Sure, there are two different options depending on body style I have provided both radio wiring diagrams. Let me know if you need anything else and check out the images below.
Was this
answer
helpful?
Yes
No
Friday, February 23rd, 2024 AT 3:04 PM
Tiny
KEN L
  • MASTER CERTIFIED MECHANIC
  • 55,322 POSTS
Anything?
Was this
answer
helpful?
Yes
No
Saturday, May 11th, 2024 AT 11:34 AM

Please login or register to post a reply.

Related General Content