Wire color diagram for the acceleration pedal position sensor needed?

Tiny
ERICFRAIN
  • MEMBER
  • 2001 TOYOTA LANDCRUISER
  • 5.7L
  • V8
  • 4WD
  • AUTOMATIC
  • 253,000 MILES
The acceleration pedal position sensor wire colors needed.
Saturday, August 17th, 2024 AT 4:09 PM

1 Reply

Tiny
JACOBANDNICKOLAS
  • MECHANIC
  • 110,194 POSTS
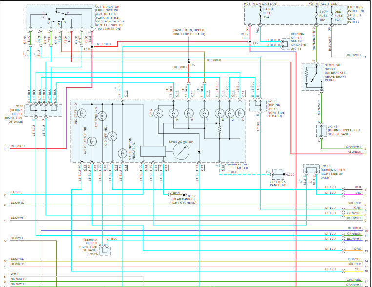
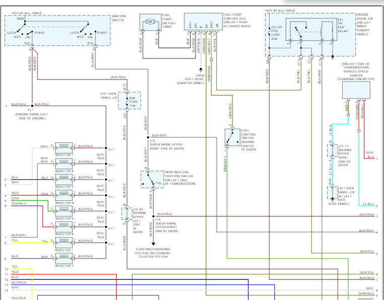
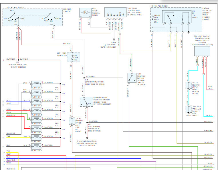
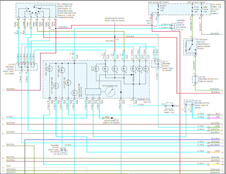
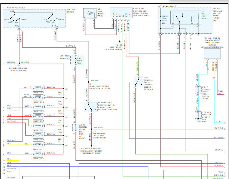
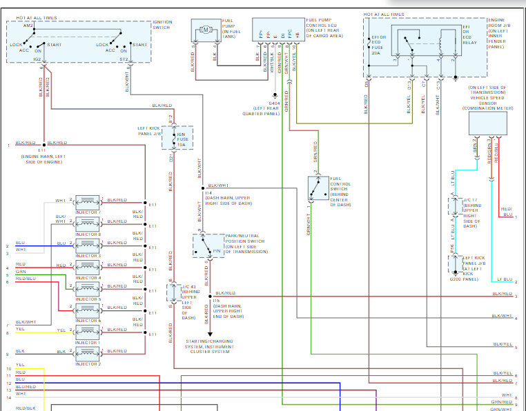
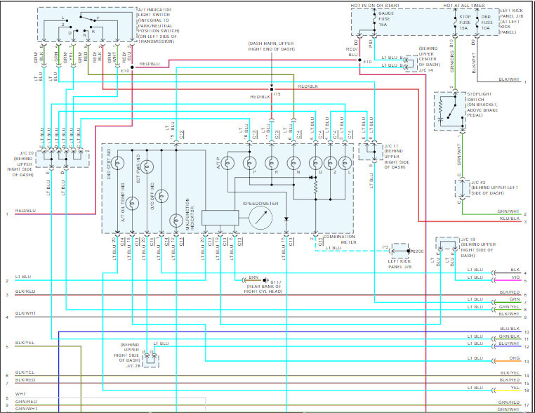
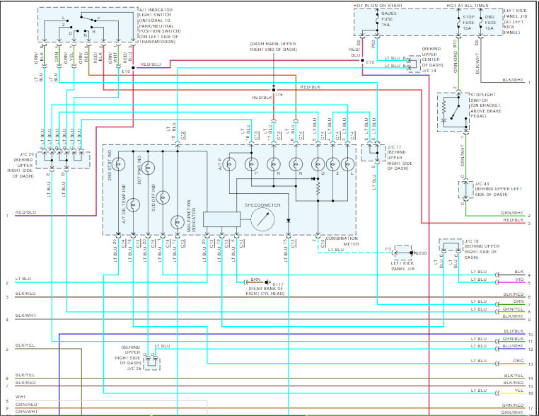
Hi,

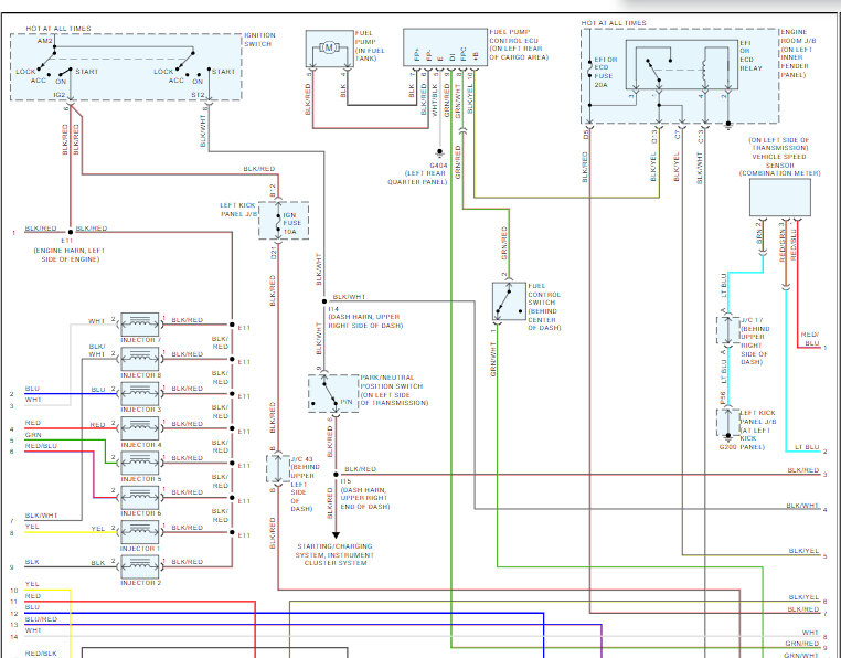
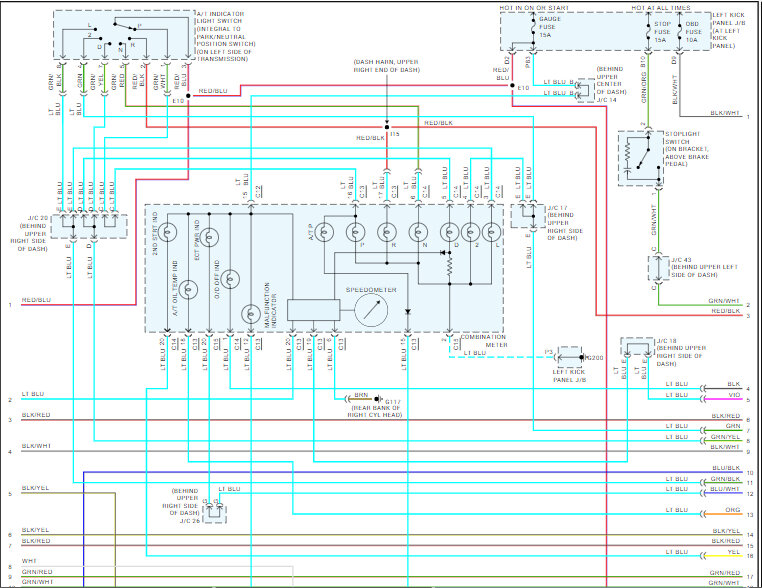
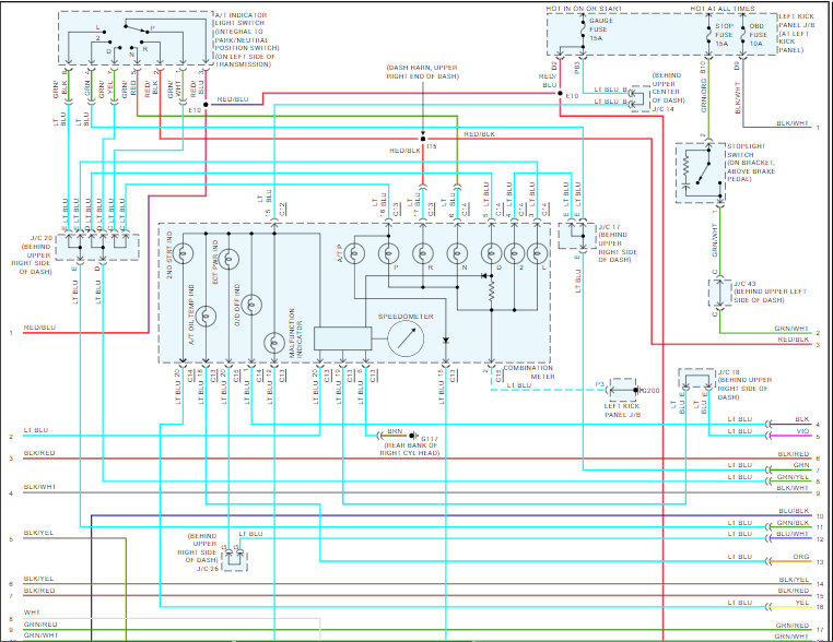
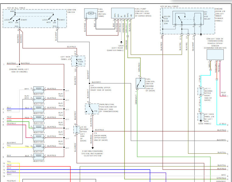
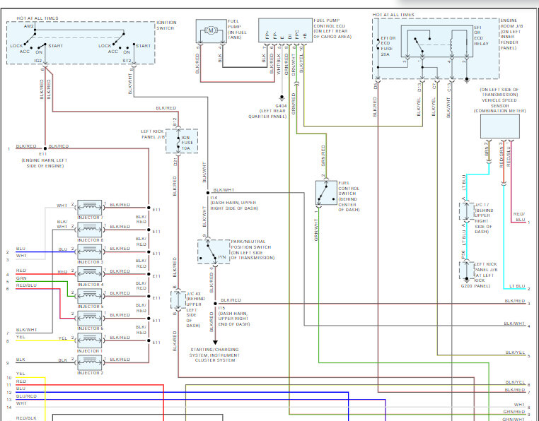
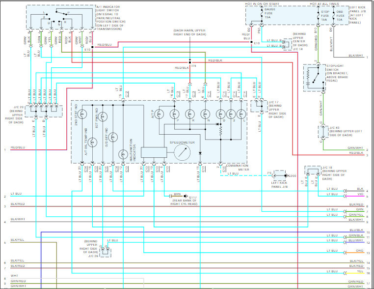
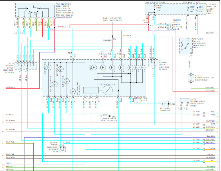
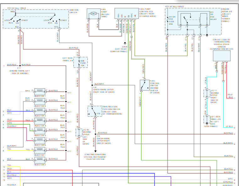
I went through my wiring schematics and couldn't find only APP info. So, I had to attach the entire wiring schematic for the powertrain control.

I highlighted everything I could find related to throttle control for you. Also, note that the schematic was 4 pages long. I had to cut each page in half to make them readable for you. I did overlap them so you can follow from one to the next.

Let me know if this helps.

Take care,

Joe

See pics below.
Was this
answer
helpful?
Yes
No
Sunday, August 18th, 2024 AT 7:59 PM

Please login or register to post a reply.