Wipers

Tiny
LOCOLORENCZ
  • MEMBER
  • 1997 MERCEDES BENZ E320
  • 70 MILES
Wipers wont turn off.
Saturday, September 24th, 2016 AT 4:26 PM

1 Reply

Tiny
AL514
  • MECHANIC
  • 5,568 POSTS
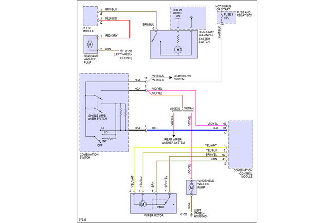
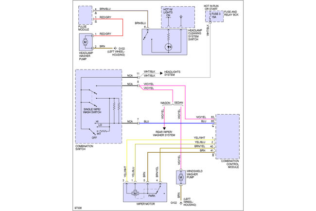
Looks like the wiper combination switch is bad. It sends power to the combination control module, then to the wiper motor. So to put it simple, the switch that you use to turn the wipers on and off is bad, sending power constantly. Here is a diagram of the wiper switch.
Was this
answer
helpful?
Yes
No
Saturday, September 24th, 2016 AT 10:58 PM

Please login or register to post a reply.