Windshield wipers not working?

Tiny
TARA DECKER
  • MEMBER
  • 2005 HONDA CIVIC
  • 1.7L
  • 4 CYL
  • 2WD
  • AUTOMATIC
  • 167,000 MILES
My boyfriend has the car listed above LX model. Wiper fuse will constantly blow. I replaced the switch on the steering column after a shop told me that was what was wrong. Fuse blows again. I take the car apart look at the linkage and everything is fine. It is working. Today I am out in the garage and take it a part out a new fuse in. I am tracing wires to see if there is a short and it is grounding. Could not find anything from the wiper motor to the firewall. Then I think what if the plastic that goes on the car is restricting the spindles to turn the arms. Grab pliers and hold one of the spindles. It stays running. What finally tripped the fuse and makes no sense I pulled the wiper switch back to use the wiper fluid and it popped the fuse. Any ideas on how to fix this? Much appreciated,
Tara
Sunday, November 25th, 2018 AT 12:33 PM

11 Replies

Tiny
JACOBANDNICKOLAS
  • MECHANIC
  • 110,194 POSTS
Hi and thanks for using 2CarPros.

First, if the fuse only blows when you use the washer, I need you to check the white/blue wire to the washer pump. Check to see if there is a short to ground. Basically, with everything off, see if there is continuity between the wire and ground.

If the fuse blows when you use the wipers, that is a different issue. The two circuits are separate other than they function from the same switch. I will need to know which fuse is blowing. Also, just for the heck of it, disconnect the washer pump and then pull the washer lever back and see if the fuse still blows. If it does not, you may have a short in the washer motor. Do the same with the wiper motor if it is still blowing fuses.

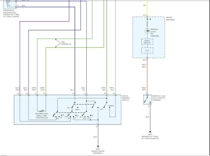
I have attached a schematic of the system for you to follow (if needed). I had to break it into two pictures because of size. Otherwise, you would not be able to read it.

Let me know what you find and what happens when things are disconnected. Note: Only disconnect one thing at a time so you can eliminate one thing rather than question both. Also, confirm for me that it is fuse 20 (20 amp) in the under dash fuse box that is blowing.

One last thing, let me know if you removed the new switch and checked the connectors for bent pins, wires pinched, or any problems with the plug.

Take care,
Joe
Was this
answer
helpful?
Yes
No
+1
Sunday, November 25th, 2018 AT 7:50 PM
Tiny
STEPHANIE AYLYA COLBY GRASSETTE
  • MEMBER
  • 1 POST
  • 2000 HONDA CIVIC
  • 4 CYL
  • 2WD
  • AUTOMATIC
  • 156,000 MILES
So I had my wipers on, I shut them off turned off the car and when I came back out and turned on the car and went to use the wipers they wouldn't come on. I took it to a garage it wasn't the fuse, and it wasn't the switch. When I put a fuse in they come on and work and I have to take it out to shut them off. Please help?
Was this
answer
helpful?
Yes
No
Thursday, October 15th, 2020 AT 11:55 AM (Merged)
Tiny
SCGRANTURISMO
  • MECHANIC
  • 4,897 POSTS
Hello,

This sounds to me like you have a short to power in the circuit somewhere. But before we get into what it is going to take to fix it, I want you to take a look at this Technical Service Bulletin that I came across when I was pulling up your vehicle's wiring diagrams. I have included it in the diagrams down below. Please call your local dealership and inquire about it and then get back to us with what you find out. If not we can go from there and get it fixed ourselves.

Thanks,
Alex
2CarPros
Was this
answer
helpful?
Yes
No
Thursday, October 15th, 2020 AT 11:55 AM (Merged)
Tiny
TIMH310
  • MEMBER
  • 2 POSTS
  • 2000 HONDA CIVIC
  • 4 CYL
  • FWD
  • AUTOMATIC
  • 100,000 MILES
I got in my car last night and I had a bit of snow on the windshield. I started the car and turned the wipers on. They must have had a bit of ice cause they moved a bit then I shut them off cause I assumed they were stuck with ice. I shut them off and cleaned off th eice and let car warm up. Then I went to turn on wipers and nothing they didnt even flinch. When switch is on motor doesnt even make a sound. I checked the fuses and they appear to be good. Help
Was this
answer
helpful?
Yes
No
Thursday, October 15th, 2020 AT 11:55 AM (Merged)
Tiny
MERLIN2021
  • MECHANIC
  • 17,250 POSTS


https://www.2carpros.com/forum/automotive_pictures/62217_civic_2.jpg


FRONT WIPER MOTOR TEST 1. Open hood. Remove wiper arms. Disconnect front wiper motor 5-pin connector. Using jumper wires, apply battery voltage to wiper motor terminal No. 4 (Green/Black wire) and ground terminal No. 2 (Blue wire). Ensure wiper motor operates on low speed. See Fig. 11 . Go to next step. 2. Using jumper wires, apply battery voltage to motor terminal No. 4 (Green/Black wire) and ground terminal No. 1 (Blue/Yellow wire). Wiper motor should operate on high speed. Replace wiper motor if it fails to run smoothly. See Fig. 11 . If wiper motor operates as specified, go to next step. 3. Connect analog voltmeter positive lead to terminal No. 5 (Blue/White wire), and negative lead to terminal No. 3 (Black wire). With wiper motor running at low or high speed, voltage should pulse between zero volts and 5 or more volts. Replace wiper motor if voltage does not pulse as specified. Fig. 11: Identifying Front Wiper Motor Connector Terminals (Civic Shown; Others Similar) Courtesy of AMERICAN HONDA MOTOR CO., INC. Page 1 of 1 WIPER/WASHER SYSTEMS -2000 Honda Civic DX 1/31/2009
Was this
answer
helpful?
Yes
No
+2
Thursday, October 15th, 2020 AT 11:55 AM (Merged)
Tiny
TIMH310
  • MEMBER
  • 2 POSTS
I go the cowl off and the whole bracket that holds the pump and the wiper arm where all broken and cracked off. The pump was just lying the in the hole not attached to anything but the wiring harness. Is that bracket a dealer item only? Where can I get one? Thanks
Was this
answer
helpful?
Yes
No
Thursday, October 15th, 2020 AT 11:55 AM (Merged)
Tiny
MERLIN2021
  • MECHANIC
  • 17,250 POSTS
Usually, best bet is the local junk yards.
Was this
answer
helpful?
Yes
No
Thursday, October 15th, 2020 AT 11:55 AM (Merged)
Tiny
BETHANY0721
  • MEMBER
  • 1 POST
  • 1999 HONDA CIVIC
1999 Honda Civic 4 cyl 93700 miles

my car was stolen, and when I got it back black and gold plastic pieces were all over the floor board and my windshield wipers won't turn on. Everything else works, so my question is how do I fit these pieces back together to fix my wipers? Do I need a new wiper engine or is it just an easy electrical fix?
Was this
answer
helpful?
Yes
No
Thursday, October 15th, 2020 AT 11:55 AM (Merged)
Tiny
KHLOW2008
  • MECHANIC
  • 41,814 POSTS
Hi bethany0721,

You need to find out if the wiper motor is still attached to your car. Check for a blown fuse. If it operates only in fast mode, then you need to check the intermittent relay.
Was this
answer
helpful?
Yes
No
Thursday, October 15th, 2020 AT 11:55 AM (Merged)
Tiny
GUNGANC
  • MEMBER
  • 1 POST
  • HONDA CIVIC
Wipers were working, stopped at a store, restart car and wipers do not work and fuse was blown. Replaced fuse and tried wipers again and the fuse blew immediately. Replaced motor and fuse and retried wipers. No luck and fuse blown again. Any ideas?
Was this
answer
helpful?
Yes
No
Thursday, October 15th, 2020 AT 11:56 AM (Merged)
Tiny
BRUCE HUNT
  • MECHANIC
  • 3,754 POSTS
The switch for this is in the steering column and is easy to get at and it is easy to replace or take apart. I would take it apart and look at it. I have done this several times and had good luck with repairing it. Mostly for the ones I have taken apart a good cleaning and everything went back together and worked fine.
Was this
answer
helpful?
Yes
No
Thursday, October 15th, 2020 AT 11:56 AM (Merged)

Please login or register to post a reply.