Windshield wipers not working?

Tiny
MOSSLE
  • MEMBER
  • 2000 CHEVROLET S-10
  • 2.2L
  • 4 CYL
  • RWD
  • AUTOMATIC
  • 140,000 MILES
I saw this problem posed once before and the answer seemed to suggest that it was merely a coincidence, but I have the same symptoms. The heater fan and windshield wipers both went out at the same time. Later, they both began working again. Now, they are both out again. There seems to be some kind of a connection, odd as it may seem. Any ideas what would cause this?
Monday, December 30th, 2013 AT 1:19 PM

3 Replies

Tiny
CARADIODOC
  • MECHANIC
  • 34,454 POSTS
Both circuits have the ignition switch in common. If wiggling the switch gets things going, the contacts inside it are arced or pitted. If that doesn't work, inspect the connector terminals for signs of overheating. If you find that, about 4" of two wires will also be hardened, and solder won't adhere to them. Replace the switch if you find that, cut those two terminals out of the melted connector body, cut off the hardened part of the wires, splice in new wires, and use new crimp-on terminals that you can plug in individually, but solder them too.

This happens most commonly when people use the heater fan on the highest speeds a lot. The very high current is hard on the switch contacts.

Read the guide below on using a test light, its the best way to check for power

https://www.2carpros.com/articles/how-to-use-a-test-light-circuit-tester

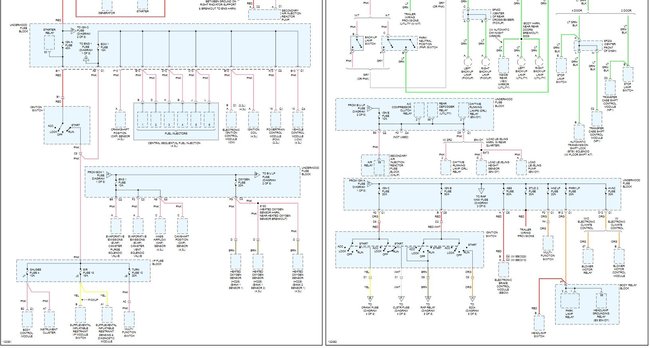
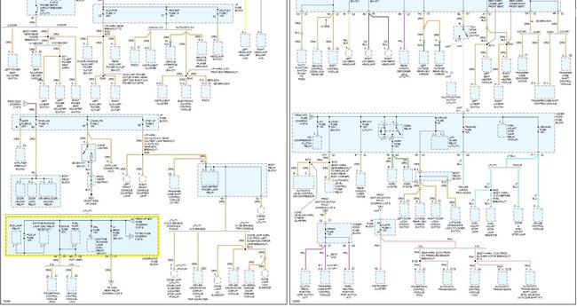
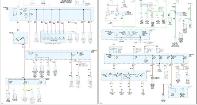
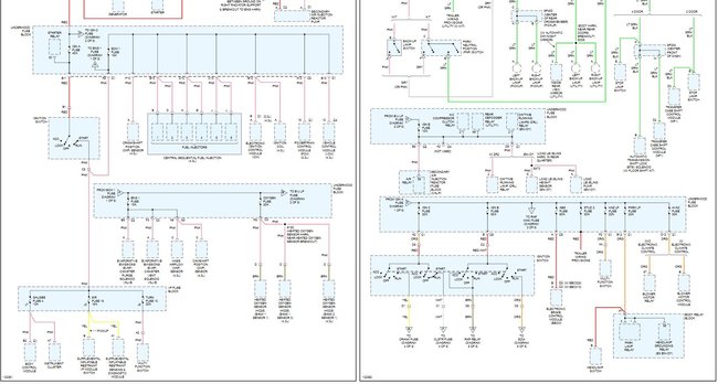
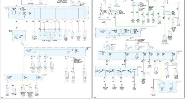
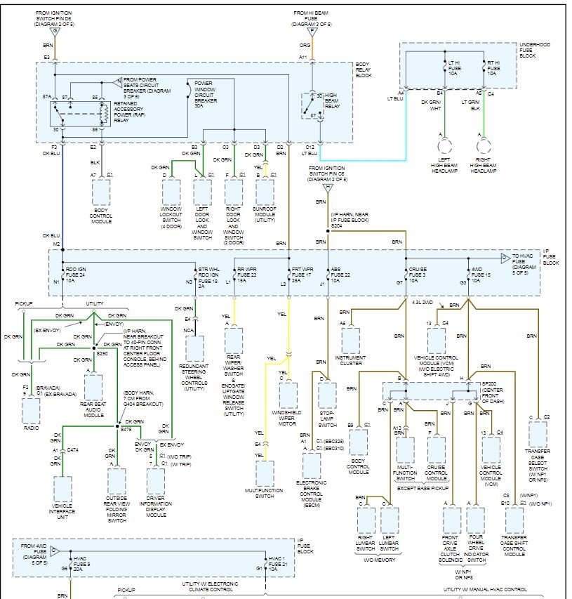
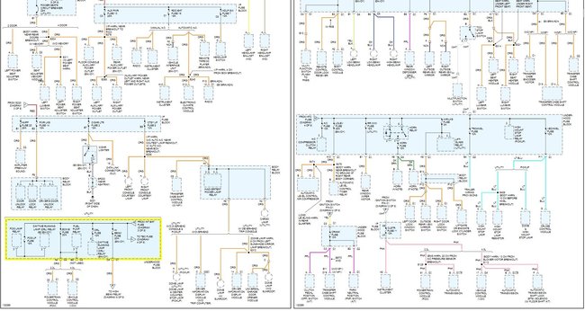
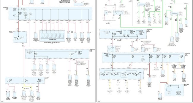
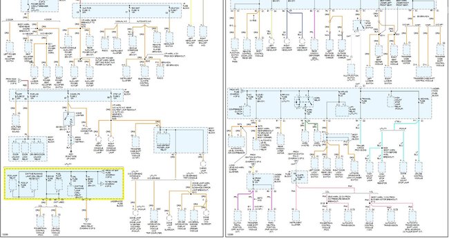
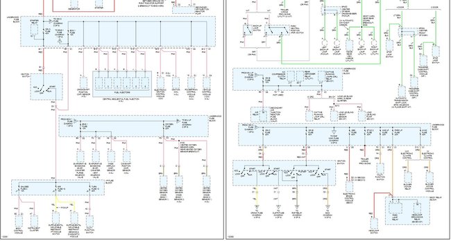
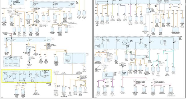
Attached below are all of the power distribution wiring diagrams for your truck
Was this
answer
helpful?
Yes
No
+1
Monday, December 30th, 2013 AT 1:51 PM
Tiny
MOSSLE
  • MEMBER
  • 2 POSTS
I think you're talking about the switch and wiring harness inside the steering column, not the key lock. Correct?

Should I replace both? I have no problem starting the engine.
Was this
answer
helpful?
Yes
No
-1
Monday, December 30th, 2013 AT 8:16 PM
Tiny
CARADIODOC
  • MECHANIC
  • 34,454 POSTS
Yup. The ignition switch is turned by the key in the lock cylinder. The cylinder is the mechanical part and doesn't get replaced. The switch will have at least three totally different switches built into one assembly. The part that turns on the starter circuit is completely independent from the switch that turns on the accessories and the switch that turns on the ignition system in the "run" position.

You only use the starter switch for a few seconds each day. That isn't nearly enough time to overheat those contacts. The ignition system draws very little current directly from the switch so that part doesn't overheat either. It's the accessory switch that has to carry all the current for the heavy users, so that is the part that will overheat. My daily driver is a 25-year-old Grand Caravan, and I've used the two highest fan speeds probably less than a total of five minutes in its entire life. That has prevented me from having to replace the ignition switch or the heater fan switch. Ma used to use the heater on "high" very often, and I had to change switches in her vehicles twice, both times when they were just a few years old.

You can also add a lot of years of life to your ignition switch if you switch the heater off or to the lowest speed before you turn the ignition switch off. That will reduce the amount of arcing that takes place when you turn it off.
Was this
answer
helpful?
Yes
No
+4
Monday, December 30th, 2013 AT 10:47 PM

Please login or register to post a reply.