Tuesday, June 27th, 2017 AT 11:18 AM
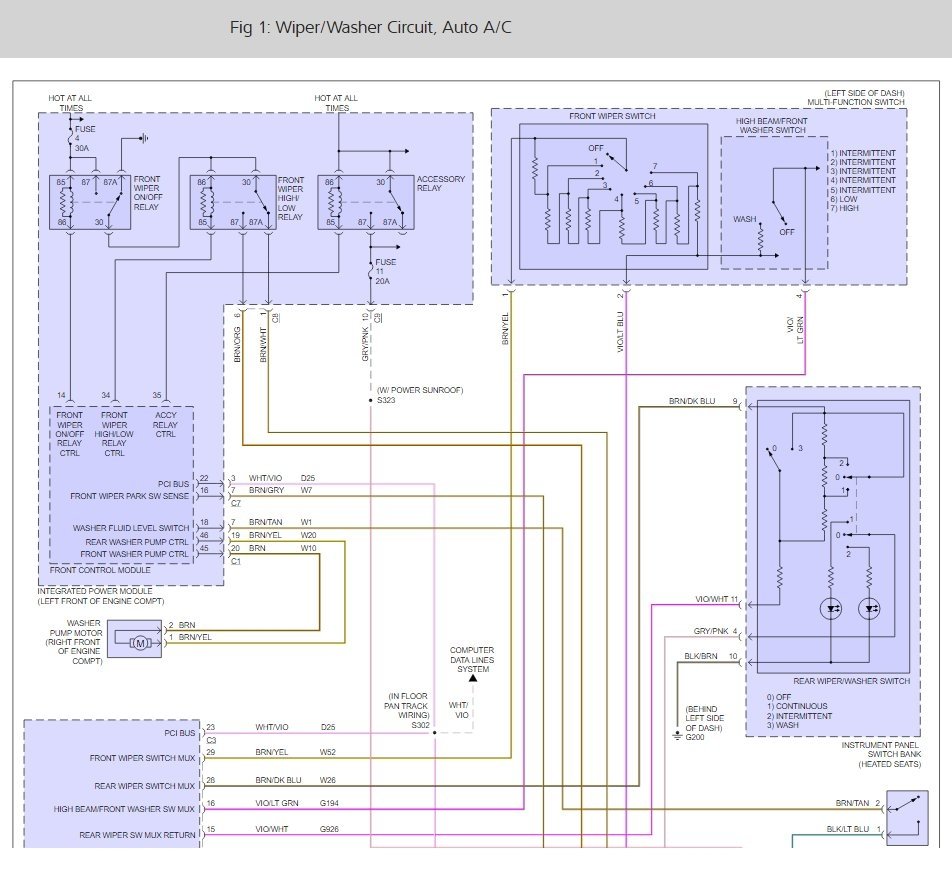
Car running and driving. Turn on wipers and all gauges go crazy. Speedometer goes to 120, temperature gauge goes to hot, gas gauge goes to full. After a minute everything goes to normal for a few seconds and then the problem resumes. After turning off wipers the problem seems to stop. Please help.



