Windshield wiper washer not working properly

Tiny
JAMES0524
  • MEMBER
  • 2008 BMW 750LI
  • 4.6L
  • V8
  • 2WD
  • AUTOMATIC
  • 96,300 MILES
On my windshield wiper functions work correctly but when I tried to wash the windshield there is no water coming out or the windshield wiper doesn't move at all when I do that. I checked all the fuses and they're all good.
Friday, April 26th, 2019 AT 5:22 AM

6 Replies

Tiny
KASEKENNY
  • MECHANIC
  • 18,907 POSTS
Hi James,

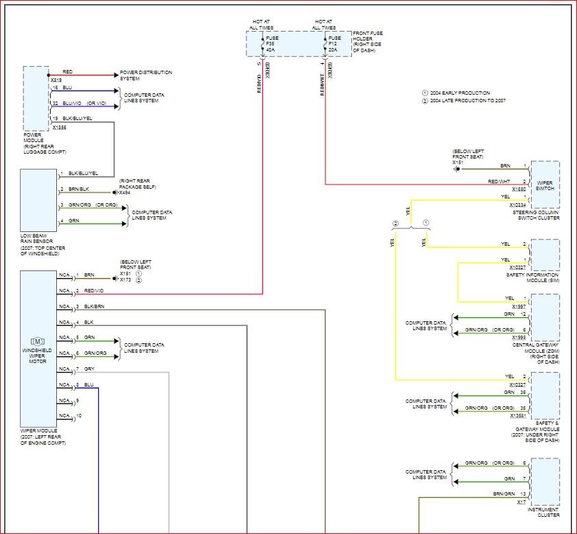
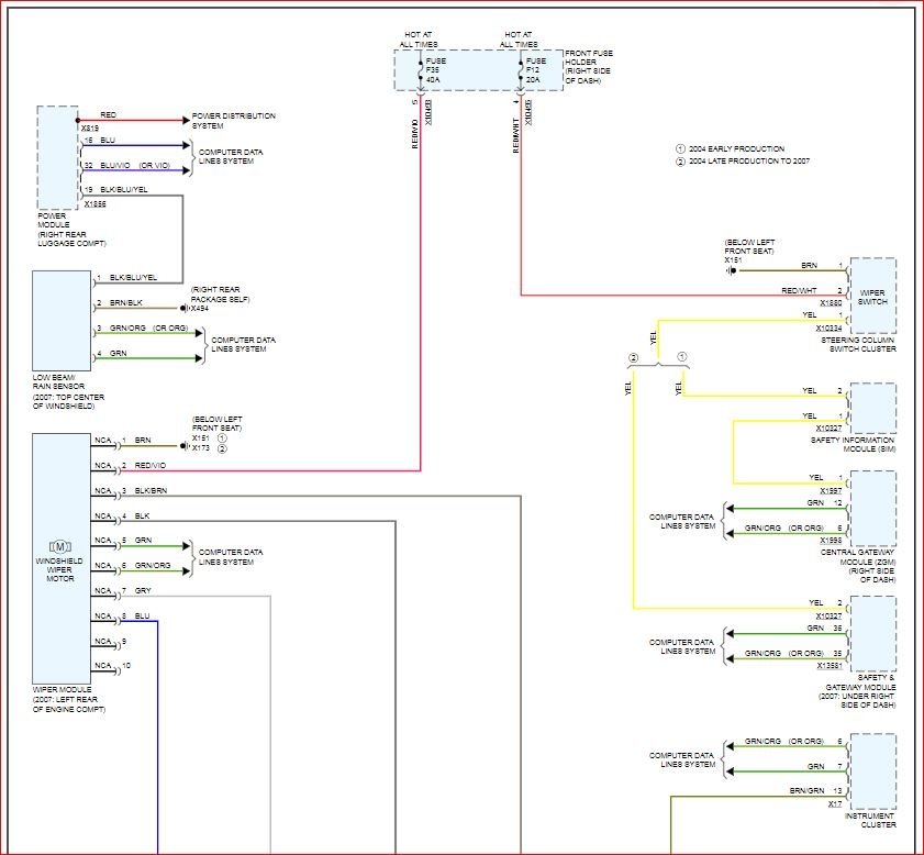
I would suspect the switch itself because the washer portion of this switch is separate. However, if you look at the wiring diagram there are modules prior to getting the signal to the wiper motor and washer motor. These would need to be tested with a scan tool to see if when you press the button for the washer fluid if the module is seeing the command. If it is not, then it is either wiring or more likely the switch.

I also included all the detail that explains this system. However, if you don't have the scan tool to look at this system, then it may be required to have it checked out. This command is sent via a communication network called a BUS system. Due to this, there is no way to check this with a meter. It requires this scan tool.

Let me know if this doesn't make sense or if I am missing something. Thanks
Was this
answer
helpful?
Yes
No
+1
Friday, April 26th, 2019 AT 6:12 PM
Tiny
JAMES0524
  • MEMBER
  • 6 POSTS
Thanks a lot. I have another question about my car now it idles high in park and in neutral what can be the problem?
Was this
answer
helpful?
Yes
No
Wednesday, May 1st, 2019 AT 2:11 AM
Tiny
KASEKENNY
  • MECHANIC
  • 18,907 POSTS
How much higher because when there is no load on the engine (Park and Neutral) the RPM will be higher as it is easier for the crankshaft to turn. Once you put it in gear, you add the load of the transmission components even though the vehicle is not moving.
Was this
answer
helpful?
Yes
No
Wednesday, May 1st, 2019 AT 4:00 PM
Tiny
JAMES0524
  • MEMBER
  • 6 POSTS
When I first start the car up in the morning is be at like at 1 then after it sits on for about 40 seconds and goes down to like a half then once I get to work and put it in park he goes up to 1 and 1/2 2
Was this
answer
helpful?
Yes
No
Wednesday, May 1st, 2019 AT 4:05 PM
Tiny
KASEKENNY
  • MECHANIC
  • 18,907 POSTS
Ok. I don't think this sounds like an issue. More than likely there is an accessory on like the cooling fan, AC compressor, or something else like that is adding a load to the engine. When the engine control module sees these higher demands it commands the RPM to be higher so that the engine can spin the alternator faster to ensure there is enough power.

Also, if this were an issue that was not meant to happen the engine control module would turn the check engine light on because it monitors the "target" or commanded RPM vs what it actually is. When these are different then it sets the light.

Hopefully that makes sense. Please let me know if you have any questions. Thanks
Was this
answer
helpful?
Yes
No
+1
Wednesday, May 1st, 2019 AT 5:24 PM
Tiny
JAMES0524
  • MEMBER
  • 6 POSTS
I found two vacuum hose that was not hook up so I hook them back up and will see how it does tomorrow. Thanks for your in site.
Was this
answer
helpful?
Yes
No
Wednesday, May 1st, 2019 AT 5:36 PM

Please login or register to post a reply.