Windshield washer fluid leaking from passenger door frame

Tiny
CIEL
  • MEMBER
  • 2005 FORD ESCAPE
  • 3.0L
  • 6 CYL
  • AUTOMATIC
  • 150,000 MILES
Every time I go to turn on the washer fluid for my windshield it starts bubbling and leaks on my passenger door frame (I circled the general area where it leaks in photo). Would guys say the lines busted?
Wednesday, January 1st, 2020 AT 3:17 AM

1 Reply

Tiny
TOUGHDIVER
  • MECHANIC
  • 224 POSTS
Hi,

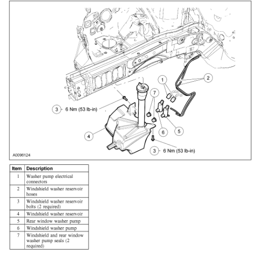
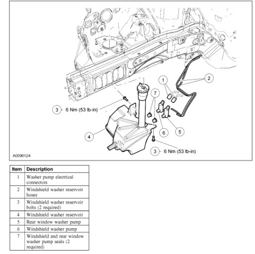
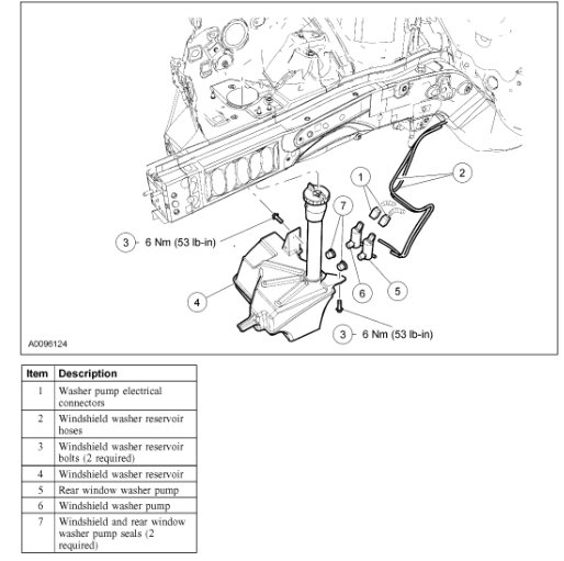
It looks like your rear washer hoses is leaking. They run up around the passenger door jam back to the rear wiper. I'm attaching a schematic below just trace your hoses from front to rear. Please let us know if you need anymore assistance and if this info was helpful and what fixed your vehicle.

Thank you
Joe T.
Was this
answer
helpful?
Yes
No
-1
Wednesday, January 1st, 2020 AT 1:13 PM

Please login or register to post a reply.