Windshield motor only work on high speed

Tiny
XJSHEN
  • MEMBER
  • 2003 PONTIAC MONTANA
  • 3.4L
  • 6 CYL
  • 2WD
  • AUTOMATIC
  • 85,000 MILES
My windshield motor only work on high speed. Multiple function switch workS on washer motor, L and R turn signal switches. How do you know the windshield motor is bad or relay bad or wire circuit bad, etc? And how to set for the windshield motor wiper arm starter point?
Thanks for your instruction and helps!
I bought new multiple functional switch and going to replace it. I found a repair shop pour oil to multiple functional switch. Does that dysfunction the switch?
Saturday, November 21st, 2020 AT 2:13 PM

21 Replies

Tiny
JACOBANDNICKOLAS
  • MECHANIC
  • 110,192 POSTS
Hi,

Did they pour oil in the multi-function switch? That makes no sense and yes it will cause problems.

As far as the motor, if it works on high, the motor is fine.

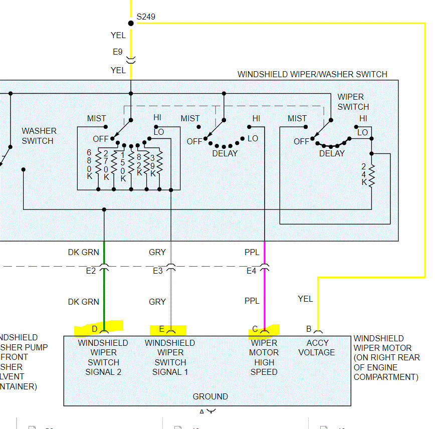
I attached a pic below for testing. I highlighted three wires. The dark green wire should have power when you select the delayed setting. The gray will have power at low speed and the purple will have power at high speed.

Use a test light to see if there is power to the motor.

Let me know what you find.

Joe
Was this
answer
helpful?
Yes
No
+2
Saturday, November 21st, 2020 AT 8:08 PM
Tiny
XJSHEN
  • MEMBER
  • 246 POSTS
Thanks a lot!
I tested voltage at three state of multiple sensor switch (wheel switch), at 1. Misk 2. Low 3. High
I detected two terminal go to fluid motor, dark green and grey; and three terminal go to windshield motor.
1. Misk position:
Dark green 0
Gray. 0

Purple. 0
Yellow 10.45v
Black. 12.14

Low position:
2. Dark green 10.39v
3. Gray. 1.30 v

4. Purple. 0
5. Yellow 10.45v
6. Black. 12.14

High position
Dark green 10.37v
Gray. 1.30v

Purple. 10.38v
Yellow. 12.14v
Black. 12.03v

So. Fluid motor works in both low and high position.

Voltage on windshield motor at low and high position have similar voltage distribution, looks not normal? Should be different?
Low position switch problem or high position and low position change switch or motor bad?
Thanks for your review and help!
Where is low position switch located?
Thanks for your partly refund!
Was this
answer
helpful?
Yes
No
Saturday, December 12th, 2020 AT 11:24 AM
Tiny
XJSHEN
  • MEMBER
  • 246 POSTS
These was detected at engine off condition.
Was this
answer
helpful?
Yes
No
Saturday, December 12th, 2020 AT 11:26 AM
Tiny
XJSHEN
  • MEMBER
  • 246 POSTS
Hi Joe,

I Don’t know what is delaying setting. Is it low multifunctional sensor switch position.

At misk position, all dark green, gray and purple terminal no light. At low position all three have had light, gray was dim low light intension, the dark green and yellow have had brother light. And at high position all three terminal lights We’re exactly similar to That on the low position. I just wondering why at low switch position have similar lights as high position light? So, low position switch circuit may be merged with high position circuit.
Thanks for your instruction and direction!
Was this
answer
helpful?
Yes
No
-1
Saturday, December 12th, 2020 AT 6:37 PM
Tiny
JACOBANDNICKOLAS
  • MECHANIC
  • 110,192 POSTS
Hi,

The voltage should change based on switch position. When you have it in the delayed position, you will only see power intermittently. On high, it should have battery voltage. On low, it should be lower than high. Regardless, if the light is remaining the same brightness regardless if it is high or low, it sounds like the switch is bad. That would explain why it is running on high regardless of the position.

Is the wiper switch part of the multi-function switch which includes the turn signal switch?

Let me know.
Joe
Was this
answer
helpful?
Yes
No
+1
Saturday, December 12th, 2020 AT 11:00 PM
Tiny
XJSHEN
  • MEMBER
  • 246 POSTS
Yes. The wiper switch is part of the multi-function switch which includes the turn signal switch. All function on the multi-functional switch is normal except low position. And it was worked before l sent dealer. Okay. There is no way l can check with fuse or circuit before change the multi-functional switch? Thanks a lot!
Was this
answer
helpful?
Yes
No
Sunday, December 13th, 2020 AT 5:36 AM
Tiny
JACOBANDNICKOLAS
  • MECHANIC
  • 110,192 POSTS
Hi,

The only other thing I can think of would be to remove the switch and inspect it for wiring damage. Something is causing the equal voltage to reach the motor regardless of the selected speed. Somewhere there must be a short.

I attached a pic of the multi-function switch below. The best thing we can do at this point is to first, reconfirm there is no damage to the wiring at the motor (including connector) and check for the same at the switch.

Let me know what you find or if you have other questions.

Take care,
Joe
Was this
answer
helpful?
Yes
No
+1
Sunday, December 13th, 2020 AT 10:14 PM
Tiny
XJSHEN
  • MEMBER
  • 246 POSTS
I tested again when turn engine on but not start, multiple switch turn on the
- Low position: only black terminal have battery power, and the other purple, yellow, gray and dark green all no voltage.

- High position: also the same result as above, only black terminal have battery voltage and other four terminal no power.
*** That means ground circuit is lack of power.

How to check ground circuit before test multiple switch? Thanks for your detail instruction.

When engine turned off state, when put multiple-switch put on

1. Low position: Yellow 10.4 V, Black 12.14 V, Pump motor: Dark Green 10.39 V, Gray 1.300 V;

2. High position: have same results as Low position when not engine turned on.
So, the ground circuit all no power.
Was this
answer
helpful?
Yes
No
Friday, December 18th, 2020 AT 5:54 PM
Tiny
JACOBANDNICKOLAS
  • MECHANIC
  • 110,192 POSTS
Hi,

I'm not sure I understand. A ground circuit shouldn't have power. It is the pathway for power to complete the circuit. The idea that you have the same voltage on high or low sounds like the switch is bad.

Let me know what you need for the ground. I can tell you to check ground switch the multimeter to the ohm setting and check for continuity to ground.

I will watch for your reply.

Joe
Was this
answer
helpful?
Yes
No
+1
Friday, December 18th, 2020 AT 10:59 PM
Tiny
XJSHEN
  • MEMBER
  • 246 POSTS
After disconnect negative battery terminal, I replaced old multiple functional switch with new 1A Auto part, but it does not fix problem, the windshield motor only worked on High switch position, but did not work on the low positions as seen on the old switch. What is the possible reason for the fact?
And after replacement, when I connecting negative battery terminal, the head lights turned on and chiming sounded without insert engine key. And after insert engine key, at ACC position, only Battery and P light turned on at dashboard (first image). It is looks abnormal before more lights turned on. When put engine on position there were many lights turned on (second image). What was the possible error occurred for the abnormality?
Thanks for your instruction and help!
Was this
answer
helpful?
Yes
No
Sunday, December 20th, 2020 AT 8:55 PM
Tiny
JACOBANDNICKOLAS
  • MECHANIC
  • 110,192 POSTS
Hi,

The second pic indicates the engine isn't running yet. Those lights should turn on for a few seconds when the key is turned to the run position (engine off). The first pic is another story. Were any of the wires damaged or pinched in the steering column?

As far as the wiper, it sounds like the purple wire in the attached pic is getting power all the time when the wipers are turned on, regardless of selection. Confirm that for me.

It has to be getting power at all times if it works on any selection. If not, check for power to the dark green wire on delay and to the gray wire on low speed. These are the only ones that should have power in the selected positions.

Let me know.
Joe
Was this
answer
helpful?
Yes
No
Sunday, December 20th, 2020 AT 9:18 PM
Tiny
XJSHEN
  • MEMBER
  • 246 POSTS
I do not think that any of the wires damaged or pinched in the steering column because I just replaced with bland new switch, and was no possibility could happen this kind accident because that assembly is all bounded as one. I only pulled out old connector from connector box and inserted new connector to the connector box. That was all. What the first image indicated? What kind of problem caused only two lights (battery and parking light ) turned on at ACC position?
And I found a two wires, white and connected with three wires through one Yellow connector where five wire ends and inside of connector were all soaked with yellow-green oil in side of connector. That was absolutely can cause short circuit. I do not know the soaked yellow oil's function, and if it was originally installed or not if that already caused shortage of circuit some where or not. (Detail Figures attached). And I disconnected the connector and removed oil with cotton steak and rinsed with 70% isopropanol after disconnect negative battery terminal, and naturally dried overnight. But after cleaning there was no anything changed when I tested windshield motor with engine on but not start, that only run windshield motor on High speed switch position and not run on low speed position. If this circuit directly influence windshield wiper motor circuit?
Was this
answer
helpful?
Yes
No
Monday, December 21st, 2020 AT 12:24 PM
Tiny
JACOBANDNICKOLAS
  • MECHANIC
  • 110,192 POSTS
Hi,

As far as the oily substance, it is likely dielectric grease. That is used to prevent corrosion and improve connectivity.

As far as a short, the problem may have existed prior to the switch being replaced. Did you check for power as I mentioned above? Each of the wires I indicated should only have power in the selected switch position selected. If the purple wire is getting power at all speeds, it will cause the motor to run on high at all times.

Let me know.

Joe
Was this
answer
helpful?
Yes
No
Monday, December 21st, 2020 AT 8:41 PM
Tiny
XJSHEN
  • MEMBER
  • 246 POSTS
After replaced with new switch, when turned on engine but not start, 4 terminals of wiper circuit lack of power except Black wire terminal for ground power, on both Low and High positions. When turn off engine, Purple terminal lack of power and all rest four terminals have power, Dark purple end have dim light while other three with bright light.
There must an error occurred during my install the new switch. May be connection between wheel column and multiple switch bad.

What the first image indicated last time? You did not reply for the question. What kind of problem caused only two lights (battery and parking light ) turned on at ACC position?

On the old switch, washer motor circuit was normal on both L and H positions.
The signal 1 was no power. May be C201 or S249 or front D7/ D8fuse bad? If intermittent wiper motor switch ((relay)) bad? Or fuse bad?

On old switch I found black grease like substances covered on the switch metal connector ( image attached) this image was taken after I wiped off oils.

Thanks!
Was this
answer
helpful?
Yes
No
Tuesday, December 22nd, 2020 AT 10:04 PM
Tiny
JACOBANDNICKOLAS
  • MECHANIC
  • 110,192 POSTS
Hi,

As far as the lights, there has to be a short to ground for them to get power. Now, the interesting thing with the wiper is you only have power through the ground. That could be the cause of the lights you mentioned. Also, it is likely causing the problem with the wiper.

Are you able to trace the ground (black wire) to see if there is anywhere it is making contact with a power source?

Joe
Was this
answer
helpful?
Yes
No
-1
Wednesday, December 23rd, 2020 AT 11:04 PM
Tiny
XJSHEN
  • MEMBER
  • 246 POSTS
Fixed by replacement of motor module. Dealer told me multiple functional switch bad and was going to charge me $780.00 to fix it. My motor did work on both high and low when I bring my car to dealer. I just did not know how to determine wiper preposition and home position shen replaced wiper arms, and requested them to help me to install wiper.
Thanks for your helps!
Was this
answer
helpful?
Yes
No
Thursday, December 24th, 2020 AT 4:14 PM
Tiny
JACOBANDNICKOLAS
  • MECHANIC
  • 110,192 POSTS
Hi,

I'm glad to hear you got it fixed. The idea that power was coming through the ground had me a bit concerned.

Thank you for letting me know. I feel confident that your post will benefit others in the future. Also, please feel free to come back any time in the future. You are always welcome.

Take care and Merry Christmas.

Joe
Was this
answer
helpful?
Yes
No
Thursday, December 24th, 2020 AT 8:59 PM
Tiny
XJSHEN
  • MEMBER
  • 246 POSTS
Hello Joe!

Thanks a lot for your warm Christmas greetings. I have not visited this site after then. I fixed problem by replace wiper motor model and installed perfectly to the home position and windshield, but after I reinstall multiple functional switch (It was normal without problem, after disconnect it and tested), when I run drive cycle, there was p1134 (Heater oxygen sensor transition time ratio 1) pop out. I do not know where was the problem. May you instruct for possible cause? If my operation to reinstall it may caused circuit shortage or touched some where badly?
Was this
answer
helpful?
Yes
No
Tuesday, January 5th, 2021 AT 2:03 PM
Tiny
XJSHEN
  • MEMBER
  • 246 POSTS
First time, p0300 appeared on the scanner on the highway when I run with cruise control run at 65 MPH and the RPMS was 2,300 RPM's, that was higher than normal engine speed. After I erase the code run continuously, then p1134 pop out.
Was this
answer
helpful?
Yes
No
Tuesday, January 5th, 2021 AT 2:11 PM
Tiny
XJSHEN
  • MEMBER
  • 246 POSTS
Cleard p1134 following GM service manual.
Was this
answer
helpful?
Yes
No
Monday, January 18th, 2021 AT 8:51 AM

Please login or register to post a reply.