Do not have any power to any of the windows?

Tiny
TONYRILEY197979
  • MEMBER
  • 2002 CHEVROLET VENTURE
  • V6
  • AUTOMATIC
  • 223,867 MILES
I have the vehicle listed above and I don't have any power to any of the windows and the 30-amp braker has power to it.
Monday, October 7th, 2024 AT 2:38 AM

4 Replies

Tiny
KEN L
  • MASTER CERTIFIED MECHANIC
  • 55,477 POSTS
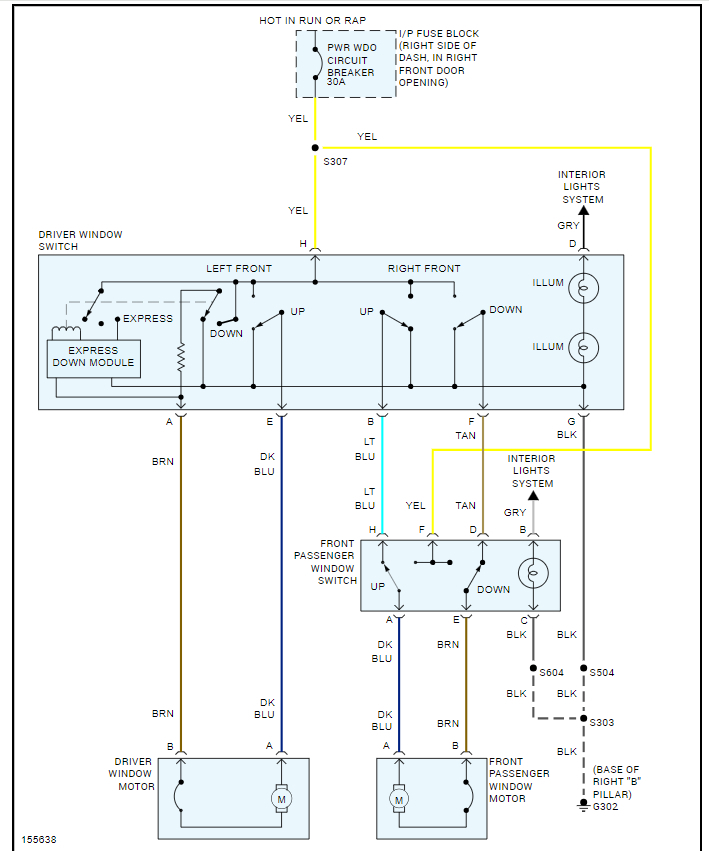
At the window switch do you have power to the yellow power wire? If not, I would check the wiring at the door jamb where the wiring goes through, this is a common place for the wire to break. Here are the wiring diagrams so you can see how the system works. Check out the images (below). Please let us know what happens.
Was this
answer
helpful?
Yes
No
Monday, October 7th, 2024 AT 10:45 AM
Tiny
TONYRILEY197979
  • MEMBER
  • 4 POSTS
Yes, I have power at the switch but neither one of the front door windows will go down and the back panel windows will not open.
Was this
answer
helpful?
Yes
No
Tuesday, October 8th, 2024 AT 6:10 PM
Tiny
TONYRILEY197979
  • MEMBER
  • 4 POSTS
I have checked all the fuses replace the fuse box.
Was this
answer
helpful?
Yes
No
Tuesday, October 8th, 2024 AT 6:10 PM
Tiny
KEN L
  • MASTER CERTIFIED MECHANIC
  • 55,477 POSTS
Here is a guide to double check the yellow wire for power and to check the black wire for ground and if so, I would replace the main window switch.

https://www.2carpros.com/articles/how-to-use-a-test-light-circuit-tester

Here is the quarter window wiring as well which is powered by the same yellow wire and how to replace the window switch. Check out the images (below). Please let us know what happens.
Was this
answer
helpful?
Yes
No
Wednesday, October 9th, 2024 AT 10:00 AM

Please login or register to post a reply.