Can I get the pinout or wiring diagram for the WIN module?

2008 DODGE MAGNUM
100,000 MILES • 6 CYL • 2WD • AUTOMATIC
Avatar
DOLLABILL25
  • MEMBER
  • 46 POSTS
Would like to know the pinout or wiring diagram for the win module please.
Feb 7, 2023 at 1:56 PM
Advertisement
Repair Safety Notice: This information is for general instructional purposes only. Vehicle repair can be dangerous. Verify all information, follow manufacturer service procedures, use proper tools and safety equipment, and consult a qualified repair shop when needed.
Avatar
AL514
  • AUTOMOTIVE REPAIR CONTRIBUTOR
  • 5,477 POSTS
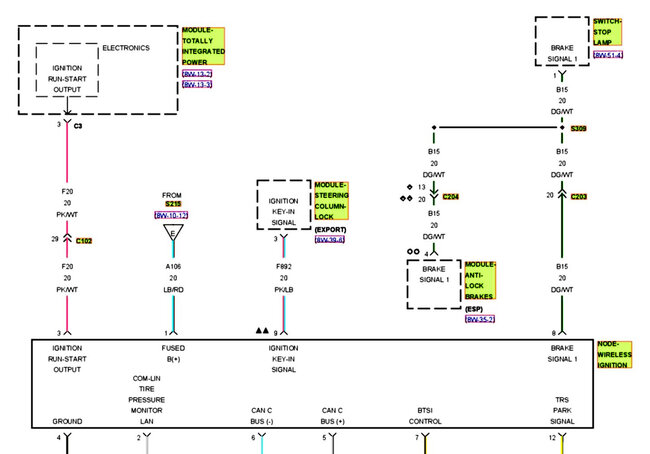
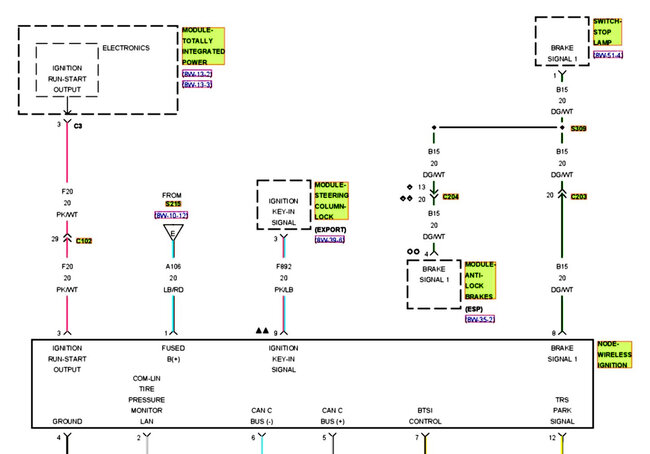
Hello, service info on the wireless ignition module doesn't look completely correct, but here are the OEM wiring diagrams 1 and 2, and the connector pinout diagrams 3 and 4, then the win module location. The second to last diagram is another location diagram but it looks upside down for some reason, I added the network bus diagram as well, the pinout for the can bus C network pins look correct. Hope this helps some.
Feb 7, 2023 at 5:04 PM
Avatar
DOLLABILL25
  • MEMBER
  • 46 POSTS
Yes, it does help. thank you very much.
Feb 7, 2023 at 6:36 PM
Advertisement