Will not idle after replacing the battery

Tiny
GFORMBY
  • MEMBER
  • 1998 DODGE DAKOTA
  • 5.2L
  • V8
  • 4WD
  • AUTOMATIC
  • 250,000 MILES
Everything on this vehicle worked well. Had to replace the battery. Now, it will not idle unless I keep my foot on accelerator. The tachometer is not working now, and it was before. I did not have any of these problems before.

Do I just need to drive it and "re-educate" the computer?
Monday, June 6th, 2022 AT 1:19 PM

3 Replies

Tiny
KASEKENNY
  • MECHANIC
  • 18,907 POSTS
Sounds like we could have a fuse issue that may have blown when you reinstalled the battery.

However, I would start with disconnecting the battery again, both cables, and touch the cables together for 10 seconds. This is called a capacitive discharge and is no different than forcing the computers to reboot. Just like when you call IT support, and they say to turn it off and restart your computer.

Basically, we need to start with this because changing the battery should not affect this at all, so we need to start over.

If this does not change the issue, then we need to check the fuse

https://www.2carpros.com/articles/stall-at-idle

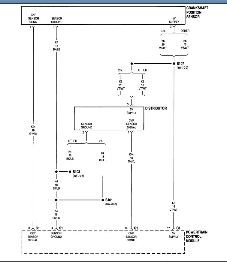
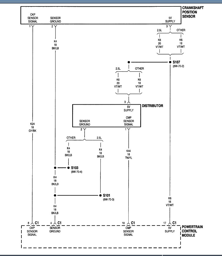
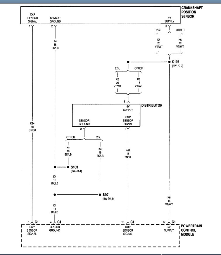
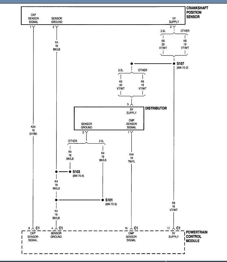
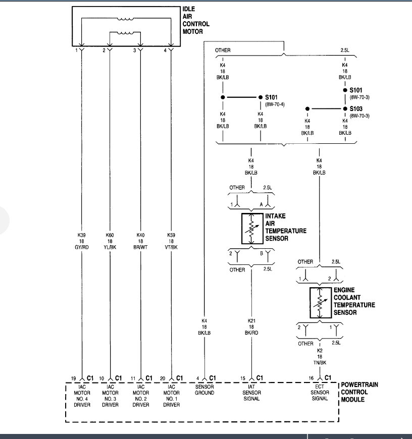
If you look at the wiring diagrams the PCM controls the idle air and the tach, so I am thinking worst case the PCM failed when connecting the battery again. However, this is why I would like to try and force a restart before we get too far.

Let us know what happens. Thanks
Was this
answer
helpful?
Yes
No
+1
Tuesday, June 7th, 2022 AT 8:33 AM
Tiny
GFORMBY
  • MEMBER
  • 4 POSTS
Yes, with one small exception. The used "new" battery had a bad cell. Once the truck cooled down, it still would not idle. New battery solved the problem.
Thanks
Was this
answer
helpful?
Yes
No
Tuesday, June 7th, 2022 AT 9:03 AM
Tiny
KASEKENNY
  • MECHANIC
  • 18,907 POSTS
Thank goodness because that makes perfect sense. If that was not the answer, then that was going to be one heck of a coincidence.

Thanks for coming back and updating us with the solution.
Was this
answer
helpful?
Yes
No
Tuesday, June 7th, 2022 AT 11:19 AM

Please login or register to post a reply.