While driving it switches back and forth continually

Tiny
TOM BULLINGTON
  • MEMBER
  • 1999 CADILLAC DEVILLE
  • 5.7L
  • V8
  • FWD
  • AUTOMATIC
  • 116,000 MILES
Why when using air conditioning does air swap from blowing out the front dash vents back and forth to the defroster vents?
Friday, September 1st, 2017 AT 2:37 AM

1 Reply

Tiny
KEN L
  • MASTER CERTIFIED MECHANIC
  • 55,538 POSTS
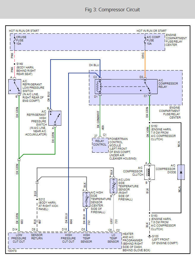
It sounds like the ac conditioner programmer has gone out and it needs to be replaced. Here is the air conditioner wiring diagrams so you can do some testing along with the programmer location so you can confirm the problem and the fix.

https://www.2carpros.com/articles/how-to-use-a-test-light-circuit-tester

Confirm that it is getting a good ground, then replace the programmer, try to find a used one.

Please let us know what you find.

Cheers, Ken
Was this
answer
helpful?
Yes
No
Monday, September 4th, 2017 AT 12:36 PM

Please login or register to post a reply.