Why is my horn stuck on unless i take my fuse out

2003 OLDSMOBILE ALERO
160 MILES • 2.2L • 4 CYL • 2WD
Avatar
TOUHEYAN
  • MEMBER
  • 1 POST
My horn is stuck on unless i pull the 15 amp fuse under the hood. Leaving me with no horn.
Feb 24, 2020 at 11:19 PM
Advertisement
Repair Safety Notice: This information is for general instructional purposes only. Vehicle repair can be dangerous. Verify all information, follow manufacturer service procedures, use proper tools and safety equipment, and consult a qualified repair shop when needed.
Avatar
SCGRANTURISMO
  • AUTOMOTIVE REPAIR CONTRIBUTOR
  • 4,897 POSTS
Hello,

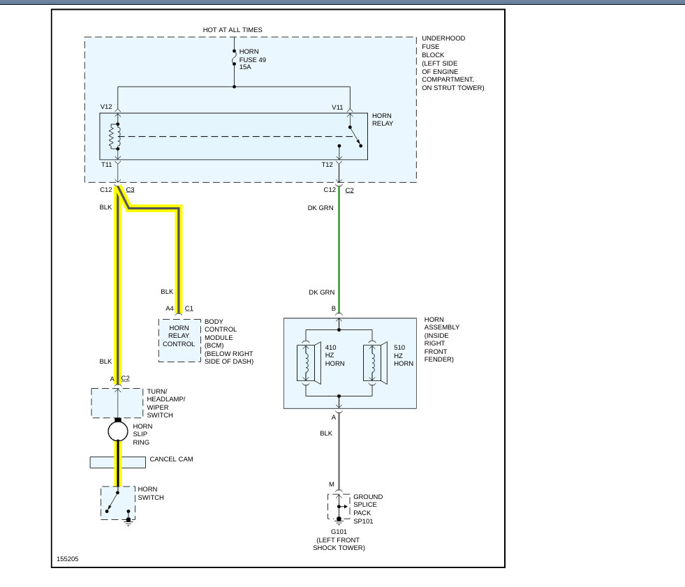
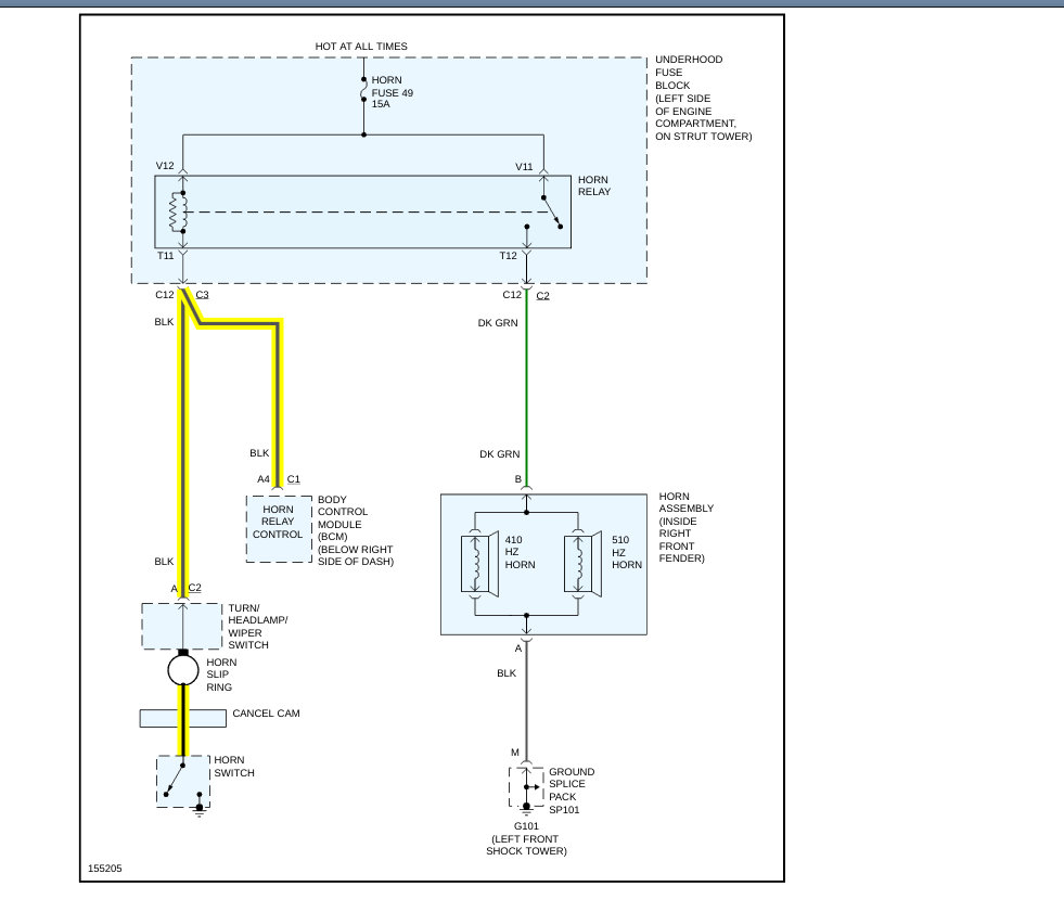
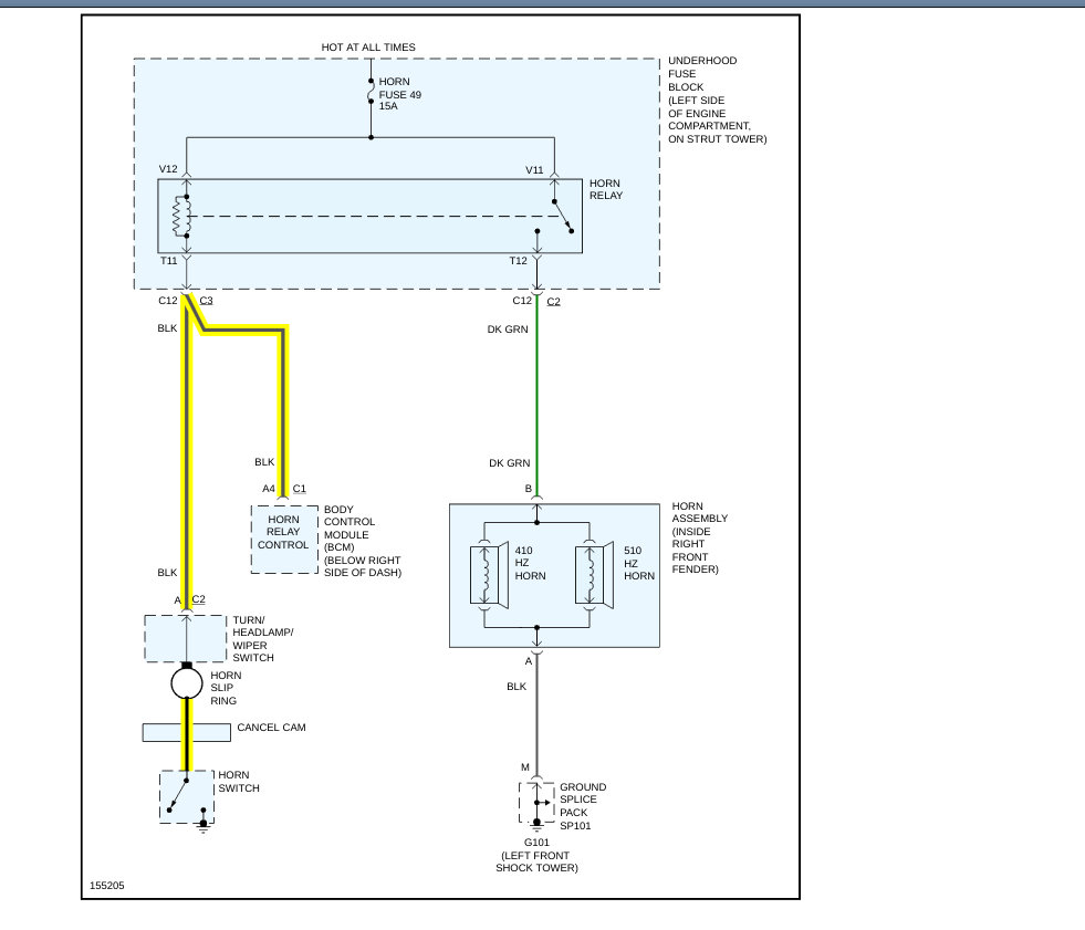
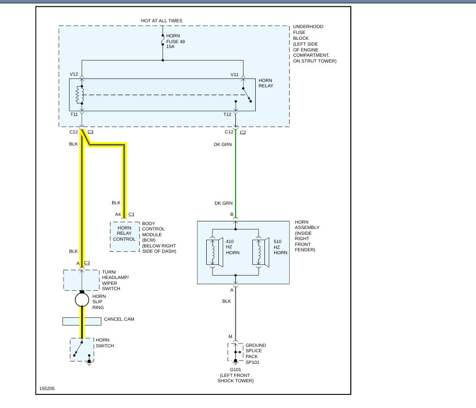
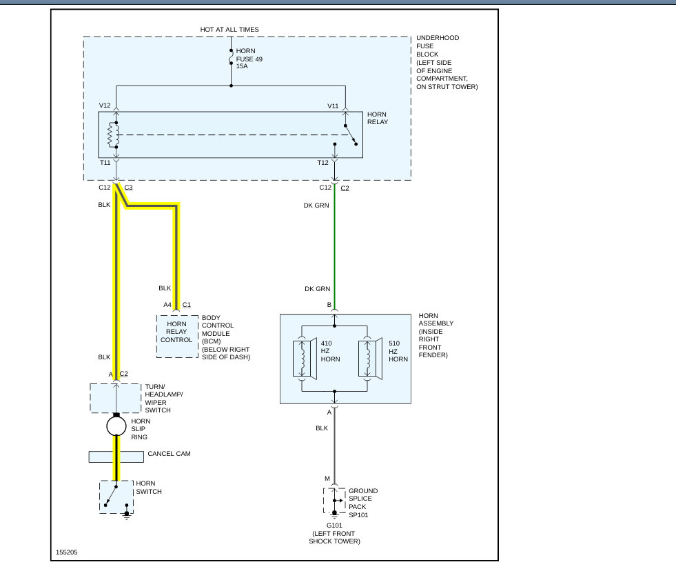
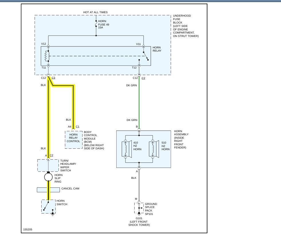
This sounds like you could have a short to ground somewhere in the highlighted wires of the wiring diagram that I have included in the diagrams down below. It is the wiring diagram of your vehicle's horn. I have also included a guide on how to find short to grounds for you as well. Please go through these guides and get back to us with what you find out.

Thanks,
Alex
2CarPros

Feb 25, 2020 at 12:00 AM