While trying to replace brake booster I broke something

Tiny
ADRIENNE88BROWN
  • MEMBER
  • 1999 FORD TAURUS
  • 3.0L
  • V6
  • 2WD
  • AUTOMATIC
  • 160,000 MILES
I am trying to put the new brake booster in and my husband who gets extremely frustrated with repairs has broken something. Help identify this part and any help getting the booster back in? As I have read the forums but seems to be getting hung up on everything. Mass airflow is DC. Lines to master cylinder are DC. Master cylinder is DC. Coolant hoses DC because they were too much to work around. Tons of things out of the way and still cannot get this past the transmission mount. Ugh!
Saturday, June 9th, 2018 AT 9:06 AM

1 Reply

Tiny
JACOBANDNICKOLAS
  • MECHANIC
  • 110,194 POSTS
Hi and thanks for using 2CarPros. Com.

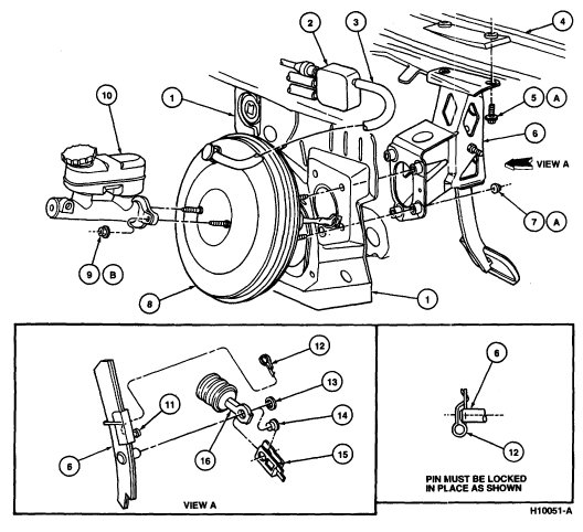
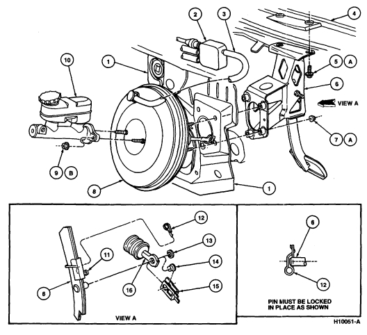
Here are the directions specific to your vehicle for replacement of the booster. The attached pictures correlate with the directions. Note: The one picture shows a parts break down, so hopefully you can identify which part is broken. If you upload a pic for me, I will do my best to identify it.

Removal
Disconnect battery ground cable.
Disconnect manifold vacuum hose from power brake booster check valve.
Unclip air cleaner cover and position air cleaner cover assembly out of the way.
Disconnect speed control actuator retaining nuts, and position speed control actuator cable out of way.
Disconnect brake fluid level sensor connector from brake master cylinder reservoir.
Remove nut retaining cowl top inner panel tube to master cylinder mounting stud and remove cowl top inner panel tube.
Remove the brake tubes from the primary and secondary outlet port of brake master cylinder.
Remove two nuts retaining brake master cylinder to power brake booster assembly and remove brake master cylinder.
Working inside vehicle below dash panel, disconnect wiring connector from stoplight switch. Remove push rod retainer and brake master cylinder push rod spacer from pedal pin. Slide stoplight switch along brake pedal pin just far enough for outer hole to clear pin. Remove stoplight switch by sliding it upward. Be careful not to damage stoplight switch during removal.
Remove booster-to-dash panel retaining nuts. Slide booster push rod and brake master cylinder push rod bushing off brake pedal pin.
Move power brake booster forward until booster studs clear dash panel and remove power brake booster.

Installation
Align pedal support bracket inside vehicle and place power brake booster in position on dash panel. Hand-start retaining nuts.
Working inside vehicle, install brake master cylinder push rod spacer, push rod and brake master cylinder push rod bushing onto the pedal pin and into push rod. The head of the bushing should be on the side of the push rod away from the pedal arm. Tighten booster-to-dash panel retaining nuts to 21 - 29 Nm (16 - 21 ft. Lbs.).
Position stoplight switch so that it straddles booster push rod with stoplamp switch slot toward pedal blade and hole just clearing pin. Slide stoplight switch down onto pin. Slide assembly toward pedal arm, being careful not to bend or deform stoplight switch. Install brake master cylinder push rod spacer on pin and secure all parts to pin with hairpin retainer. Make sure retainer is fully installed and locked over pedal pin. Connect stoplight switch connector on stoplight switch.
Connect manifold vacuum hose to power brake booster check valve.
Position brake master cylinder assembly on booster assembly studs.
Install brake tube fittings into brake master cylinder ports. Tighten to 14 - 24 Nm (11 - 17 ft. Lbs.). Tighten master cylinder nuts to 26 - 39 Nm (20 - 28 ft. Lbs.).
Connect brake fluid level sensor connector to brake master cylinder reservoir.
Bleed brake system.
Position speed control actuator cable over studs on shock tower and install three retaining nuts.
Position cowl top inner panel tube on brake master cylinder mounting stud and install retaining nut.
Install air cleaner cover assembly.
Connect battery ground cable. Check power brake function.

Check out the diagrams (Below). Please let us know what happens.
Was this
answer
helpful?
Yes
No
Monday, April 5th, 2021 AT 12:07 PM

Please login or register to post a reply.