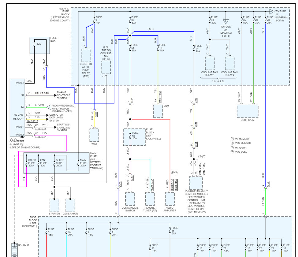
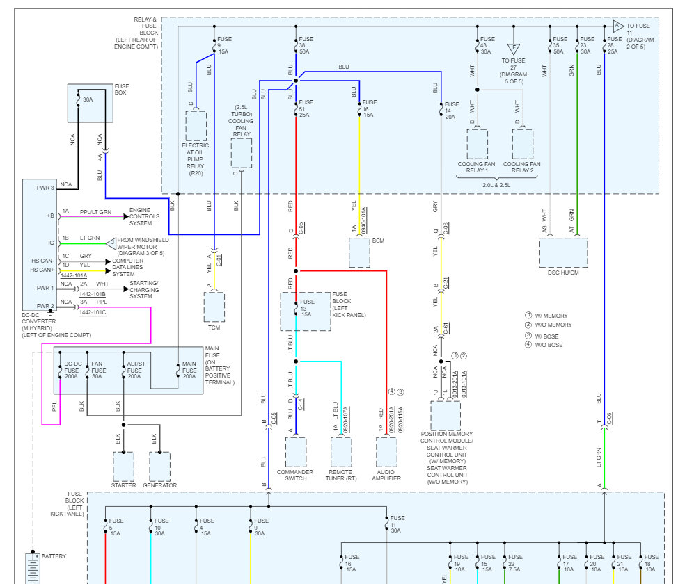
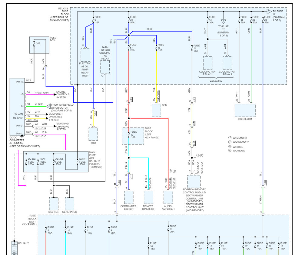
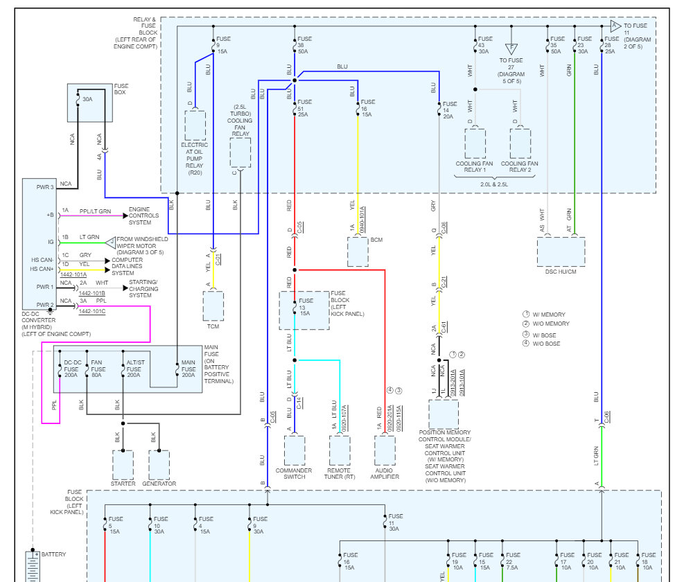
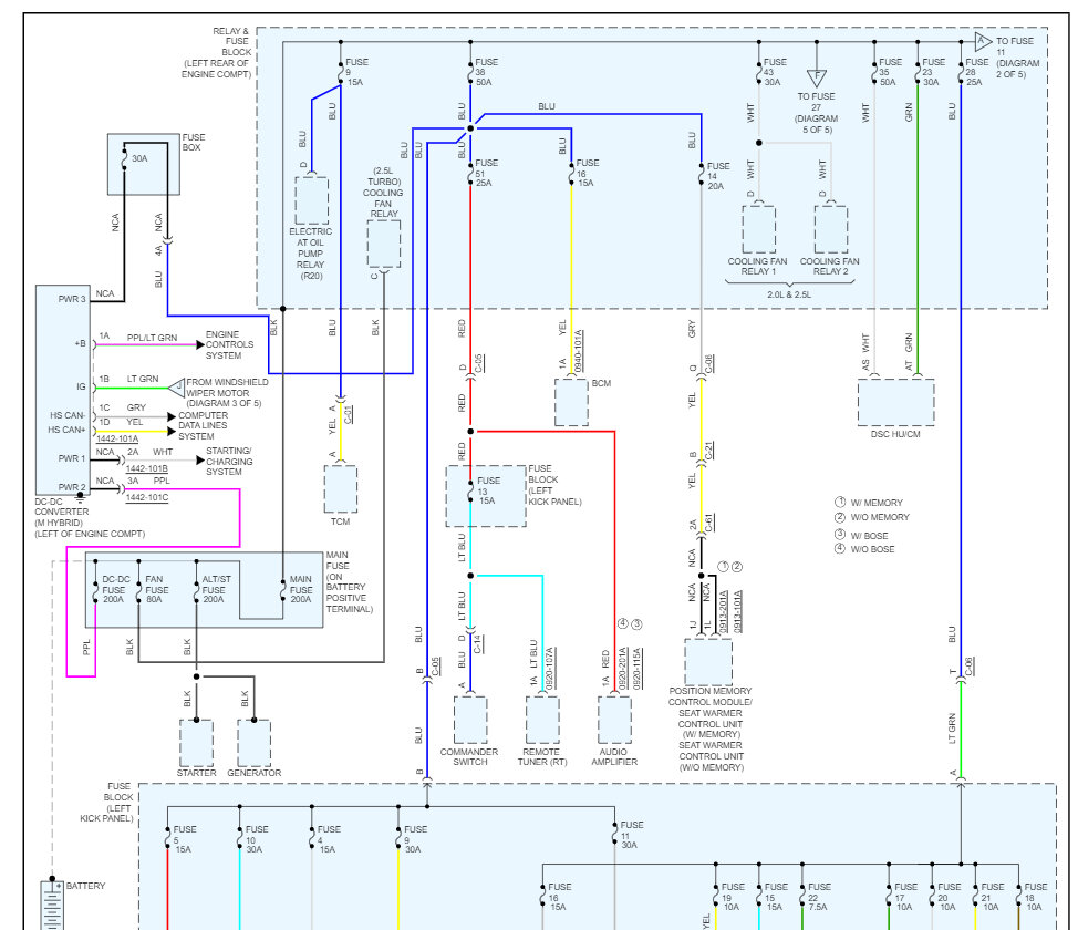
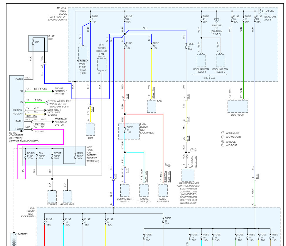
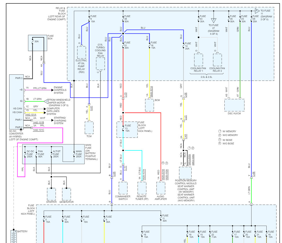
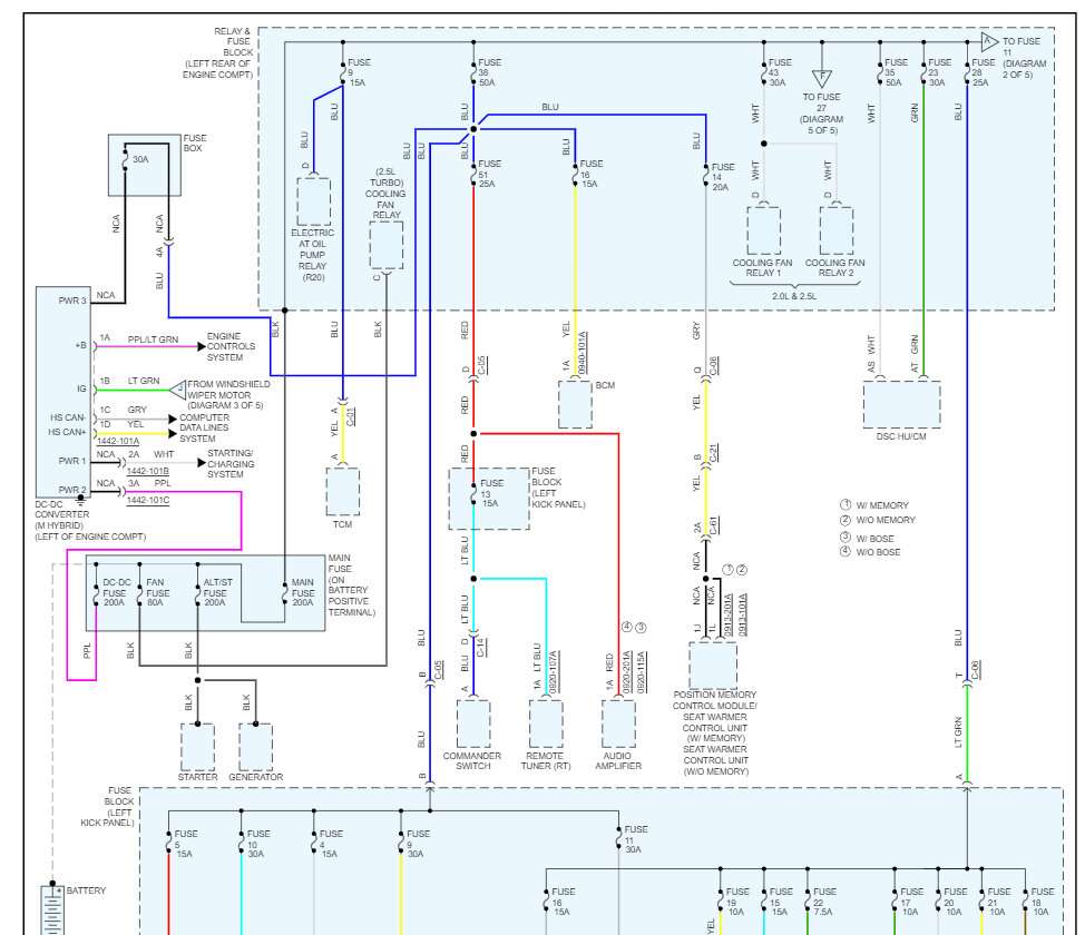
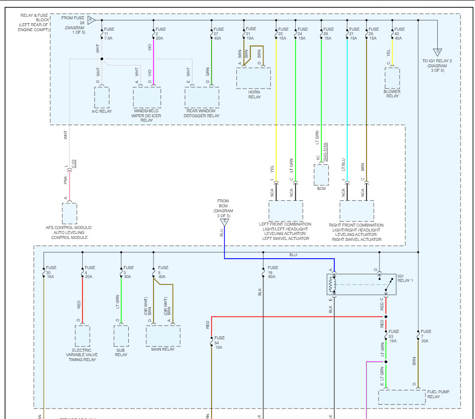
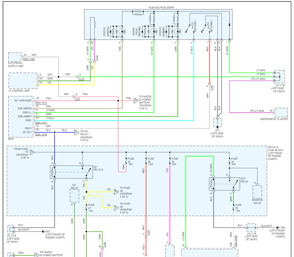
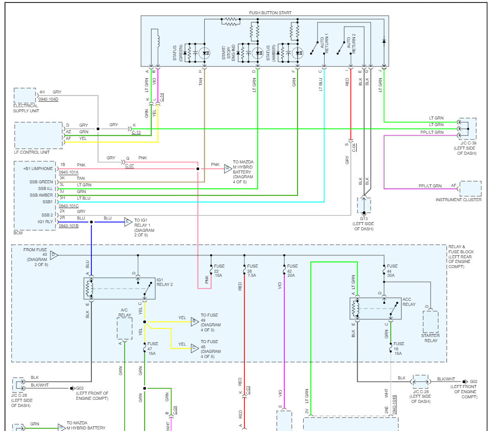
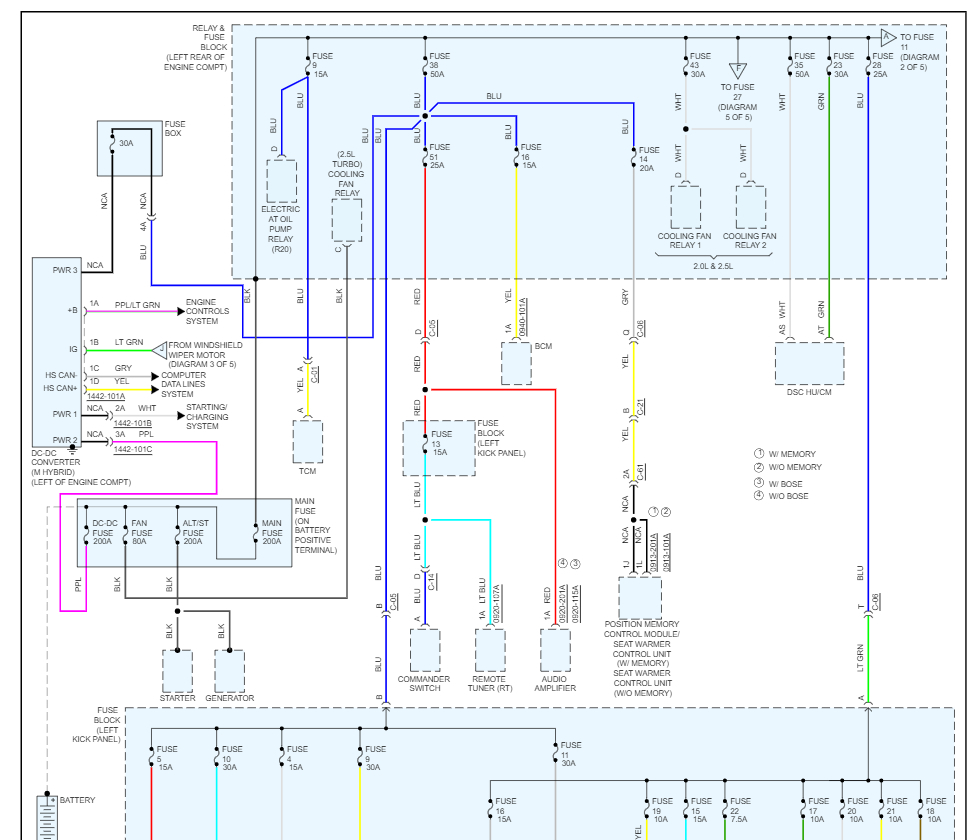
I was looking at hardwiring a dashcam, but I want to make sure I pick the right fuses. I have to first check which ones have constant power (parking mode) but first wanted to check if I can even use any of these near the passenger side or am I forced to use the ones in engine bay (safety wise). https://www.mazdausa.com/static/manuals/2023/mazda3/contents/07031600.html?kw=FUSE%20BOX&hw=FUSE%E3%80%80BOX
Thanks for any advice.
Sunday, May 28th, 2023 AT 12:49 PM












