Where Is A/C relay and fuse

Tiny
JJHS
  • MEMBER
  • 2003 LINCOLN AVIATOR
  • 0.5L
  • V8
  • 4WD
  • AUTOMATIC
  • 100,000 MILES
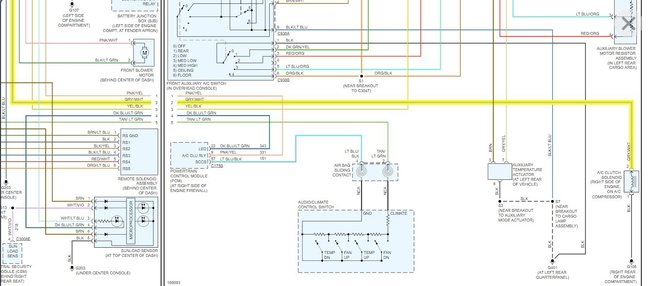
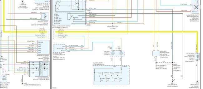
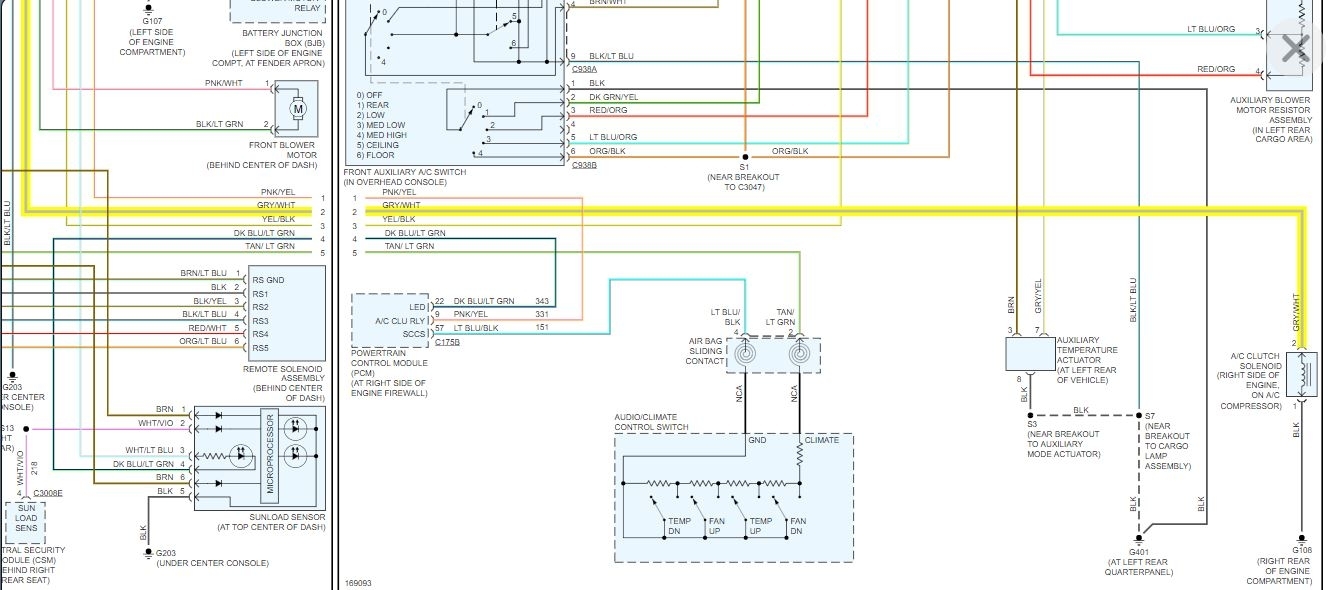
A/C blower is working but the Air compressor not. Gas pressure It’s okay.
Thursday, March 12th, 2020 AT 5:14 AM

1 Reply

Tiny
ASEMASTER6371
  • MECHANIC
  • 52,796 POSTS
Good morning,

I attached a wiring diagram for you to view to check for voltages. Check out the diagrams (Below). Please let us know if you need anything else to get the problem fixed.

Roy
Was this
answer
helpful?
Yes
No
Thursday, March 12th, 2020 AT 5:43 AM

Please login or register to post a reply.