Monday, December 2nd, 2019 AT 5:42 AM
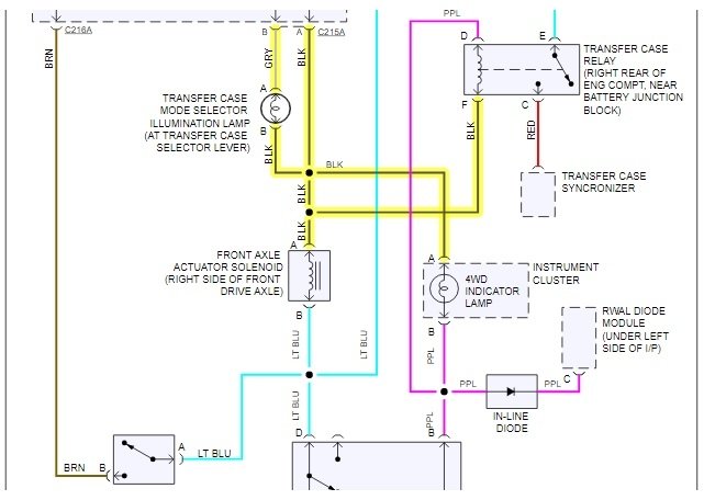
My vehicle won`t go into 4 wd. The indicator light does not come on. I suspect a bad actuator, but am also trying to find the fuse for it. There is not a fuse labelled 4WD. Which fuse is it?




