What is causing the voltage drop?

Tiny
LEOVOMENDEZ
  • MEMBER
  • 2003 MITSUBISHI GALANT
  • 4 CYL
  • 2WD
  • AUTOMATIC
  • 127,000 MILES
The car listed above had no power one morning after a couple of weeks with a new battery. After some tests I figured it was the alternator due to low voltage under load. I replaced the alternator (with remanufactured one because tight budget), but the voltage was still low. These are the numbers I got. No load, battery was about 14.5 v. But with A/C full blast. High beams on. Door open (so interior light was on). And the radio. The battery voltage was at 13.00 v after about 5-10 minutes when I finished the tests it was at 12.52 v. With the negative probe of the multimeter on the battery and the positive on the engine block it was 0.00. Positive on alternator 0.00. Positive on chassis ground 0.15. All taken with about 1,500 RPMs. So is the chassis ground the issue? Why did the battery drain? Why did the battery drop from 13 to 12.5 in a few minutes? Please and thank you.
P.S. I took the old alternator to AutoZone and it was bad either way.
Saturday, September 4th, 2021 AT 10:41 AM

1 Reply

Tiny
KASEKENNY
  • MECHANIC
  • 18,907 POSTS
Okay, there are a few things going on here that we need to clarify.

When you did you voltage checks. You said that the negative probe of the meter was on the battery and the other was on the engine block. I suspect you had it on the negative battery post and you had the other on the engine block?

Then when you get to the chassis ground you have .15 volts. Where was the red lead of the meter?

You could have an issue with the ground or high resistance in the cables so we need to do what is called a voltage drop which is what I think you did.

To test the ground side, you want to touch the negative terminal of the battery and then touch the other lead to the ground that you are checking. If this is what you did and got .15 volts then that is okay.

That is telling you that the negative cable is using .15 volts which is okay.

You can check the resistance if you want to just to confirm this as you should have less then a half ohm of resistance on wiring. This is the same placement of the meter leads.

However, if when you are adding load to the battery and the voltage slowly drops then I suspect you do have a wiring issue. As the wiring gets hotter, it is not as conductive so if it is worn then it will start robbing more voltage as it takes more to actually get the current through the wiring.

We need to take this alternator and have it load checked to make sure it is not an issue as well. That could really throw us for a loop if we just assume this is a good alternator.

https://www.2carpros.com/articles/how-to-check-a-car-alternator

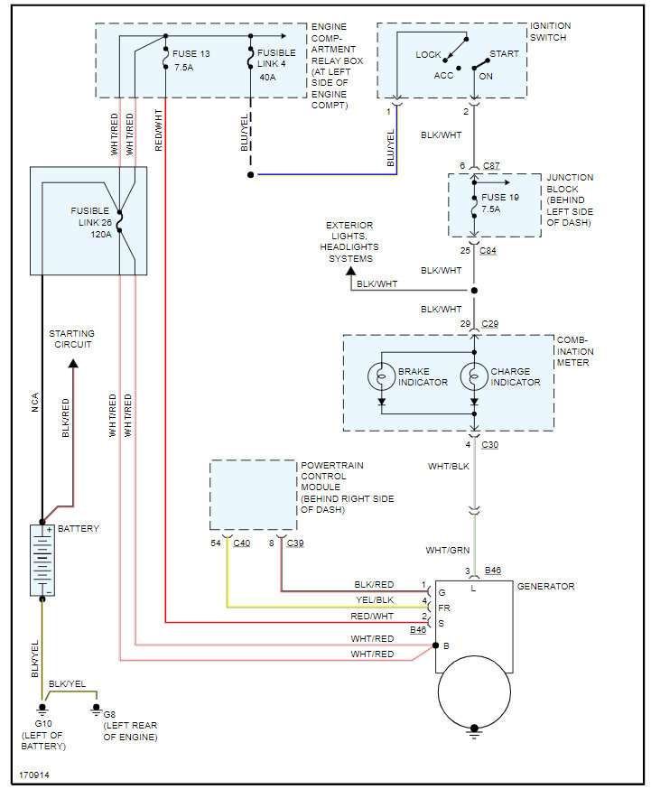
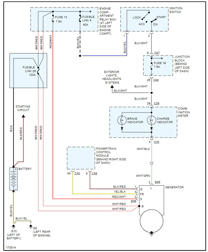
If all this checks out then we need to check the voltage drop across the fusible link.

Again just put your meter leads on either side of the link where ever you can and see what the voltage is. Even if you have to check the voltage from the battery positive post to the B terminal of the generator. Let's see what the voltage is through the fusible link and go from there.

Please let us know what questions you have with all this info.

Wiring diagram is below.

Thanks
Was this
answer
helpful?
Yes
No
Saturday, September 4th, 2021 AT 4:10 PM

Please login or register to post a reply.