Where do I connect my VSS wire?

Tiny
JWHITE1982
  • MEMBER
  • 2003 NISSAN SKYLINE
  • 3.5L
  • V6
  • 2WD
  • AUTOMATIC
  • 150,000 MILES
I want to know where I connect my VSS wire from my new head unit to the car and what color wire do I connect to?
Tuesday, August 20th, 2024 AT 12:39 AM

1 Reply

Tiny
KEN L
  • MASTER CERTIFIED MECHANIC
  • 55,335 POSTS
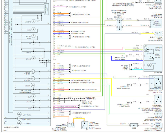
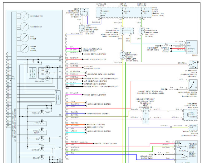
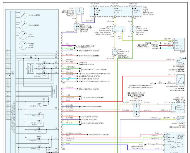
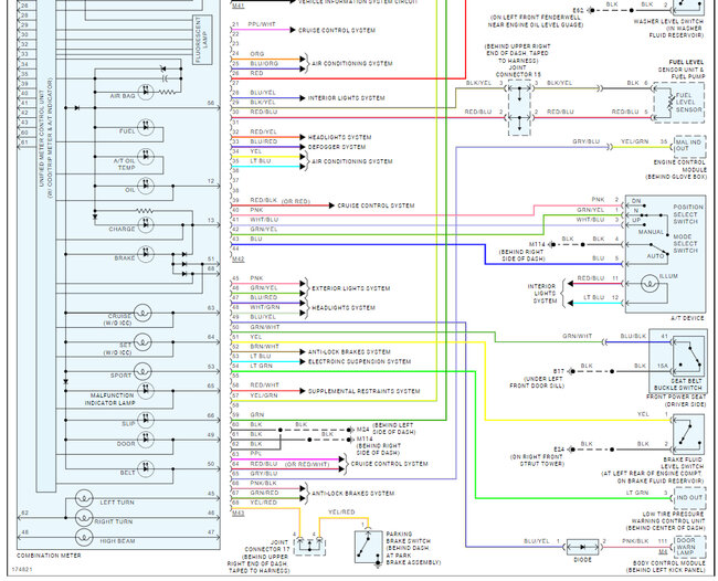
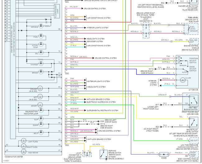
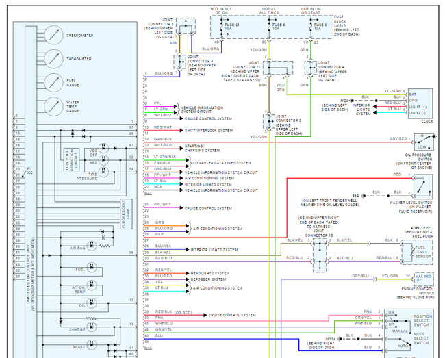
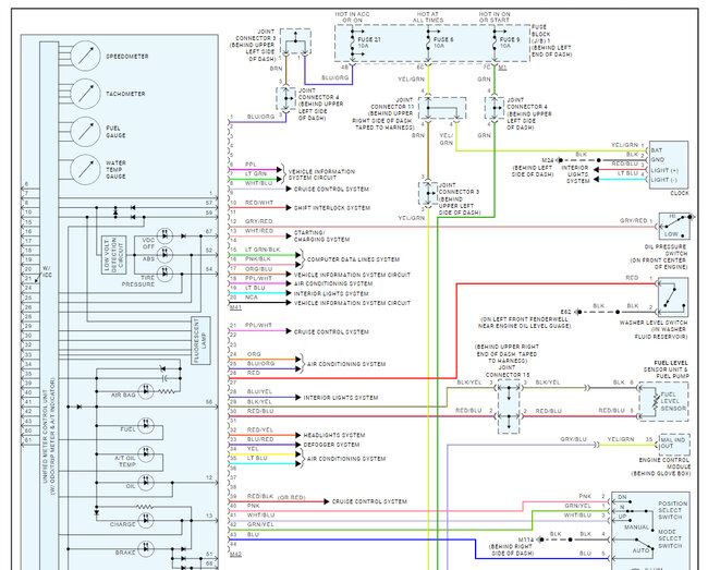
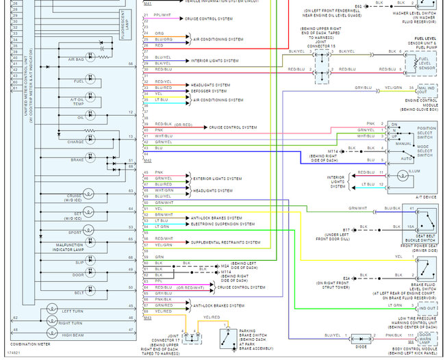
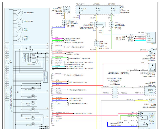
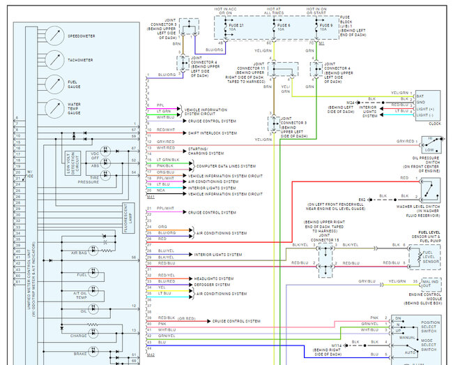
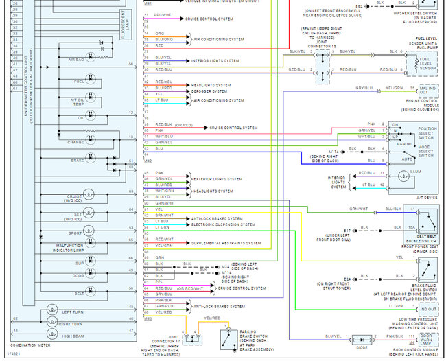
Yep, this car doesn't have a VSS sensor, the speedometer is driven through the data the ABS system provides and there are several inputs to the instrument cluster through ABS and CAN system inputs. Here are the speedometer and instrument cluster wiring diagrams so you can see what I am talking about. Check out the images (below). Let us know if you need anything else.
Was this
answer
helpful?
Yes
No
Tuesday, August 20th, 2024 AT 10:02 AM

Please login or register to post a reply.