Thursday, October 10th, 2019 AT 5:18 PM
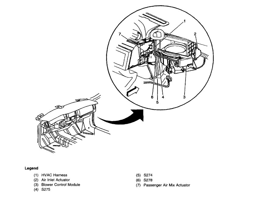
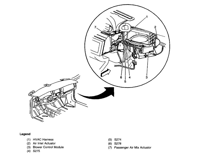
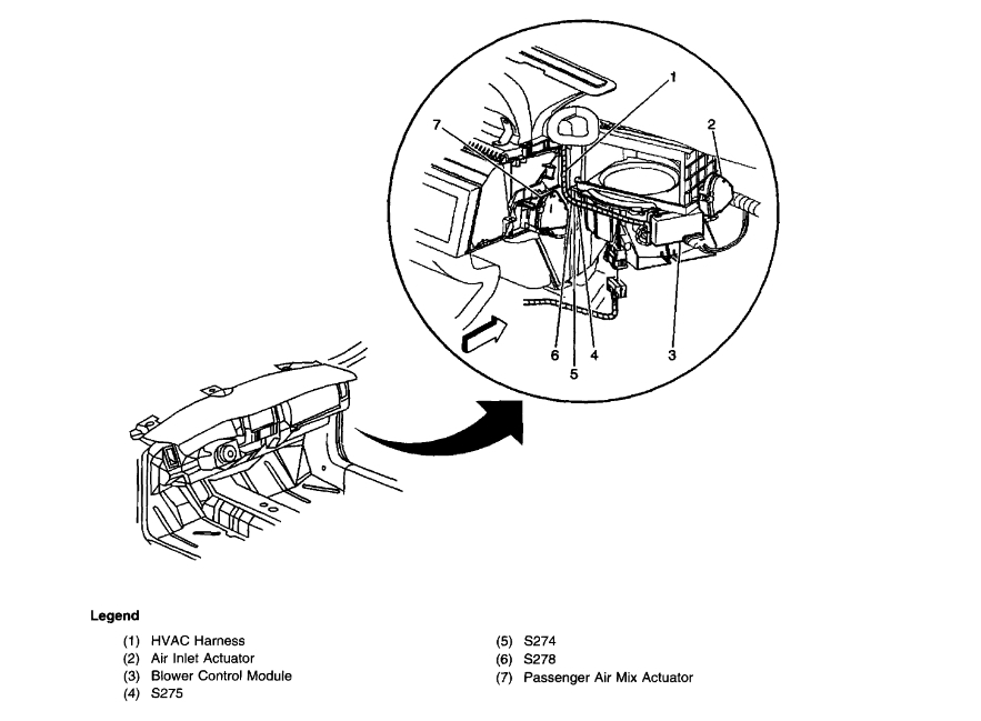
How do I troubleshoot the problem? Is there a fuse? (If so, what is it called?) Or are they simply not connected? All of them are plugged in and I played with the controls, they didn't make sound or anything of the sort.















