Vent control switch has no power

Tiny
MCGUIVERJR
  • MEMBER
  • 1998 TOYOTA CAMRY
  • 2.2L
  • 4 CYL
  • 2WD
  • AUTOMATIC
  • 165,000 MILES
After my daughter had a rear end accident the vent system was working fine for a couple of weeks then stopped. Vent was stuck to the floor only. Checked fuses seem to be okay, also check air vent actuator it was not moving, so it was replaced. Actuator still not moving. Replaced the control vent switch, no movement on the actuator. Check for power at the control vent connector it didn't have power. Yes, I had the switch on. What else can I check/replace to get mine vent working properly?

Thanks,
McGuiverJR
Saturday, February 19th, 2022 AT 12:07 PM

1 Reply

Tiny
JACOBANDNICKOLAS
  • MECHANIC
  • 110,194 POSTS
Hi,

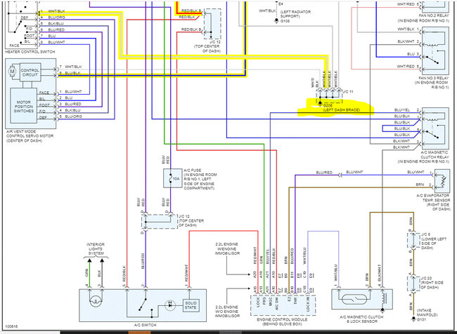
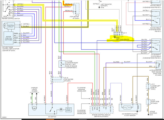
Power to the actuator is supplied from the heater fuse in the vehicle fuse box (interior). At the actuator, there should be a blue wire with a black tracer. It should have power when the key is on. Check that first.

If the actuator has power, the positioning is based on the ground path provided via the switch. So, the next thing I would check is if the ground is good. There is a white wire with a black tracer that, along with others, will be grounded on the dash brace on the left side under the dash.

I attached the schematic below and highlighted things to check. Confirm the power and grounds are good and let me know the results.

Take care,

Joe

See pics below.
Was this
answer
helpful?
Yes
No
Saturday, February 19th, 2022 AT 4:55 PM

Please login or register to post a reply.