Codes P1297 AND PO171

Tiny
BIDRON
  • MEMBER
  • 2001 VOLKSWAGEN BEETLE
  • 1.8L
  • 4 CYL
  • 2WD
  • MANUAL
  • 10,000 MILES
Vacuum line diagram needed.
Wednesday, August 26th, 2020 AT 5:28 AM

1 Reply

Tiny
KASEKENNY
  • MECHANIC
  • 18,907 POSTS
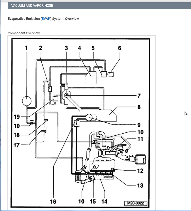
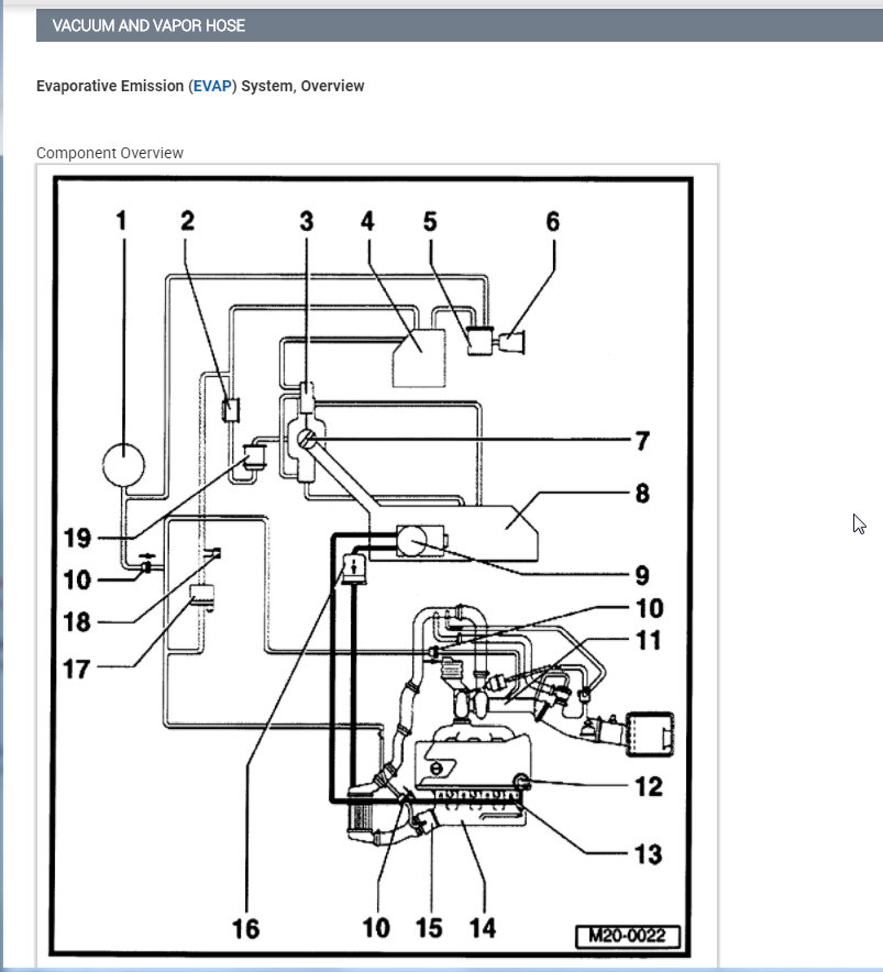
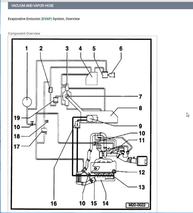
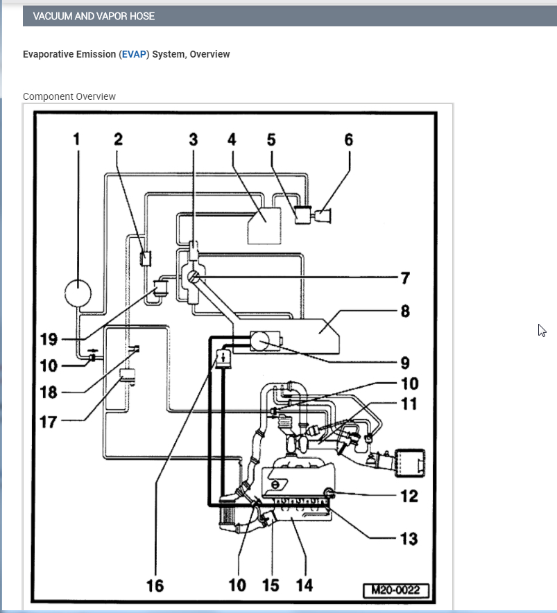
I suspect the issue is with the P1297 - Connection Turbocharger - Throttle Valve Pressure Hose. I attached the vacuum hose and turbocharger diagrams for your inspection. I would recommend using some brake cleaner and spray it around these hoses and listen for the RPM to raise and that should help locate where the leak it.

Here is a guide that will help with that. Let us know what you find. Thanks

https://www.2carpros.com/articles/repair-lean-mixture-codes-p0171-or-p0174-on-some-manufacturers
Was this
answer
helpful?
Yes
No
Wednesday, August 26th, 2020 AT 9:22 AM

Please login or register to post a reply.