Saturday, November 25th, 2023 AT 11:08 PM
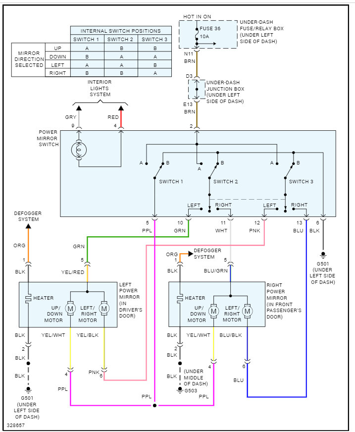
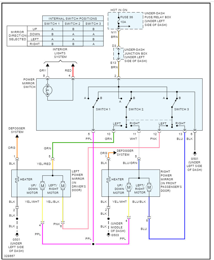
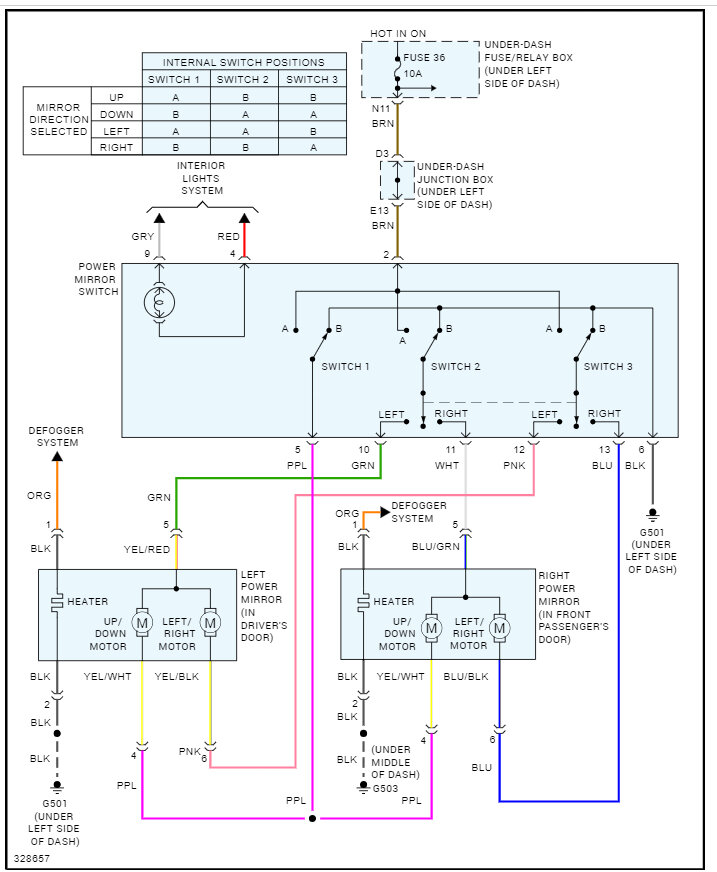
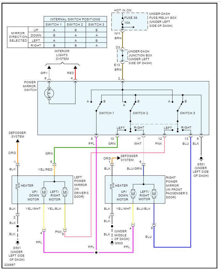
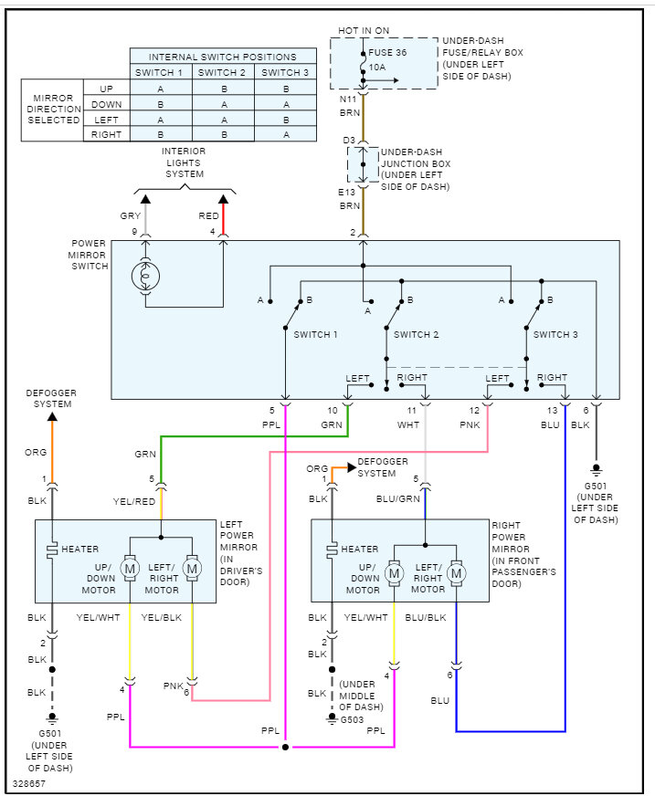
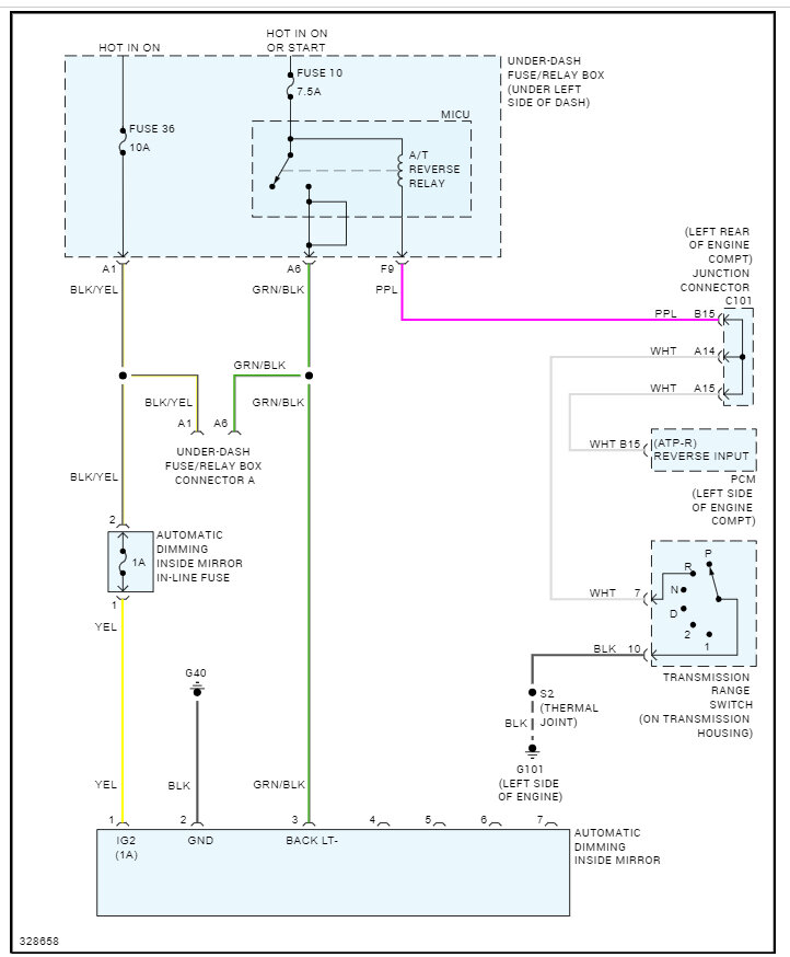
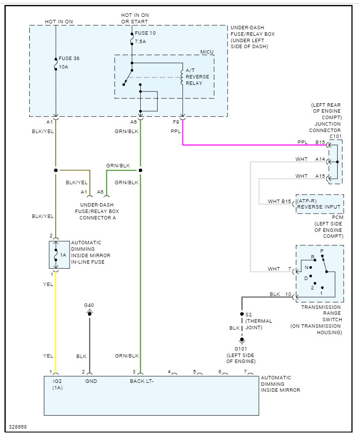
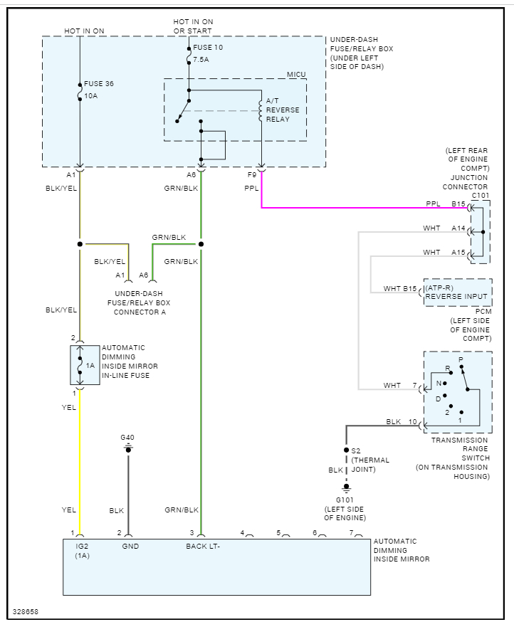
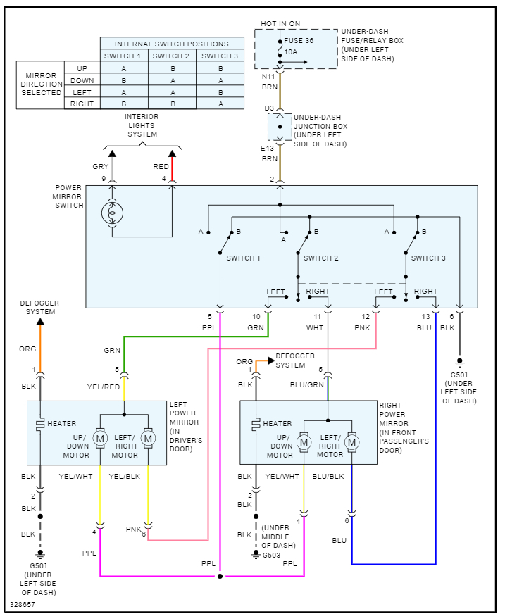
I’ve been searching online. I just need the Japanese/EURO 9 pin auto folding side mirror/lens defogger/lens angle adjustment's schematic wiring diagram. I need to know what each wire does. The USDM which I have never came with the folding mirror and turn signals. I’m doing a conversion for my USDM 2008 Honda CRV. If you can get the Japanese/EURO I would love you forever. Thanks !


